miliamperios.com

Bootstrap Framework 3.3.6

Más de una docena de componentes reutilizables construidos para proporcionar iconografía, menús desplegables, grupos de entrada, navegación, alertas, y mucho más ...

Fundado el 19 de Octubre de 2004. Todo sobre construcción clásica, nuevas tecnologias en materiales y herramientas.

Moderador: Moderadores

Avatar de Usuario
Por sito zgz
#1169398
bueno he hecho alguna prueba mas con el cargador y he de decir que para cortar alas no vale, pero si nos puede servir para cajear y demas, ya que va ajustando el voltaje y de vez en cuando baja a cero y vuelve a subir, haciendo que se enfrie el hilo y se pare, asi que otra cosica mas que sabemos jeje
Avatar de Usuario
Por juan ruiz
#1173073
Antonio —teknos— escribió:Hola Juan,

Supongo que has leído la conversación…
Mi instalación es 220V >>Regulador de intensidad para 220V >> Transformador de halógeno de 220V a 12V (4A) >> Arco con hilo de Nycrom de 0,75mm ø 1m largo.
No entiendo por qué tengo que utilizar 24V si ya tengo 12V a 4A. Esta instalación va bien, aunque el cable va un poquito frio de más para mi gusto. Si doblo el voltaje aumento demasiado la temperatura y me paso, ya lo he probado metiendo 8A, que es lo mismo.

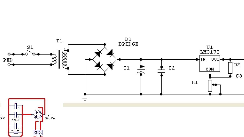
El puente rectificador es el que se ha mencionado anteriormente:
es mejor ponerle un puente de diodos para pasar la corriente de alterna a continua
Siip, el puente lo debes colocar en la salida del transformador, compra uno como el que lleva Sito que es más fácil de montar sin usar una placa y pídelo como un puente rectificador de 100V 10A e instálalo como te indica Sito. Toma en cuenta que una véz instalado el puente tendrás en la salida al arco como mínimo 60V con 1,7A CUIDADO
[…] al colocar el rectificador el voltaje aumenta en un 50% que se "pierde" al conectar el arco, así siempre se trabaja con el voltaje que el transformador saca con muy poca pérdida por la resistencia del hilo[…]
Si el transformador conectado directo al arco calienta el hilo revisa las conexiones del regulador, por lo general lo "problemas" se genran ahí. Un punto a tomar en consideración es que al usar un transformador AC el voltaje/corriente de salida están en AC con lo cual debes obervar con cuidado el uso de las conexiones al arco ......... está demostrado que con 10V AC y 6A puedes producir un paro cardíaco con 48V y 6,5A se está en unos límites altos, otro beneficio de convertir AC a DC con un rectificador es que eliminas los ciclos de la corriente AC con lo cual el corte es más limpio.
Y en otros hilos como: tecnicas-construccion-f20/alimentador-p ... 37223.html.


Por lo que parece la temperatura en contínua es más homogénea y con un poco más de temperatura que con alterna, para lo que entiendo se utiliza el rectificador de diodos, de 100V 10A. Por cuestiones de seguridad y comodidad de uso, mis preguntas son, con esta configuración:
1. ¿Qué salida dará al arco en voltios y amperios?
2. ¿Se podrá coger el hilo con los dedos por la parte fria como cuando lleva 12V en alterna?
3. ¿Cuál es el cable más fino que podría utilizar para que gire bien con las poleas con el cortador automático tipo Feather Cut casero?.
Un saludo

A.
Yo sigo sin entender para que quereis pasar de alterna a continua y filtrar la corriente,no estamos haciendo una fuente de alimentación para un amplificador o una radio es para calentar un hilo de nicron,el puente rectificador y los condensadores sobran.En el hilo de nicron na vas a oir ninguna interferencia,que para eso son los condensadores.


El transformadorde 24V es solo para tener mas margen de voltios para calentar hilos mas largos y mas cortos si con los 12V te vale prefecto.

Este esquema esta mal diseñado.

Si pones un potenciometro donde dices lo quemaras en cuanto metas corriente.Aparte de eso no tiene ningun sentido.

El vumetro si lo pones como el esquema te digo lo mismo lo quemaras tambien,si es para medir los Amp,otra cosa es que sea para medir los voltios.

Las resistencias lo mismo,no entiendo el sentido ya que se van a poner al rojo,no se si aguntaran con un radiador,porque seguro que les hace falta.
Adjuntos
Fuente mal diseñada.jpg
Fuente1.jpg
Fuente2.jpg
Avatar de Usuario
Por juan ruiz
#1173076
Esta es la mia,y no va filtrada,no le hace falta ningun condensador ni resistencias ni nada de nada y va perfecta.

La salida son los bornes azules para saber que es alterna,los bornes de al lado si es continua por eso son negros y rojos para saber positivo y negativo los uso para el cargador de lipos en casa.

Saludos
Adjuntos
Fuente de corte foam.JPG
Avatar de Usuario
Por pa22
#1173112
juan ruiz escribió: ..... Yo sigo sin entender para que quereis pasar de alterna a continua y filtrar la corriente,no estamos haciendo una fuente de alimentación para un amplificador o una radio es para calentar un hilo de nicron,el puente rectificador y los condensadores sobran.En el hilo de nicron na vas a oir ninguna interferencia,que para eso son los condensadores.
Entiendo que el hilo vá sobre fuentes de alimentación para el corte con hilo caliente y hasta donde veo y sé todas las propuestas son válidas aunque no entendamos "por que" ...... en lo particular y si revisas bien lo escrito utilizo el puente no solo para la conversión de AC a DC sino para aprovechar un aumento de voltaje que normalmente puede llegar a ser hasta un 50% superior a lo entregado por el transformador con lo cual al conectar el hilo de corte voy con el voltaje nominal indicado por el transfo y no llego con voltaje/corriente degradado por la resistencia del hilo. Los condensadores los uso para "descargar" un consumo directo sobre el puente con lo cual hay sobrecalentamiento sobre todo en alas grandes.
juan ruiz escribió: transformadorde 24V es solo para tener mas margen de voltios para calentar hilos mas largos y mas cortos si con los 12V te vale prefecto.
BINGO !!! la idea es justamente esa, si a tí te van bien los 12V muy bien por tí, a mí me van perfectos los 24V 8)
juan ruiz escribió: esquema esta mal diseñado.
Si tu lo dices yo no soy quién para decirte lo contrario, cada quién es libre de pensar lo que mejor considere. Es un circuito PROBADO y COMPROBADO durante años pero lo dicho si te parece que está mal pués está mal :mrgreen:
juan ruiz escribió:Si pones un potenciometro donde dices lo quemaras en cuanto metas corriente.Aparte de eso no tiene ningun sentido.
Igual que la anterior, si tu lo dices tu palabra vaya por delante ......... a mí me funciona y el "sentido" para su uso se lo dá cada quién según su consideración y necesidad. :mrgreen:
juan ruiz escribió:El vumetro si lo pones como el esquema te digo lo mismo lo quemaras tambien,si es para medir los Amp,otra cosa es que sea para medir los voltios.
:?: :?: :?: :D
juan ruiz escribió:Las resistencias lo mismo,no entiendo el sentido ya que se van a poner al rojo,no se si aguntaran con un radiador,porque seguro que les hace falta.
Se van a poner al rojo :?: radiador :?: :shock: el sentido es descargar los condensarores ELECTROLITICOS cuando el circuito no está en uso ........ si eres de los que te gusta el susto del chispazo al conectar los terminales al hilo de corte no les prestes atención y bien por tí. :mrgreen:
juan ruiz escribió:Esta es la mia,y no va filtrada,no le hace falta ningun condensador ni resistencias ni nada de nada y va perfecta.
Muy pero muy bien por tí :wink:
juan ruiz escribió:La salida son los bornes azules para saber que es alterna,los bornes de al lado si es continua por eso son negros y rojos para saber positivo y negativo los uso para el cargador de lipos en casa.


Doble utilidad, EXCEPCIONAL !!! muy bien por tí :wink:

Pienso que al final la idea es mostrar lo que hemos hecho, porque lo hemos hecho y como lo hemos hecho ....... las dudas individuales sobre si faltan o sobran cosas son válidas pero dar por descontada su necesidad o innecesidad basados en nuestros cuadros de creencias y experiencias es algo realmente poco cortés sobre todo si uno aporta algo con la idea de ayudar. Yo no le pregunto a las personas porque hacen las cosas de una forma u otra y mucho menos pongo en duda su funcionalidad o capacidad, lo que a mi parecer puede ser una locura para el que lo hizo tiene una razón válida.

Si se vá a criticar es preferible hacerlo de forma constructiva, sino se está de acuerdo con la forma como los demás hacen las cosas lo mejor es dejar que cada quién mate sus piojos como mejor le parézcan o proponer cosas más prácticas que sean más viables y menos "enredadas". Yo no le impongo a nadie lo que he publicado, respeto las propuestas de los demás en tanto se mantenga el respeto sobre lo que he publicado y al final si a alguien les sirve pués bien y sino le sirve pués muy bien.

No te pregunto que hay dentro de la caja que muestras ya que en lo particular no es de mi interés porque estoy conforme con lo que tengo pero el que no sea de interés para mí no significa que si sea de interés para alguien más ....... me limito en mis observaciones porque de nada vale decir que 12V con 33A por largo producen un paro cardíaco porque si para tí vale y estás consciente de esto demás está mi comentario. Por otro lado, hay un enredo en conceptos pero creo que es por cuestiones de semántica, en electrónica una fuente REGULADA es aquella capáz de entregar un voltaje/amperaje dado de forma constante indiferentemente de la energía entrante y una fuente VARIABLE es aquella capáz de variar voltaje/amperaje de salida y a su véz puede ser REGULADA o NO a esa salidad dada sin embargo no te digo que llevas un enredo conceptual que en electrónica es BASICO tener claro si queremos entendernos.

Todas las observaciones y críticas son bien recibidas lo que no es para nada ni aceptable ni bien recibido es que porque tú no le veas aplicación práctica a las cosas o estas rompan tus "esquema" las catalogues como inútiles o que están hechas de mala forma. Hasta ahora TODO lo que publico es material de mi propiedad, no corto y pego y cuando publico algo lo hago con la tranquilidad de haber probado, fallado y corregido lo expuesto, no me baso en supuestos, no asumo y por lo general trato de ver las cosas con un poco de amplitud visual y mental ........ es la única forma de ser tolerante, de seguir aprendiendo, evolucionar para no desaparecer como los dinosaurios y no imponerles "mi verdad" a los demás porque al final si yo tengo piojos y para matarlos me prendo en fuego la cabeza a quién afecto :?: si hay un millón más que lo hacen a quienes afectan :?: ....... tenía casi un mes sin intervenir en el foro porque la verdad es que implica un desgaste innecesario porque aquí pareciera que solo existe una verdad única y debe ser impuesta lo cual acarrea constantes confrontaciones que no son para nada productivas, el problema es que MUCHOS NO ACEPTAN QUE HAY FORMAS DIFERENTES DE HACER LAS COSAS y van constantemente como chulitos mostrando (o bajo la falsa creencia) que lo que hacen o tienen es lo mejor y de estos paso, más arriba en la discusión verás a uno de los del grupo de especímenes que por ser incapáz de realizar una tarea en la cual muchos la realizamos sin ningún problema nos cataloga a los demás de una forma "políticamente aceptable" como si fuésemos mentirosos.

La verdad es tan variada y relativa como cada cabeza PENSANTE la considere, la soberbia y la intolerancia es la muestra de la incapacidad para entender lo que tenemos alrededor y la crítica es solo ver en los demás lo que más nos molesta de nosotros mismos.

En fin estimado, tenemos trabajo por delante antes de continuar con las fuentes de alimentación ...... una de las cosas que sugeriría ya que para nada aconsejo por mis propias incapacidades es revisar las formas como nos dirigimos a los demás, muchas veces no es lo que se dice sino como se dicen o escriben las cosas :mrgreen:.

Como decía mi yayo, sino tienes nada que decir no lo digas. :lol:

PD: Aí se hacían las cosas antes que los listillos aprecieramos http://www.rcgroups.com/forums/showthread.php?t=191128 pero para que hacerlo fácil si podemos hacerlo difícil :?
Última edición por pa22 el Lun, 22 Oct 2012 13:26, editado 1 vez en total.
Avatar de Usuario
Por juan ruiz
#1173128
Te seguire contestando.

El potenciometro o resistencia variable como quieras llamarle,lo pongas como lo pongas en cuanto le metas corriente es una antorcha,y ademas llevan tre patillas no dos,juntes el centro con la de la derecha o izquierda da igual sale ardiendo.

Si supieras de electronica igual que escribes serias la leche.

No recomiendo a nadie que lo haga con 36V segun dice,y dudo muchusimo que te este funcionando,mejor no lo dudo es que es mentira.

juan ruiz escribió:
transformadorde 24V es solo para tener mas margen de voltios para calentar hilos mas largos y mas cortos si con los 12V te vale prefecto
.

BINGO !!! la idea es justamente esa, si a tí te van bien los 12V muy bien por tí, a mí me van perfectos los 24V

No entiendo eso Bingo,yo digo que voy a 24V no a 12V como dices tu,te haces unos lios.





Saludos
Adjuntos
Fuente1 Potenciometro.jpg
Última edición por juan ruiz el Dom, 21 Oct 2012 19:15, editado 1 vez en total.
Avatar de Usuario
Por pa22
#1173188
En avance pido disculpas por la calidad del video, el móvil no es de mucha ayuda pero algo muestra. :wink:
juan ruiz escribió:.... No recomiendo a nadie que lo haga con 36V segun dice,y dudo muchusimo que te este funcionando,mejor no lo dudo es que es mentira.
[youtube]http://www.youtube.com/watch?v=9emxKHuQPSo[/youtube]

"Hombre de poca fé :lol: jajajajajja !!!, Yo no tengo nada que demostrar ni de ir de chulito por ahí insultando personas porque no comulguen con lo que yo digo .......... yo utilizo lo que tengo a mano y a partir de ahí hago lo que puedo, si te pica ráscate.

Muy guapos todos tus equipos, ahora ese trasto lo debes mover con una grúa :lol:, para aquellos interesados les será buena "guia", de momento paso ya que tengo lo que requiero :wink:

ADVERTENCIA: NO USEN LO QUE YO PROPONGO COMO OPCION, es pérdida de dinero tiempo y genera frustraciones que lo llevan a uno a la dimensión desconocida El video es un montaje, eso no sucedió jamás, todo es una mentira o charada de mi parte para con ustedes. Como dice el Sr. Juan, yo no tengo ni idea de lo que estoy haciendo así que no me presten atención que yo me declaro un "loco de carretera" :lol: Mejor utilicen lo que indica "Juan el amo y señor de la verdad absoluta" :shock:

Imagen

Decirte que aproveches las fanta en descuento debe ser como llover sobre mojado porque ya te debes haber tomado varias en el tiempo que llevas en este planeta, pero siempre es bueno recordarle a las personas a donde ir o que hacer con sus frustraciones y trata de ser felíz sin molestar al prójimo es más fácil que liarte por una fuente de alimentación porque a mí no me vás a convencer, tú sigue en lo tuyo y deja tranquilo al que está tranquilo 8)

Van 2 que aseguran a los 4 vientos que todo es mentira ........ que pase el siguiente o como dice una conocida inglesa "NEXT !!!!" :twisted:
Avatar de Usuario
Por Iniciado
#1174389
Hola pa22,acabo de ver este hilo y no me he podido resistir a opinar sobre tus explicaciones de algunas cosillas.

En principio decirte que en tu sistema de corte no te discuto de que funciona bien, que seguro que funciona.

Lo que te queria decir es que en otras cosas estas confundido, aunque te bases en las medidas que te da el polimetro.

Me refiero a esto:

****los capacitadores, estos actúan como filtros después que la energía es "convertida" de AC a DC y por otro lado los capacitadores electrolíticos actúan como "depósitos" de energía****

Esto que dices es verdad(solo para otros fines),pero en el caso que nos ocupa los condensadores no tienen ninguna mision,puesto que la resistencia del hilo es tan pequeña que es casi un corto y los condensadores no tienen tiempo de poder cargarse, y menos acumular energia.

****de hecho un electrolítico aunque esté fuera de un circuito siempre se carga de ahí que cuando los compramos por lo general nos los entregan con las "patas" en corto ****

Un condensador electrolitico aunque sea de 10000 uF,no se carga por si solo si no es conectado a una fuente de tension continua.Al comprarlo algunos bienen con las patas enredadas por que al ser largas no se mantienen por si solos sin tocarse unas con otras.

****de otra forma si son de mucha capacidad pueden hacernos pasar un mal rato****

Para que un condensador te de un calambris tiene que ser cargado a mas de 70v y en eso no importa la capacidad del condensador,igual te daria uno de 10uF que uno de 1000uF.

****Dado que los capacitadores pueden actuar como "depósitos" una de las ventajas de montarlos en un circuito como el que indicamos es muy recomendable para "restarle" trabajo al puente rectificador ya que al conectar el arco hacemos un corto y con los capacitadores se "retarda" la exigencia de energía al puente rectificador con lo cual trabaja a menor temperatura.****

Aqui ya me quedo sin palabras,lo que intentas hacer con los condensadores es muy simple.Al conectar un puente rectificador a un transformador de 12v,ya le estas quitando al transformador alrededor de 1v y entonces lo que tu intentas hacer con los condensadores es recuperar ese voltio que has perdido.Aunque el polimetro te diga que has aumentado varios voltios mas,eso es erroneo por que al conectar el arco veras como todo lo ganado se queda perdido de nuevo.

****Toma en cuenta cuando no estés utilizando la fuente de alimentación el colocar pedazo de cable o un clip entre las salidas al arco para evitar que los capacitadores queden cargado*****

Esta es otra cosa que no entiendo,se supone que primero se desconecta la alimentacion de 220v,con lo cual los condensadores estan en corto por el hilo y no tienen carga almacenada.Distinto es si quitas primero el arco y despues cortas la alimentacion,entonces si quedarian cargados y el unico inconveniente que tendria seria el chispazo que daria al conectar el arco,pero nada mas.

****CUIDADO antes de usar la fuente de alimentación sin retirar ese puente****.

El puente,resistencia o potenciometro no sirven de nada,ya que lo que hay que hacer es desconectar los 220v en primer lugar y ya esta.

Por otra parte seria bueno que corrigieras el esquema,ya que tienes los condensadores con la polaridad invertida y si lo coje alguien sin ideas los va a reventar en dos minutos.

En resumen que nada de puente rectificador ni condensadores son necesarios,mas bien lo que hacen es perder potencia.Si se necesita mas calor lo unico valido es aumentar el voltaje.

Me da la sensacion que algun amigo te esta dando estas ideas y te esta confundiendo.

No te portes muy mal conmigo,que es solo una aclaracion para futuros aprendices.

Un saludo...
Por Jose884
#1260121
Tengo un arco de 120 cm, con hilo de Nycrom de 0,6 mm. comprado en Herederos de Ricardo Alonso alimentado con dos transformadores de 220v a 12v de 4A cada uno dispuestos en serie, lo que da 24v 4A, que son 100W.
conexionarco.png
Conexión de transformadores en serie
conexionarco.png (5.5 KiB) Visto 3557 veces
Quiero regular la tensión para poner el cable a la temperatura que me interese. Lo hacía en la entrada de los transformadores, en la parte de 220v, para lo cual tenía un regulador de lámpara que iba bien, aunque era incómodo. Como quiero meter los transformadores y el regulador en una caja para que quede todo más ordenado, estoy pensando en buscar un regulador con forma de potenciómetro y ponerlo todo junto. He visto este de 220v que aguanta 250W: http://bit.ly/1jDZFym
i-13-00.jpg
Regulador de tensión
i-13-00.jpg (41.08 KiB) Visto 3557 veces
Pregunta 1: ¿saldrá ardiendo?
Pregunta 2: ¿se puede regular la tensión en la salida de los 24V 4A en vez de en la entrada de los 220V? ¿Tendrá alguna ventaja?

Saludos
Última edición por Jose884 el Mar, 28 Ene 2014 13:50, editado 1 vez en total.
Por Vallekano
#1260126
Pues yo no soy ningún experto en electrónica pero cuando me hice mi cortador de foam me suena haber leído que eso de poner dos transformadores en serie no es buena idea ya que se retroalimentan o algo así (mi cortador usa solo uno).

Pero bueno, a ver si alguien te puede aclarar el tema mejor.
Por Jose884
#1260128
Gracias por la respuesta Vallekano, te confirmo que los transformadores van muy bien en serie, puedes encontrar más información en este mismo hilo.

Sigue en pie la cuestión:
Tengo un arco de 120 cm, con hilo de Nycrom de 0,6 mm. comprado en Herederos de Ricardo Alonso alimentado con dos transformadores de 220v a 12v de 4A cada uno dispuestos en serie, lo que da 24v 4A, que son 100W.
conexionarco.png
conexionarco.png (5.5 KiB) Visto 3556 veces

Quiero regular la tensión para poner el cable a la temperatura que me interese. Lo hacía en la entrada de los transformadores, en la parte de 220v, para lo cual tenía un regulador de lámpara que iba bien, aunque era incómodo. Como quiero meter los transformadores y el regulador en una caja para que quede todo más ordenado, estoy pensando en buscar un regulador con forma de potenciómetro y ponerlo todo junto. He visto este de 220v que aguanta 250W: http://bit.ly/1jDZFym
i-13-00.jpg
i-13-00.jpg (41.08 KiB) Visto 3556 veces

Pregunta 1: ¿saldrá ardiendo?
Pregunta 2: ¿se puede regular la tensión en la salida de los 24V 4A en vez de en la entrada de los 220V? ¿Tendrá alguna ventaja?

Saludos
Avatar de Usuario
Por Katenmi
#1260157
Chicos yo también necesito ayuda, porque estaba medio seguro de que ya me podía hacer una cortadora pero tras leer este hilo... me he quedado de piedra.
Yo, que tengo muy poca idea de electrónica, pensaba hacerme un arco de corte probando con un par de hilos de nicron de diferente grosor, un transformador (que no sé si coger de 60W o 100W) y un arco de 1,5 metros, bueno y también un interruptor de la corriente al transformador y un atenuador de esos de luz del transformador al arco para controlar la corriente que pasa por ahí. ¿Qué transformador debería coger? y por el resto ¿esta bien así?

Gracias por adelantado
Por Jose884
#1260159
Este hilo tiene información de sobra, échale un ojo y verás que no es complicado: un dimmer o regulador de tensión para lamparas de 220V, luego un transformador de lampara halógena de 220V a 12V, y finalmente un hilo de Nicrom de ø 0,5 mm o así que te compras, por ejemplo, en Madrid en Herederos de Ricardo Alonso, en la calle Ferraz 58. Lo puedes tunear, claro: por ejemplo, si tu arco va a ser de 1,5m y ves que te vas a quedar corto de potencia, en lugar de un transformador pones dos en serie —idénticos— como en el esquema que ya se comentó en este mismo hilo. También le puedes poner entre el/los transformador(es) y el hilo un circuito para estabilizar la tensión y nosequé pijadas más, pero es algo ya accesorio cuya efectividad, por lo visto, no está tan clara.

Y sigo con la duda…
Tengo un arco de 120 cm, con hilo de Nycrom de 0,6 mm. comprado en Herederos de Ricardo Alonso alimentado con dos transformadores de 220v a 12v de 4A cada uno dispuestos en serie, lo que da 24v 4A, que son 100W.
conexionarco.png
conexionarco.png (5.5 KiB) Visto 3547 veces
Quiero regular la tensión para poner el cable a la temperatura que me interese. Lo hacía en la entrada de los transformadores, en la parte de 220v, para lo cual tenía un regulador de lámpara que iba bien, aunque era incómodo. Como quiero meter los transformadores y el regulador en una caja para que quede todo más ordenado, estoy pensando en buscar un regulador con forma de potenciómetro y ponerlo todo junto. He visto este de 220v que aguanta 250W: http://bit.ly/1jDZFym
i-13-00.jpg
i-13-00.jpg (41.08 KiB) Visto 3547 veces
Pregunta 1: ¿se quemará este regulador de tensión?
Pregunta 2: ¿se puede regular la tensión en la salida de los 24V 4A en vez de en la entrada de los 220V? ¿Tendrá alguna ventaja?
Saludos
Avatar de Usuario
Por Katenmi
#1260180
Es que con tanto diagrama y tanto tecnicismo me perdí, muchas gracias jose.
Por Jose884
#1260195
En realidad es muy sencillo, yo no sé más de estos asuntos que lo imprescindible para montar una lámpara, y aún así pude.

En cualquier caso a ver si alguien que sepa de electrónica nos ayuda. El regulador de tensión que decía, este: http://bit.ly/1jDZFym
i-13-00.jpg
i-13-00.jpg (41.08 KiB) Visto 3537 veces
Trae en su descripción de la web lo siguiente:
No admite cargas inductivas como lámparas PL, fluorescentes, transformadores, etc.
Yo le voy a conectar a dos transformadores de halógena: ¿Significa esto que no sirve para mis propósitos?


Saludo
Avatar de Usuario
Por Javigatobcn
#1260215
Jose884 si que te servirá para lo que tu lo quieres.

No sirven para regular lámparas de bajo consumo (con bombilla normal si) ni florescentes, eso no se pueden regular y te cargarias el regulador.


Si a eso le pusieras una alógena le podrias regular la intensidad, en este caso sustituyes la alógena por el cable y la función será la misma dándole mas o menos intensidad que es lo que tu quieres, este en concreto no lo se pero seguramente también te sirva de interruptor pues normalmente todos estos al empezar a girar el potenciómetro hara un clic y se encenderá al minimo, ahí giras (regulas) hasta donde tu veas que te va bien y luego lo vuelves a apagar girándolo a la izquierda del todo. Si este no tuviera interruptor pues tendrías que ponerle uno.

Yo los uso para regular lámparas normales, focos y alógenas entre otras cosas, los compro en la ferretería del barrio, también venden los botones y unas cajas de plástico para meterlo dentro. En tiendas de electrónica también tienen todo esto.



Saludos
Por Jose884
#1260255
Jose884 si que te servirá para lo que tu lo quieres.

No sirven para regular lámparas de bajo consumo (con bombilla normal si) ni florescentes, eso no se pueden regular y te cargarias el regulador.


Si a eso le pusieras una alógena le podrias regular la intensidad, en este caso sustituyes la alógena por el cable y la función será la misma dándole mas o menos intensidad que es lo que tu quieres, este en concreto no lo se pero seguramente también te sirva de interruptor pues normalmente todos estos al empezar a girar el potenciómetro hara un clic y se encenderá al minimo, ahí giras (regulas) hasta donde tu veas que te va bien y luego lo vuelves a apagar girándolo a la izquierda del todo. Si este no tuviera interruptor pues tendrías que ponerle uno.

Yo los uso para regular lámparas normales, focos y alógenas entre otras cosas, los compro en la ferretería del barrio, también venden los botones y unas cajas de plástico para meterlo dentro. En tiendas de electrónica también tienen todo esto.
Gracias Javigatobcn, entontes voy a probar con él a ver qué sucede. Si todo va bien os daré noticias!

Gracias!
Avatar de Usuario
Por longboard
#1260262
pues yo voy con un cargador de baterias de coche 5a...con opcion 6-12v y va casi perfecto.
a veces como decis algunos...la solucion es mas facil de lo q parece
saludos
Por Jose884
#1260303
pues yo voy con un cargador de baterias de coche 5a...con opcion 6-12v y va casi perfecto.
a veces como decis algunos...la solucion es mas facil de lo q parece
saludos
No, es muchísimo más fácil que eso: un transformador de halógena de 12v y 4A, y listo. Si por alguna santa casualidad este transformador —o tu cargador de baterías de coche— calienta el hilo que tienes a la temperatura justa según la extensión que le hayas dado a tu arco, cortarás un montón de alas, y es muchísimo más sencillo, barato y directo que tu solución.
TRANSFORMADOR HALOGENO 12V 50W.jpg
Pero como no des con el hilo a la primera, se te hagan onditas al cortar foam del denso, quieras cambiar de hilo o poner las pinzas más cerca una de otra para coger el arco por el hilo con la mano, tanta sencillez ya no te sirve.

Saludo
Avatar de Usuario
Por longboard
#1260437
yo corto con hilo de pescar y la verdad que no tengo quejas...ajajaja
Avatar de Usuario
Por Katenmi
#1260449
¿El hilo de pescar vale? Porque me pateé todo pontevedra buscando nicron y nada, ¿y qué resistencia tiene por metro?
Avatar de Usuario
Por longboard
#1260478
la resistencia no tengo ni idea ajajajja...compre el de 0,8mm y la verdad que muy bien...2 pavos 10m
quedan algunas ondas...pero no hay taco de lija que no las borre antes de forrar :mrgreen:
Avatar de Usuario
Por Katenmi
#1260490
A mi es que el de la tienda de electrónica me dijo que para no cascar el transformador tenia que andar entre dos resistencias (ya me hizo los calculos él pero no los tengo aquí ahora, mañana los pongo si eso) y claro eso ya me dejo preocupado.
Avatar de Usuario
Por ALF@
#1260500
longboard escribió:yo corto con hilo de pescar y la verdad que no tengo quejas...ajajaja
Ostras con hilo de pescar :shock: :shock: que tipo de sedal usais por ahy abajo tío!!! Hasta donde se el hilo de pescar es de naylon, que no deja de ser un plastico y con el calor no se llevan muy bien :mrgreen: :mrgreen:
Katenmi escribió:¿El hilo de pescar vale? Porque me pateé todo pontevedra buscando nicron y nada, ¿y qué resistencia tiene por metro?
Si no encuentras nicron en tu ciudad te doy un par de alternativas. La priemra y mas economica es que si puedes conseguir un secador de pelo viejo o una estufa electrica/calefactor que no funcione hay tienes metros y metros de hilo :D La otra es que le preguntes a Ebay que hay muchos vendedores tanto nacionales com ointernacinales. yo le compre a una tienda china 1m de 0.5 con un par de pinzas de cococdrlo por 4€.

Ahi lo dejo
Avatar de Usuario
Por Katenmi
#1260528
Gracias Katanero, pero bueno este fin de semana iré a Coruña y si ahí no lo encuentro entonces se lo pediré a los chinos.
Avatar de Usuario
Por longboard
#1260532
bueno...para el no aficionado a la pesca :mrgreen: deciros que hay hilo de pescar de acero trenzado para presas con buenos dientes....vienen recubierto de una funda de pvc que facilmente se quita con un mechero.
Avatar de Usuario
Por ALF@
#1260557
Katenmi escribió:Gracias Katanero, pero bueno este fin de semana iré a Coruña y si ahí no lo encuentro entonces se lo pediré a los chinos.
Bueno haber si hay suerte y encuentras algo, de todas formas te dejo el link de donde lo compre http://www.ebay.es/itm/160858329884?ssP ... 1423.l2649, tambien tenes vendedores españoles. Si no a buscar secadores viejos :mrgreen:

Otra opcion que tienes es usar por el monento hilo de acero, no dura tanto pero para ir haciendo probatinas te valdrá y si me permites lanzarte una idea igual en vez de hacer un arco de 1,5m podrias hacerlo mas corto y manejable ya que si vas a cortar alas cortas una semi-ala cada vez y si vas ha hacer un ala muy grande la puedes cortar en varios trozos que luego se pegan.

Un saludo.
longboard escribió:bueno...para el no aficionado a la pesca :mrgreen: deciros que hay hilo de pescar de acero trenzado para presas con buenos dientes....vienen recubierto de una funda de pvc que facilmente se quita con un mechero.
Je je ya me imagina que habría algo así para la pesca, pero como me de peque me quede en la pesca de la trucha y ahí solo con el de naylon. Aunqeu tomo nota para mi próxima visita a la sección de pesca.
Avatar de Usuario
Por Katenmi
#1260596
ALF@ escribió:
Katenmi escribió:Gracias Katanero, pero bueno este fin de semana iré a Coruña y si ahí no lo encuentro entonces se lo pediré a los chinos.
Bueno haber si hay suerte y encuentras algo, de todas formas te dejo el link de donde lo compre http://www.ebay.es/itm/160858329884?ssP ... 1423.l2649, tambien tenes vendedores españoles. Si no a buscar secadores viejos :mrgreen:

Otra opcion que tienes es usar por el monento hilo de acero, no dura tanto pero para ir haciendo probatinas te valdrá y si me permites lanzarte una idea igual en vez de hacer un arco de 1,5m podrias hacerlo mas corto y manejable ya que si vas a cortar alas cortas una semi-ala cada vez y si vas ha hacer un ala muy grande la puedes cortar en varios trozos que luego se pegan.

Un saludo.
Muchas gracias alf, la verdad no se si hacerlo mas corto como tu dices, mas que nada porque igual no me entra en la mesa :lol:
Tengo un alambre que es el que voy a usar para tensar el arco junto con una goma elástica, pero no se si la resistencia que pueda generar me va a cascar el transformador y que si no genera igual me electrocuto :shock:
Avatar de Usuario
Por ALF@
#1260610
Katenmi escribió:Muchas gracias alf, la verdad no se si hacerlo mas corto como tu dices, mas que nada porque igual no me entra en la mesa :lol:
Tengo un alambre que es el que voy a usar para tensar el arco junto con una goma elástica, pero no se si la resistencia que pueda generar me va a cascar el transformador y que si no genera igual me electrocuto :shock:
De nada. Lo de hacer el arco algo más pequeño es por varias razones entre ellas es sobre todo su manejo y si el hilo es mas corto necesitas menos corriente para calentarlo. yo estuve haciendo probatinas con un trozo de unos 20cm alimentado directamente con una lipo, lo cual retomaré para hacer un arco de corte vertical para cortar con el hilo los fuses y no usar el cutter :mrgreen: . Es cuestión de darle al coco

si te da miedo que pete el trafo ponle un fusible para protegerlo de las sobretensiones.


Un saludo

¡Elija que Addons deben funcionar, utilice sólo lo que realmente necesita!