miliamperios.com

Bootstrap Framework 3.3.6

Más de una docena de componentes reutilizables construidos para proporcionar iconografía, menús desplegables, grupos de entrada, navegación, alertas, y mucho más ...

Todo lo relacionado con el estudio, diseño y funcionamiento de circuitos y componentes electrónicos relacionados con el radio control. Fundado el 4 de Octubre del 2006.

Moderador: Moderadores

#111064
Holas!
he estado dandole vueltas al tema de un controlador para brushless, no comprarlo sino hacerlo basado en chips que se puedan conseguir.. y me encontre esto:

Brushless DC motor controller
NE5570N

Others with the same file for datasheet:
SA5570, SA5570D, SE5570N, SE5570, NE5570

por lo que veo en las especificaciones, podria controlar un motor de 3 o 6 estatores (120 o 60 grados respectivamente). Incluye ademas un comparador PWM (Pulse Width Modulator), que es justamente el tipo de se~al de datos que emite un Rx hacia los servos.

Alguien que se maneje en electronica.. que opina de esto?

Adjunto link del datasheet: http://www.ortodoxism.ro/datasheets/philips/SE5570.pdf
Última edición por SerialK el Jue, 09 Mar 2006 7:42, editado 1 vez en total.
Por dorado
#111110
muy bueno el segundo el primero hay que estudiarlo mejor, solo un problema no creo ke sea muy util en aviones, pues por lo que veo hasta genera la curva trifasica por PWM vamos que con buenos transistores y este circuito hacemos un variador hasta para motores industriales.

El problema viene porke en principio en el esquema tipo se ve que usa transistores NPN y PNP los cuales para mover una potencia de por ejemplo 30 amps, tendriamos que irnos al 2n3055 en encapsulado TO03 que pesa un güevo y parte del otro y encima 3 con sus correspondientes complementarios, habria que ver como se comporta con los fet sin regulación y en el loopback de salida no da errores de comparaciòn y para.

Veo mas sencillo hacerlo con un pic (que ademas seguro que tienes que usarlo para atacar este circuito despues de interpretar la emisora). El unico problema que tienen los variadores para motores sin escobillas con respecto a las escobillas es que necesita 6 Fets, 3 N y 3 P , el control no es excesivamente complicado pero por supuesto mas que uno normal, pero se incrementa considerablemente el peso con 6 transistores a con 1, y con lo dificil que es conseguir fets SMD.

Yo ya habia pensado en una pequeña modificación en los motores Homemade sacandole la punta de la estrella y solo con 3 fets podriamos hacer que ande aunque creo que no dara la misma potencia. Seria un motor clasico paso a paso con comun.
Avatar de Usuario
Por SerialK
#111299
gracias Dorado, por el analisis. En efecto yo habia pensado mas o menos lo mismo, segun lo revisado estos chips manejan corrientes del orden de mA, y necesariamente habria que usar transistores para la potencia. Creo haber visto unos circuitos de motores paso a paso, donde usaban unos amplificadores operacionales como drivers, manejando algunos amperes. Estos OpAmp, venian varios dentro de un chip, y usandolo en paralelo aumentas la capacidad. Investigare sobre eso, puede que se encuentre algo util.
Respecto del PIC, tambien lo habia pensado, pero la verdad es que no he tenido mucha practica con esos. De hecho, por ejemplo arme un controlador de motores paso a paso con unas compuertas logicas y funciona de lujo...a pesar que muchos me aconsejaban usar un pic :)

Si te animas, podriamos hacer algunas pruebas... la verdad es que necesito un controlador trifasico para poder probar unos inventos (motores) que estoy haciendo..

Saludos!
Por dorado
#111507
si te va la logica es muy facil si solo quieres probarlos (no radiocontrolarlos) pistas un 555 un contador binario hasta 3 y conversor binario decimal, y a correr paso a paso..... para la salida 2 fets por fase puedes usar un bufer de salida.
Avatar de Usuario
Por SerialK
#111511
ok. para algunas pruebas (si gira o cosas asi) podria ser.. pero. hasta que velocidad RPM podria llegar con un 555? en realidad parte de mis pruebas es justamente tratar de llegar al limite de velocidad, lo que mas se pueda..
Por dorado
#111540
segun los datasheet creo ke llega hasta 100 khz lo cual serian 33 krpm en el sistema que te comento. Lo que te digo no lo he probado solo son ideas que se me pasan por la cabeza...
Por manuelcasaas
#111552
Perdonen que les de un consejo, trabajo la electrónica desde hace muchos años, me parece bien su entusiasmo, pero les digo que los componentes electrónicos, fiables para hacer un variador de poco peso, son muy dificiles de conseguir en el mercado regular, además son muy caros, y necesitarán también un equipo auxiliar complejo, no vale la pena meterse en ello, y menos teniendo en cuenta al precio que hoy se pueden conseguir, les aseguro que ahorraran dinero, tiempo y quebraderos de cabeza, espero que no les moleste mi opinión.
Saludos
Avatar de Usuario
Por SerialK
#111562
Gracias manuel,
estoy de acuerdo que posiblemente los equipos comerciales deberian ser mas economicos, pues se usan procesos de fabricacion en serie, y economias de escala.
Lamentablemente por estos lados no hay muchas opciones y para motores brushless tenemos una o quiza dos opciones de modelos, y mas encima caro! (sobre 80 euros). Cualquier otra cosa, habra que importarla.. con los cargos de aduana denuevo se encarece..etc
Estoy particularmente conciente que es importante que el equipo en cuestion sea confiable, pues una falla podria significar la caida de un modelo e incluso da~o a personas.
Pero este no es mi caso: necesito probar performance de motores brushless, todo eso en el taller, no en un modelo.
...y por otro lado, asi como me gusta fabricar los aviones (y no tanto los rtf), me gusta meterle un poco manos al asunto.. por ultimo se aprende en el proceso :)

saludos manuel, y gracias por tu tiempo :)
Por dorado
#111604
desde el principio deje claro que no iba a servir para aviones, por cierto yo tengo alguno homemade para motores convencionales en avione y vuelan con un coste de 5 euros terminado.

anoche entre el sueño y mi mujer gritando paque apagara se me colo una cosilla no son 30000 rpm sino 30000 rps que serian aprox 1800000 rpm osea que no creo que exista motor que te lo aguante....

Con que el 555 oscile a 3000 hz ya tendriamos una velocidad en motor de 60 krpm
Avatar de Usuario
Por MrFlower
#111631
Hola.
Eso es el tipico IC de control del cdrom del pc, tiene una pega na mas, que la etapa de salida esta dentro del mismo IC, por lo que la intensidad maxima esta muy limitada, servir te pue servir.
Otra cosa esque usa hall, el 95% de los motores para aeromodelismo almenos no llevan sensores, ese 5% es de unos modelos de graupner que si los llevan.

Es cierto que cada vez estan mas baratos, pero no dentro de españa, almenos que yo haya visto 50€ minimo y eso a mi me parece mucho dinero (que no digo que no lo valga). Los componentes son faciles de encontrar, un micro, 6 mosfets y unos AOs se encuentran en cualquier lao y por muy poco dinero.

Un saludo.
Avatar de Usuario
Por SerialK
#111649
anoche desarme unas cuantas tonterias electronicas (una unidad DAT mala y unos motores de PC)... y me ssurgieron un par de ideas, la primera, es que encontre en el DAT unos brushless curiosos.. en vez de "campana de imanes" tiene un disco. Lo comprobe con un peque~o iman: 8 polos (nsnsnsns) en un anillo continuo. Lo interesante eran las bobinas (6).. estas estaba pegadas en el circuito, formando un circulo justo bajo el anillo magnetico. No tenian nucleo! a lo mas la conduccion magnetica que la base de todo el asunto. No creo que giren muy rapido, pero poca fuerza no deben tener pues son los motores que usa para adelantar o rebobinar la cinta.. Lo que me dejo impresionado fueron las bobinas del brushless del cabezal.. mismo sistema, pero estas bobinas median 1/2 milimetro de espesor. Colgare unas fotos mas adelante.

Lo segundo. valdra la pena usar el estator de 4 dientes de un motor de venilador de PC? poniendole dos polos en la campana...ahi la cosa seria mas o menos como controlar un motor paso a paso bipolar, pero con menos bobinas y con una controladora paso a paso rapidas, podria llegar a girar veloz y con fuerza.. obviamente la controladora debera ser de otro tipo.
si alguien lo ha probado y no le funciono.. o no gano mucho, que me cuente su experiencia. Sino, hare la prueba yo mismo 8)

saludos y gracias por los aportes.
Avatar de Usuario
Por MrFlower
#112188
Hola.
En cuanto al dat, curioso, aunque no es novedad que los bobinados no tengan nucleo, hay motores coreless hasta pa aeromodelismo ya, se ven en motores de cola del helis electricos. Tambien se usan en aplicaciones de precision junto con un encoder, donde trabajo los usan para robotica, el mas grande es de unos 100W (el que usamos).

No, no sirve el ventilador de pc, ya he contestado eso en otros post, 4 estators es para motores brushless "monofasicos", el rendimiento llega a ser de menos del 40%. Girar girará, pero no merece la pena, se usa un motor brushed que normalmente tiene un 60% de rendimiento, o incluso un 70% como los plattemberg con imanes de neodimio, sobre un 80 o 90% tienen los trifasicos.

Un saludo.
Avatar de Usuario
Por Juan Eduardo
#114033
dorado escribio:

Veo mas sencillo hacerlo con un pic (que ademas seguro que tienes que usarlo para atacar este circuito despues de interpretar la emisora). El unico problema que tienen los variadores para motores sin escobillas con respecto a las escobillas es que necesita 6 Fets, 3 N y 3 P , el control no es excesivamente complicado pero por supuesto mas que uno normal, pero se incrementa considerablemente el peso con 6 transistores a con 1, y con lo dificil que es conseguir fets SMD



Hola amigos, yo estoy tratando de hacer un controlador con el pic16f84 ya lo tengo programado pero no lo he probado porque aun no me he hecho el programador y por lo que he leído no estoy tan equivocado en el funcionamiento ya que lo tengo pensado hacer con seis mosfet (aunque todos son N-channel) pero eso no importa ya que como los maneja el pic solo es ponerles ceros y unos a las salidas del pic y listo, digo esto porque puedo tener una solución a los elementos SMD, en los discos duros hay elementos de ocho patas (miniatuaras) principalmente en los discos duros SEAGATE estuve buscando el datasheet (creo que se escribe así) y el NDS9959 maneja 2A son mosfet N-channel dual (dos por cada elemento) alguien me comento que si quería manejar mas corriente simplemente lo colocara uno sobre otro y le soldara las respectivas patas y con eso se lograría manejar el doble de corriente, otro elemento que no es tan común en estos discos es el NDS9956A pero que los he encontrado es el NDS9956A también tengo el Datasheet y este maneja 3.7A por lo que con seis conectados en pares uno sobre otro se podría manejar una corriente de 7.4 no se si es suficiente pero el peso es insignificante además son baratos ya que conseguir discos duros dañados hasta en Colombia se consiguen y por lo general el daño en un disco es por el disco en si y no por la electrónica, en la mayoría de casos.

Un saludo
Avatar de Usuario
Por Juan Eduardo
#114052
Acá les muestro unos cuantos elementos que he podido sacarle a los discos duros, con los que también me hago los motores brushless, aunque solo tengo el Datasheet de los mosfet que les comento.
El problema es que en Colombia no venden los dichosos controladores por lo que la única forma es hacerlos ya que tampoco tengo los recursos para poder importar esos controladores, cosa que saldrá con impuestos de importación, IVA y gastos de envió por muchísimo mas de los 50 Euros, además el motor que tengo según el autor del motor http://www.e-aeromodelismo.com.ar solo consume 3.4 Amperios y me caería a las mil maravillas utilizar tres NDS9956A pero de los discos duros solo he conseguido un NDS9956A por lo que me va tocar utilizar seis NDS9959 que si los tengo ya que son mas comunes y por lo que me he dado cuenta con esos son con los que controlan el motor del disco duro ya que están en ternas alineados y muy cerca al motor.

Para los que están viendo la imagen aprecian que a algunos elementos no tiene algunas patas, eso fue por que al principio no sabia como sacarlos… Toca con el cautín bien caliente y una cuchilla (derretir la soldadura y levantar las patas con la cuchilla) o sino con el cautín bien caliente tratar de dañar las pistas de la PCB, es decir despegar las pistas de la placa y una ves despegadas ya es mas fácil de manipular el integrado
Adjuntos
SMD.jpg
integrados SMD
Avatar de Usuario
Por SerialK
#114084
exelente... veo que se va avanzando en el tema.
Anoche estuve buscando mas informacion y entre otras cosas, encontre un circuito bastante simple para convertir los PWM de se~al del RX en frecuencia. Manejando frecuencia se puede controlar un motor de escobillas normal (hay una explicacion de porque es mas eficiente de este modo). Pero lo interesante es que con algunas compuertas logicas se puede hacer una controladora bastante sencilla para un motor brussless.
Revisare los componentes de discos duros, a ver que encuentro :)
Luego les pondre links sobre lo que he ido encontrando.


Saludos!
Por antoniogon
#116336
Solo es una ocurrencia, pero dado que la union del transistor en realidad es muy pequeña ¿no se podria pasar el mosfet normal y de buena pot por el esmeril y dejarlo ligero?
Con 6 de 10A la Iutil seria de casi 60A
Avatar de Usuario
Por SerialK
#116427
hmm.. bueno, los transistores son baratos asi que en probar no se pierde mucho. En todo caso, no se si se ahorrara mucho peso, por ejemplo quitandoles el trozo donde se atornilla a un disipador, ya que yo creo que habria que ponerles un disipador de todos modos.. en todo caso, creo que se puede asumir ese costo de peso versus ganancia en potencia... y costos.
Avatar de Usuario
Por SerialK
#193851
retomando un poco este hilo...
que factibilidad hay de modificar un controlador brushless, reemplazando los transistores por algunos que soporten mayor carga, de ese modo aumentar los amperes maximos con los que se puede usar.
Otra solucion, podria hacer un accesorio adicional, que solo maneje potencia, al cual le conecte las entradas trifasicas y tenga salidas trifasicas de mayor potencia. Es decir, un amplificador.

Saludos!
Por vitervi
#197612
Hola a todos,


No se si estoy en el post correcto me gustaria saber si es aqui donde se puede conseguir hacer un variodor casero, o ameteur.

Gracias
Avatar de Usuario
Por SerialK
#197654
para hacer un variador casero, pero para motor CON escobillas, sigue este hilo:

viewtopic.php?t=771

Para motor brushless, por aqui va el hilo:

viewtopic.php?t=71

De todos modos, hasta donde he estado averiguando, hacer un ESC Brushless esta mas complicado de lo que parece...

Saludos!
Por vitervi
#199394
Hola a todos,

Me gustaria saber que es un variador en serio, lo pregunto porque tengo en mente algo pero no se lo que es, ya que lei una vez un projecto que hacia regular los ventiladores de un pc con un pic, a lo mejor es lo mismo.

Pero como no se lo que es?

Gracias y espero aprendiendo leiendo el foro
Por jasper
#199548
hola a todos.Veo muyyyy complicado lo de programar las PIC, de hecho ni las entiendo,yo soy de la generacion de las EEPROM.
Bueno a lo que iba...hace tiempo me encapriché de hacer un regulador para un avion, y después de varias semanas hice el modelo que os muestro a continuacion, la intensidad depende del FET que le pongas, con un buz11 va bien y movia un motor 400 sin problemas.Bueno lo dicho que si alguien quiere el esquema se lo paso.
un saludo a todos.

Pd: la broma sale por 6€,¿quien no se anima...?
Adjuntos
fotos varias 050.jpg
fotos varias 044.jpg
Avatar de Usuario
Por SerialK
#199562
se ve sencillo, podrias publicar el esquema con sus respectivos componentes..
Una consulta, este regulador tiene BEC?

Saludos!
Felipe
Por jasper
#199686
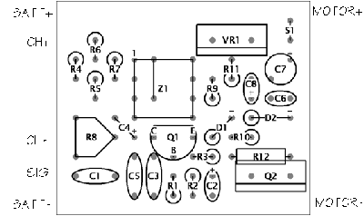
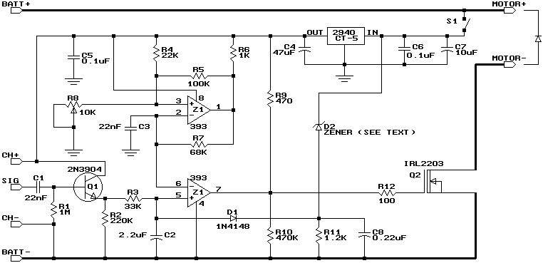
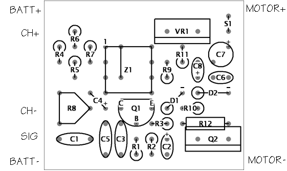
Ahí os lo paso.si teneis alguna duda me preguntais.Por cierto sí tiene BEC.
Hay que ver lo que hace un simple operacional de 0.60€...
Os comento que utilicéis un rotulador de punta muy fina para las pistas,os vais a dejar los ojos....si le ponéis el FET IRL2203 será una pasada,consultad las caracteristicas y veréis.
Un saludo a todos.
Adjuntos
escbecsc.gif
escbecsc.gif (7.47 KiB) Visto 7854 veces
escbecpl.gif
escbecpc.gif
escbecpc.gif (6.18 KiB) Visto 7847 veces
Por vitervi
#199882
Hola a todos,

Considero que la broma es algo barata, pero si sirve, me sirve.

Por cierto esto movera o controlara el motor hecho con el CD-ROM?


GRacias

¡Elija que Addons deben funcionar, utilice sólo lo que realmente necesita!