miliamperios.com

Bootstrap Framework 3.3.6

Más de una docena de componentes reutilizables construidos para proporcionar iconografía, menús desplegables, grupos de entrada, navegación, alertas, y mucho más ...

Fundado el 16 de diciembre del 2003.

Moderador: Moderadores

Avatar de Usuario
Por lig
#210061
Hola Juanpe.
Lo próximo va a ser un washout para el Js y más adelante quiero empezar a sacar planos de una mecánica eccpm con plato a 135º (140º comercialmente hablando) que tengo en mente desde hace tiempo. También estoy haciendo conversiones cnc a más máquinas y me imagino que tardare algún tiempo en acabar todo.
Tu padre y tú estáis con algo en mente??? :wink:
Un saludo.
Avatar de Usuario
Por valvulino
#210077
Gracias a los dos por la info, tomo nota sobre phemsa. De todas formas estaré unos diez dias :D
Avatar de Usuario
Por Juanpe
#210155
Saludos:

Pues nada ánimo, y a por ello.

Sobre el próximo proyecto... lleva tiempo mi padre detrás de mi para que empiece los planos de un gasolina grande, pero tengo poco tiempo libre últimamente, y ese trabajo requiere mucho mucho tiempo, y si me lio es para hacer un heli entero.
Avatar de Usuario
Por lig
#210172
OK Juanpe, lo del tiempo que lleva esto no me lo tienes que decir, lo se de sobra :lol: .
Suerte con el proyecto. :wink:
Avatar de Usuario
Por valvulino
#210325
La primera prueba fallida, he taladrado un tornillo a 2,3 en el torno, y como es un poco trasto, el taladro no está perfectamente recto, a broca ha terminado saliendo al final del tornillo por un costado. He probado a roscar y ha quedado bien, luego me lo he cargado al repasar con una eraja los hilos externos y ahí es cuando me lo he cepillado. Tengo que centrar el contrapunto en condiciones, esta revirado y la broca no entra perfectamente centrada.Por cierto, cuanto me puede salir un trozo de duraluminio como para hacer la base del cíclico?
Aproximadamente claro.
Avatar de Usuario
Por lig
#210327
Hola valvulino.
Tendrás que comprar el mínimo establcido pero no te saldrá caro.
Sobre los 6€.
Me imagino que antes de taladrar habrás punteado????
Yo el cíclico del AS50 no lo tocaba :lol: :lol: :lol:
Avatar de Usuario
Por valvulino
#210330
Es muy poca pasta, por ese dinero lo intento fijo, no me voy a quedar con las ganas. Hay dos cosas que me matan,
1 Desmontar el cíclico para tomar medidas y demás.
2 mecanizar algo en ese jodio torno, cada vez que llego tiene alguna liada, por lo tanto sería un atrevimiento dejar la pieza en el plato de un dia para otro, ya veremos.
Voy a encargar el trozo, y me lo traigo, que teniéndolo en cualquier momento me lio.
Avatar de Usuario
Por lig
#210332
Valvulino, el cíclico no lo podrás desmontar.
Si quieres las medidas del mio te paso los planos.
Avatar de Usuario
Por valvulino
#210343
Estaba escribiendo que se puede desmontar, pero me he fiado bien y efectivamente, la parte superior va remachada por el método juanpe a la pista interna del rodamiento, asi que ajo y agua. Me toca hacerlo entero. Tampoco tiene tanta dificultad hacer el plato de arriba. Me vendrían de perlas las medidas, pero no se si tu plato vale para el Airskipper 50. Si me puedes decir que rodamiento has empleado y donde comprar la rótula y todo lo que no pueda fabricar, te estaré agradecido. Sería bueno colocar un rodamiento de doble hilera de bolas para soportar las cargas axiales? Igual es una pasada, y con una sola pista va sobrado.
Otra cosa, me gustaría hacerla para los dos sistemas, por si un dia me da por poner la mezcla mecanica.
He llamado a phemsa y me ha ndicho que lo mínimo que cortan es 100mm, asi que con un cacho de 65x100 en barra lo saco bien.
Avatar de Usuario
Por lig
#210383
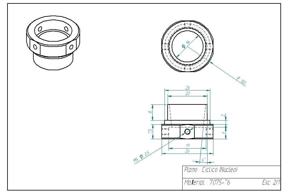
El rodamiento es exácto al que monta el AS50. Solo los tendrías que modificar para las distancias entre rotulas.
Aquí dejo los planos por si a alguien más le interesa.
Están también en dxf.
Adjuntos

[La extensión rar ha sido desactivada y no se mostrará en adelante]

Núcleo.jpg
Cuerpo.jpg
Avatar de Usuario
Por lig
#210393
La rotula la puedes conseguir en cualquier sitio de rodamientos. Es mejor que uses las que están libres de mantenimiento, son algo más caras pero van mejor. La que yo he puesto es de las normales pero también funcionan.
Avatar de Usuario
Por valvulino
#210401
Muchas gracias Lig, en semana santa voy a los madriles, buscaré la rótula y el rodamiento. Voy a fabricar un híbrido, voy a usar tus estupendos planos, pero con el sistema de fijación de juanpe. Eso si, me faltan dos patillas para hacer el sistema ccpm 120º.
Esa rótula para que se emplea ademas de en el cíclico? Es para facilitarle el tema al dependiente. Si no sube mucho compraré la de sin mantenimiento, que me imagino que llevará nylon.
Ya os daré la tabarra...
Si me sale bien, me pienso meter con la cola de lleno. Aprovecharé para encargar algo de material.
Por cierto se aceptan ideas para mejorar la cola del AS.
saludos
Avatar de Usuario
Por lig
#210406
El sistema de entallado es el mejor pero a parte de más laborioso deja el cíclico sellado y esto es un inconveniente a la hora de cambiar el rodamiento ya que te tendrías que hacer un cíclico entero por completo. Con el sistema de los tornillos o prisioneros salvas el cuerpo, sólo tendrías que repetir el núcleo que es más fácil. La rótula calculando bien el ajuste queda perfecto a presión.
Olvidandonos de estos inconvenientes el sistema de entallado desde luego que es el mejor.
Avatar de Usuario
Por lig
#210410
La rótula pidel de estas medidas:
d: 10mm
D: 19mm
c: 6mm
Adjuntos
rotula.jpg
Avatar de Usuario
Por valvulino
#210462
Estoy pensando, que como no tengo fresadora, podría dejar el cuerpo del cíclico entero, es decir sin tallar los brazos. Quedaría el anillo completo, simplemente con los taladros para las rótulas. Me fastidia el tema de los brazos, con la lima puedo tardar mil años.
A parte del peso, ¿que problemas puede tener? facilitaría muchísimo el tema.
Avatar de Usuario
Por lig
#210469
Pues creo que sólo tendrás el problema del peso que ya es bastante.
Piensa que la pieza del cuerpo acabada pesa 10 grs y sin mecanizar los brazos pesa 40 grs, es casi como si le metes un servo más al heli. :cry:
Avatar de Usuario
Por Juanpe
#210481
Saludos:

Otro problema que podrías tener sería la dificultad para extrer las rótulas de la parte interior del cíclico.
Avatar de Usuario
Por inflp
#210650
Hola y enhorabuena a los manitas, los trabajos son increibles.
¿Habeis fabricado alguna vez potapalas?, es que tengo un viejo helicoptero que tiene uno de los portapalas de cola roto, ya no hay repuestos para el y no consigo encontrar ningun portapalas compatible, ¿si os dejo el que esta sano de muestra seriais capaces de fabricarlos?, quiza me decida a arreglarlo.
Por supuesto que el trabajo se pagaria.
Avatar de Usuario
Por valvulino
#210669
Ok queda claro el tema del peso. las rótulas no sería problema sacarlas ya que el AS50 las lleva bastante largas. Las interiores algo mas complicadas seria. Creo que en principio lo mecanizaré todo en el torno y después intentaré eliminar todo el material sobrante. Ya veremos que acabado queda...
Avatar de Usuario
Por lig
#210768
Hola Inflp.
Yo ahora estoy bastante liado con todo lo que tengo pendiente pero más adelante podriamos hablarlo.
Lo tengo en cuenta :wink:
Un saludo.
Avatar de Usuario
Por inflp
#210786
Gracias lig, no hay prisa, saludos y suerte con tus proyectos.
Avatar de Usuario
Por lig
#211483
Hola Frank.
A que te refieres, al material para el cíclico???

PD: Espero que te encuentres mejor. :wink:
Avatar de Usuario
Por valvulino
#211486
lig, no lo había leido, no es que sea mal ciclico el del AS50, pero tengo ganas de hacerle alguna cosita. He visto en el foro de compraventa un compañero que vende un vario, y el plato cíclico es circular, pongo una fotillo para que veas. Esto sería mucho mas sencillo de hacer al no tener fresadora. El cíclico de origen ni lo toco, que vale una pasta.
Frank, he leido en otro hilo que el ojo no marcha bien, cagüen la leche. Tu desgraciado accidente ha servido para que aumente mi respeto por estos chismes. Ánimo compañero.
Adjuntos
HPIM0844[12].jpg
Plato cíclico circular.
Avatar de Usuario
Por lig
#228936
Hola.
Se me olvidaba comentaros que el cíclico ya lo probé y funciona correctamente.
El cambio fue abismal, el js parecia otro pero esto no es solo por el cíclico ya que también le puse servos sin holguras (no como los 3010 que tenia montados) y cambie todas las rotulas (las que tenia eran pesimas).
Un saludo.

¡Elija que Addons deben funcionar, utilice sólo lo que realmente necesita!