miliamperios.com

Bootstrap Framework 3.3.6

Más de una docena de componentes reutilizables construidos para proporcionar iconografía, menús desplegables, grupos de entrada, navegación, alertas, y mucho más ...

Todo lo relacionado con el estudio, diseño y funcionamiento de circuitos y componentes electrónicos relacionados con el radio control. Fundado el 4 de Octubre del 2006.

Moderador: Moderadores

Avatar de Usuario
Por esco
#109356
Un aeromodelista, no hace un comentario tan desafortunado.

Saludos
Esco
Por hagar0
#109521
tete creo que te has pasado!!!

a lo mejor a ti esto te importa una ....................... solo digo que a lo mejor pero hay gente que quiere cuidar las baterias y entreteniendose con todo y creo que hay que respetarla.

muchas gracias por el descargador. intentare hacer uno si sale bien ya os aviso.
Avatar de Usuario
Por rafaelct
#109586
Dicho popular: "La miel no está hecha para la boca del asno"
saludos a to kisqui
Avatar de Usuario
Por jumasuro
#109848
Esco, gracias por el esquema, a ver si consigo montarlo para ver que tal va; si alguien lo consigue antes que ponga unas fotillos y comente que tal.
Tete, no suelo juzgar los comentarios de ningún forero, asi que solo decirte que lo que ahora te parece de estúpidos quizás mañana no te lo parezca tanto y sino tiempo al tiempo, quizás algún día te apetezca dejar de oler a nitro y entonces es posible que esta "afición" de descargar baterías sin volar te parezca interesante, todo se andará.
Un saludo.
Por tete
#109967
Quien dice q yo no lo respete? Antetodo creo q es algo esencial el respeto a uno mismo y los demas es una de las leyes basicas para la convivencia tanto con nosotros mismos como con otros animales como el asno que aunque unos lo ven como un pobre desgraciado es un animal como cualquiero otro. Auqnue entiendo por donde iban los tiros no me importa no vengo a insultar solo era, es y lo sera una simple broma.

Respecto a lo de descargar las baterias lo veo una forma facil de acortarles la vida mas q alargarsela, es un proceso quimico que se puede repetir x veces, digamos q unas 500 o mil veces da igual de lo uniforme de la descarga. Sinceramente bajo mi humilde perspectiva y sabiendo lo poco que se sobre la generacion de potencial por medios quimicos.... no lo veo a menos q las vallas a tener un tiempo paradas sin utilizar.
Avatar de Usuario
Por jumasuro
#110294
Tete, ¿y como harías si después de volar se ha quedado el pack de baterías a 1/4 de carga por poner un ejemplo y quieres volver al día siguiente? ¿las cargarías sin haberlas descargado completamente? no se, no se, yo no tengo mucha idea de baterías ni procesos químicos, pero por lo que comentan los que algo saben, las nicd y las nimh tienen efecto memoria y no es bueno cargarlas cuando están a media carga.
Un saludo.
Avatar de Usuario
Por rafaelct
#110578
Sabio consejo amigo ESCO. Los que sabemos leer y oir seguiremos aprendiendo
saludos a to kisqui
Por isarogon
#111027
y si a la bateria le conecto una bombillita de 6 voltios y a esperar que brille poquito y una vez eso comprobar con un polimetro? asi lo hago yo y sin problemas hasta ahora
Por tete
#111203
Aunque se q no soy bien recibido creo oportuno exponer mis puntos de vista aportando ,como no, bases las cuales por ahora ninguno veo q tenga bases expuestas sobre el bien q le hace a nuestras baterias descargarlas yo ante todo respeto q cada uno aqui se quiera lucir pues bueno yo no me tiro al rio si todos se tiran y creo q mas gente pensara como yo....


NO ES BUENO DESCARGAR LAS BATERIAS CUIDADO!!!!!!




Issue:

Issues and information on LI-ION batteries.

Additional Information:

Li-ion batteries are a fragile technology requiring protector circuit; the Li-ion is used where very high energy density is needed and cost is secondary.

Types of Li-ion batteries Peak Voltage on charge End-of-discharge voltage Choice of C-Code on analyzer
Coke: 4.2V 2.5V Coke
Graphite-1: 4.1V 3.0V Graphite
Graphite-2 4.2V 2.5V Coke

Pioneering work for the lithium battery began in 1912 by G. N. Lewis but it was not until the early 1970's that the first non-rechargeable lithium batteries became commercially available. Attempts to develop rechargeable lithium batteries followed in the eighties, but failed due to safety concerns.

Lithium is the lightest of all metals, has the greatest electrochemical potential, and provides the largest energy content. Rechargeable batteries using lithium metal as an electrode are capable of providing both high voltage and excellent capacity, resulting in an extraordinary energy density.

After much research during the eighties, it was found that occasional shorts from lithium dendrites could cause thermal run-away. The cell temperature quickly approaches the melting temperature of lithium which results in violent reactions. A large quantity of rechargeable lithium batteries sent to Japan had to be recalled in 1991 after a battery in a cellular phone exploded and inflicted burns to a man's face.

Because of the inherent instability of lithium metal, especially during charging, research shifted to a non-metallic lithium battery using lithium ions from chemicals such as Lithium-Cobalt Dioxide (LiCoO2 ). Although slightly lower in energy density than with lithium metal, the Li-ion is safe, provided certain precautions are met when charging and discharging. In 1991, Sony commercialized the Li-ion and is presently the largest supplier of this type of battery.

Distinct advantages of today's Li-ion batteries are:

The energy density of the Li-ion is at least twice that of the NICAD and its load current rating is reasonably high. In addition, the Li-ion has a relatively low self-discharge.

No memory effect

500 to 800 charging cycles

Negative attributes of today's NiMH batteries are:

Susceptible to damage from overcharge and over discharge.

Charging: Only use battery chargers especially designed for the Li-ion battery.

Caution: Li-ion batteries have a very high energy density. Exercise precaution when handling and testing. Do not short circuit, overcharge, crush, mutilate, nail penetrate, apply reverse polarity, expose to high temperature or disassemble. High case temperature resulting from abuse of the cell could cause physical injury. Never try to charge a non-rechargeable lithium battery! Attempting to charge these batteries can cause explosion and fire which spreads toxic material that can inflict injury and damage equipment.

Important: In case of rupture, leaking electrolyte or any other cause of skin or eye exposure to the electrolyte, immediately flush with water. If eye exposure, flush with water for 15 minutes and consult physician.



Un poco de historia...
Avatar de Usuario
Por jumasuro
#111345
Hola tete, no se si te fijaste pero el descargador que se comentaba al principio del post es para baterías nicd y nimh, las lipos y las li-ion tienes razón que no es necesario descargarlas por no tener efecto memoria, pero el descargador era para los otros tipos de baterías.
Por cierto, al menos por mi parte no tengo ningún problema contigo y eres bienvenido en este post y el resto estoy casi seguro que tampoco tienen ningún problema contigo, simplemente que daba la impresión de que discutías lo de las baterías por crear polémica y además parecía que te burlabas de la gente que quería hacer el descargador, pero como ves todo tiene explicación, los que preguntábamos (la mayoría) lo hacíamos para descargar pack de nicd y nimh y tú lo decías por packs de li-ion. :D
Un saludo.
Por tete
#111374
Cierto estaba hablando de las li/ion, entonces estoy deacuerdo con la descarga de las demas y si, me gusta discutir o poner en debate cierto temas creo q se puede aprender poniendo a debate puntos de vista. :oops:

Aqui os dejo lo q seria conveniente sobre las nimh para descargarlas y un poco de historia, tambien si no lo lees todo explica como devover a la vida baterrias q no acaban de ir despues de un largo tiempo sin utilizar.


Nickel Metal Hydride Batteries
Characteristics


Nickel-metal-hydride batteries are related to sealed nickel-cadmium batteries and only differ from them in that instead of cadmium, hydrogen is used as the active element at a hydrogen-absorbing negative electrode (anode). This electrode is made from a metal hydride usually alloys of lanthanum and rare earths that serve as a solid source of reduced hydrogen that can be oxidized to form protons. The electrolyte is alkaline potassium hydroxide. Cell voltage is 1.2 Volts

The NiMH battery was patented in 1986 by Stanford Ovshinsky, founder of Ovonics.

The basic concept of the nickel-metal hydride cell negative electrode emanated from research on the storage of hydrogen for use as an alternative energy source in the 1970s. Certain metallic alloys were observed to form hydrides that could capture (and release) hydrogen in volumes up to nearly a thousand times their own volume. By careful selection of the alloy constituents and proportions, the thermodynamics could be balanced to permit the absorption and release process to proceed at room temperatures and pressures.

Now that the technology is reasonably mature, NiMH batteries have begun to find use in high voltage automotive applications. The energy density is more than double that of Lead acid and 40% higher than that of NiCads

They accept both higher charge and discharge rates and micro-cycles thus enabling applications which were previously not practical.



The components of NiMH batteries include a cathode of Nickel-hydroxide, an anode of Hydrogen absorbing alloys and a Potassium-hydroxide electrolyte. Like NiCd batteries, Nickel-metal Hydride batteries are susceptible to a "memory effect" although to a lesser extent. They are more expensive than Lead-acid and NiCd batteries, but they are considered better for the environment.



Losing market share to Lithium batteries.



Advantages
High energy density

Typical cycle life is 500 cycles (less than Nicads).

Can be deep cycled.

Using NiMH batteries, up to 3000 cycles at 100 % Depth of Discharge (DOD) have been demonstrated. At lower depths of discharge, for example at 4 % DOD, more than 350.000 cycles can be expected.

Robust - NiMH batteries also tolerate over charge and over discharge conditions and this simplifies the battery management requirements
.

Low internal impedance

Flat discharge characteristic (but falls off rapidly at the end of the cycle)
Wide operating temperature range

Rapid charge possible in 1 hour

Trickle charging can not normally be used with NiMH batteries since overcharging can cause deterioration of the battery. Chargers should therefore incorporate a timer to prevent overcharging.

Because of potential pressure build up due to gassing they usually incorporate a re-sealable vent valve

AQUI PONE COMO DEVOLVERLAS A LA VIDA

Reconditioning is possible.

Environmentally friendly (No cadmium mercury or lead)


Shortcomings
Very high self discharge rate, nearly ten times worse than lead acid or Lithium batteries.

Can be stored indefinitely either fully charged or fully discharged. Suffers from memory effect though not as pronounced as with NiCad batteries

Battery deteriorates during long time storage. This problem can be solved by charging and discharging the battery several times before reuse. This reconditioning also serves to overcome the problems of the "memory" effect.

High rate discharge not as good as NiCads

Less tolerant of overcharging than NiCads

As with NiCads the cells must incorporate safety vents to protect the cell in case of gas genertation.

The coulombic efficiency of nickel metal hydride batteries is typically only about 66% and diminishes the faster the charge.

While the battery may have a high capacity it is not necessarily all available since it may only deliver full power down to 50% DOD depending on the application.

Cell voltage is only 1.2 Volts which means that many cells are required to make up high voltage batteries.

Lower capacity and cell voltage than alkaline primary cells.

Charging
Run down fully once per month to avoid memory effect.

Do not leave battery in charger.
Slow charging method: Constant current followed by trickle charge.

Rapid charging method uses dT/dt charge termination.

Use timer cut off to avoid prolonged trickle charge.

Applications
Low cost consumer applications

Electric razors

Toothbrushes

Cameras

Camcorders

Mobile phones

Pagers

Medical instruments and equipment

Automotive batteries

Costs
Originally more expensive than NiCad cells but prices are now more in line as NiMH volumes increase and the use of toxic Cadmium based cells is deprecated.
Avatar de Usuario
Por esco
#111476
Eres un fenomeno pero por favor aporta algo que valga la pena. El otro día vacilastes a nuestro amigo Ron, eso no se hace, cuando tu sepas la decima parte de lo que Ron domina, seras viejo, mientras respeta a los demas, como ellos te respetan.TIENES UNA OPORTUNIDAD MAS, NO LA TIRES EN SACO ROTO.

Tu Amigo
Esco
Avatar de Usuario
Por Lucky_Flight
#139861
Hola a todos:

He comprado los elementos para construir el descargador de 4 elementos. Sólo comentar en la tienda me han recomendado que la resistencia de 4,7 ohm sea con 4 w, para que se caliente menos. Que por lo demás es igual.

¿Que opinais los expertos, le pongo la de 4 w o me compro una de 2 w?. Gracias.

Saludos,
Avatar de Usuario
Por esco
#139866
Con la de 2W aguanta sobradisimo pero no pasa nada por que pongas la otra.

Saludos
Esco
Avatar de Usuario
Por Lucky_Flight
#145053
Bueno, ya hice mi primer descargador, el de 4 elementos, y me funciona perféctamente. Ahora quería hacer el descargador para 8 elementos, para la emisora, ya que intuyo que a pesar de que me avisa de que la batería se está agotando no termino de descargarlo nunca.

He consultado este hilo, y he visto en el segundo mensaje publicado por Enric, la imagen del descargador para la emisora, que incluye el conector de alimentación de la emisora. Con esto entiendo (si estoy equivocado, decídmelo) que se puede descargar la batería estando conectada en la emisora....... y la cuestión más importante: ¿A donde va conectado el positivo, al centro o al extremo?

Saludos,
Avatar de Usuario
Por Enric Hernandez
#145122
por supuesto que se puede, a no ser que tu emisora lleve un diodo en la toma de carga, para impedir que si por ejemplo, durante el proceso de carga "se va la luz" la bateria se descargue a traves del cargador. Tengo una futaba fc16 que lo llevaba, pero lo puenteé. la ff9 no lo lleva(parece ser que lleva algun dispositivo para limitar la corrient.e de carga o descarga, pero es posible descargar la bateria sin desmontarla de la radio).si dices que radio es, igual alguien lo sabe. Respecto a la polaridad, las futaba y robbe, el positivo va al centro, eso es lo usual, pero hay radios, como por ejemplo las graupner (en concreto la mc-10 de un compañero) lo que va al centro es el negativo. Lo mejor es que cojas el cargador, y compruebes su polaridad en el mismo conector.De todas formas, si te equivocas en la polaridad al construir el descargador con diodos, no pasa nada, simplemente no te funcionara.
saludos y suerte....y sigue informando.


Enric
Avatar de Usuario
Por Lucky_Flight
#145297

Gracias Enric por la respuesta. Mi radio es una Hitec Laser 4. Como parece que no pasa nada por equivocarte por la polaridad, me pondré a hacerlo y comprobaré el resultado.

Gracias de nuevo. Saludos,
Avatar de Usuario
Por jguegon
#147363
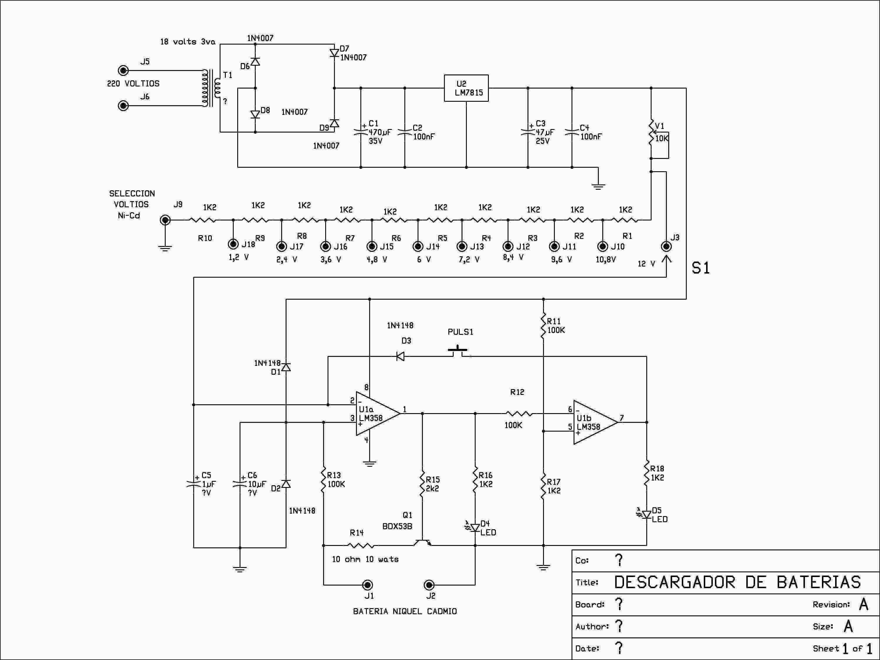
Bueno, yo en mi caso, tengo un descargador parecido al esquema que publica ESCO, en un post anterior, lo saqué de una revista hace años, y permiter descargar baterias de NICD o de NIMH desde 1 elemento hasta 10 elementos.

Las baterias que no uso, las guardo cargadas, y en "flotacion", es decir, con una minima corriente de carga, por tiempo indefinido, con el objeto, de que no se vean afectadas por autodescarga, asi, las tengo siempre listas, pase una semana, un mes, o un año.

Una espinita que tengo clavada, es comenzar a experimentar con baterias lipo, que conociendome como me conozco, no tardaran en llegar hasta mis manos.
Avatar de Usuario
Por Lucky_Flight
#149424
Bueno, pues ya me he construido el descargador para la emisora. Después de varias pruebas, no he conseguido que funcione utilizando el conector a donde va el cargador. Si le aplico corriente, funciona bién, pero con la emisora parece que tiene algún sistema para que pueda entrar corriente........ pero salir no......

En fin, si creeis que hay algún sistema sencillo para poder descargar desde la entrada de carga, decídmelo por favor. Mientras tanto tendré que abrir el compartimento de la batería y enchufarla directamente al descargador, que tampoco es para tanto, ¿no os parece?.

Saludos, y gracias a todos.

Avatar de Usuario
Por jguegon
#149512
No consigues descargar, porque probablemente tiene un diodo que previene los cambios de polaridad, cuando se enchufa el sistema de carga.

Soluciones:

1- Quitar ese diodo, (Poco aconsejable)

2- Descargar la bateria quitando el compartimento de pilas, y conectando unos cables a ambos extremos de la bateria

3- Quitar las pilas, ponerlas en un portapilas, y descargar
Avatar de Usuario
Por Enric Hernandez
#150109
jguegon escribió:
1- Quitar ese diodo, (Poco aconsejable)
Pos yo creo que puede quitarse (puentearse, para ser mas estrictos, si lo quitas, ni cargas ni descargas ni nada....
Yo se lo quité a mi Futaba fc 16 y ningun problema.....
Avatar de Usuario
Por jguegon
#150157
que fino hilas, pero creo que "me se entendió".

Yo prefiero no puentearlo, me gusta esa proteccion, hay veces que uno, con tanto traqueteo, tiene algun fallo, y cuantas mas defensas contra los errores, mejor.
Avatar de Usuario
Por zotfidjy
#157682
Hola era para saber si alguien habia hecho ya l descargador que ha propuesto Esco ya que estaba pensando en hacerlo y queria saber si esta probado. Gracias
Avatar de Usuario
Por jguegon
#158102
Yo uso este del archivo, y va de coña
Adjuntos
ESQUEMA.jpg
Avatar de Usuario
Por Lucky_Flight
#203631
Hola a todos:

Vuelvo de nuevo a la carga con el tema del descargador.

Me fabriqué un descargador para 4 elementos con 5 diodos. Si divido 3.5V que me dan los diodos por 4, me sale que quedan a 0,87V cada elemento.

Ahora quiero hacer que sirva el mismo para 5 elementos. He añadido dos pines y jumper para que me funcione para 4 o 5 elementos dependiendo de si el jumper está abierto o no. Yo en mi ignorancia, y por conseguir un ratio parecido al de 4 elementos, he añadido un diodo de 0.7V y otro de 0.3V. He comprobado que la descarga de 4 elementos me la hace bien, pero el de 5 no. Ahora sé que es porque no puedo mezclar diodos de diferente tipo, porque funciona erráticamente.

En base a todo esto, mi pregunta es que conviene más para 5 elementos poner 6 o 7 diodos. Con 6 diodos me da una descarga por elemento a 0.84V y con 7 me da una descarga a 0.98V. ¿A 0.84V irá bien, o me estoy pasando de descarga?.

Gracias y saludos,
Avatar de Usuario
Por jguegon
#203693
mejor 0.98 voltios por elemento, incluso hay descargadores que te cortan la descarga a 1 voltio por elemento.

El mio lo tengo para que corte a 0.9voltios por elemento.
Avatar de Usuario
Por zotfidjy
#203928
Buenas yo he comprobado que si descargas mas de 1v por elemento despues el rendimiento baja mucho, lo noto en los tiempos de vuelo. Asi que por experiencia yo no descargo mas de 1v, me ha tocado añadir diodos a los 3 descargadores que habia hecho, para paks de 7, de 4 y de 8. Es mejor quedarse largo que corto, 0,7v en un pack de 5 son 0,14v solamente por elemento. Saludos
Avatar de Usuario
Por Enric Hernandez
#203956
yo tambien creo que lo mejor es no bajar de 1 voltio, la bateria ya está descargada a 1 voltio., pero ....dudo que se resienta el rendimiento al bajar a 0.9 o 0.8. LLevo años haciéndolo y mis pacs estan en forma....
Por anukdia
#217166
He construido, a partir de tus esquemas un descargador para una bateria de 7 elementos con 10 diodos y la resistencia tal y como indicas.
RESULTADO: SIMPLEMENTE FABULOSO.
ahora construire otro para el pack de 4 elementos.

Gracias al desinteres de gente como los tu, el hobby se nos hace mas accesible.

saludos

¡Elija que Addons deben funcionar, utilice sólo lo que realmente necesita!