miliamperios.com

Bootstrap Framework 3.3.6

Más de una docena de componentes reutilizables construidos para proporcionar iconografía, menús desplegables, grupos de entrada, navegación, alertas, y mucho más ...

Fundado el 19 de Octubre de 2004. Todo sobre construcción clásica, nuevas tecnologias en materiales y herramientas.

Moderador: Moderadores

#1025741
En primer lugar y dado que no escribo nada a menudo en el foro, saludaros a todos.

Mi intención con este post es mostrar mis avances en la construcción de una fresadora CNC.

Por lo que he podido comprobar estos dias, en este foro ya se ha escrito mucho sobre el tema (aún no he logrado asimilar todo lo que hay...) La idea es que si actualmente hay alguien al que le ronda por la cabeza esto mismo, o que está iniciándose en este tema, pueda aportar información a este hilo...

Paralelamente, he de ir leyendo los anteriores,jejeje...

Bueno, en primer lugar, esta tarde he estado echándo un vistazo por las tiendas de bricolaje que hay por mi zona (Alcoy, Alicante), buscando materiales que he visto que habeis usado y esto es lo que he ido encontrando de interés:

En una tienda de bricolaje industrial:
Varilla roscada de 1m y 20mm de diámetro de acero ---> unos 3e
Varilla roscada de 1m y 20mm de diámetro de acero inoxidable ---> unos 40e

Aqui la duda que me surge es:
¿Sirven estas varillas roscadas comunes o se requiere algun tipo especial??


En un AKI: (supongo que se pueden dar nombres.... me ha parecido verlos en algún post...)

Tubo de acero de 1m y 20mm de diámetro ---> 6.45e
Tubo de acero de 1m y 10mm de diámetro ---> 3.95e

Varilla de acero inoxidable de 1m y 12mm de diámetro ---> 34e

En otros post he visto el MDF, en el AKI también tienen:

Plancha 60x29.5, grosor 10mm ---> 2.25e
Plancha 60x29.5, grosor 19mm ---> 2.95e
Plancha 1200x600, grosor 10mm ---> 5.45e
Plancha 1200x600, grosor 16mm ---> 7.95e
Plancha 1200x600, grosor 19mm ---> 9.45e

Bueno con estos materiales ya me da para calentarme la cabeza viendo como combinarlos para fabricar la bancada y la base. Tengo pensado que la parte movil se apoye en dos varillas sin rosca y que el movimiento se transmita girando la varilla roscada.

Bueno, creo que por hoy ya esta bién, a medida que me informe y mire materiales iré avanzando, espero que si hay alguien que esté en mi situación se anime a participar, amen de aquellos ya experimentados a los que les apetezca echarnos un cable.
#1025775
rauvape escribió: En una tienda de bricolaje industrial:
Varilla roscada de 1m y 20mm de diámetro de acero ---> unos 3e
Varilla roscada de 1m y 20mm de diámetro de acero inoxidable ---> unos 40e

Aqui la duda que me surge es:
¿Sirven estas varillas roscadas comunes o se requiere algun tipo especial??


En un AKI: (supongo que se pueden dar nombres.... me ha parecido verlos en algún post...)

Tubo de acero de 1m y 20mm de diámetro ---> 6.45e
Tubo de acero de 1m y 10mm de diámetro ---> 3.95e

Varilla de acero inoxidable de 1m y 12mm de diámetro ---> 34e

En otros post he visto el MDF, en el AKI también tienen:

Plancha 60x29.5, grosor 10mm ---> 2.25e
Plancha 60x29.5, grosor 19mm ---> 2.95e
Plancha 1200x600, grosor 10mm ---> 5.45e
Plancha 1200x600, grosor 16mm ---> 7.95e
Plancha 1200x600, grosor 19mm ---> 9.45e
pues bienvenido y suerte en tu construccion, ahora los comentarios :mrgreen:
lo primero seria saber que tipo de maquina te has planteado o para que materiales, pues si son blandos y sin necesidad de mucha precision, te podrian servir los que comentas, hay muchos ejemplos de maquinas en MDF y varilla roscada normal, pero ten en cuenta que una varilla roscada industrial esta hecha con 'peine', no con roscadora, por lo que la exactitiud del hilo y los bordes no son lo que debieran, con un uso mediano te comeran las tuercas que uses para la transmision y te haran holguras, para un uso ligero si podrias pasar con ellas o por lo menos para una prueba del montaje, luego ya iras mejorandola seguro :mrgreen: , el uso de un tubo o un elemento macizo para las guias, dependera tambien de la exactitud y peso de los montajes que hagas, ( el tubo a igual diametro tendra un mayor pandeo que la guia maciza ), pero hay mejores cabezas por aqui pera ir aconsejando :lol:


saludos
#1025870
Sukoi tiene razon.. hay que plantearse para que quieres la maquina al final.
En mi caso, mi objetivo es conseguir construir la fresadora lo primero y que funcione, estoy utilizando materiales relativamente baratos (varilla roscada, mdf), pero la idea es ir mejorandola despues..

No hay que ser impaciente, es mas bonito aprender como funcionan las cosas que empezar a comprar componentes carisimos..
#1025963
Hola, pues sesa11 yo pienso como tu, primero en construir algo que funcione y con el tiempo y la experiencia obtenida ir mejorando el diseño.

En principio solo tengo pensado trabajar con deprón, mis planchas son de 1000x700 y quisiera poder tener una superficie de fresado que pudiera acercarse a esas medidas, por lo menos en lo largo... pero bueno ya se verá lo que dan de si estos materiales.

En su día encontré esta página en la que hay una serie de circuitos para el control de los motores PaP y algo de software. La configuración que tengo en mente es como la que aparece en la pagina, os dejo el enlace, igual ya lo conoceis...

http://melca.com.ar/

Hay un driver para motores bipolares de hasta 2 amperios, ¿Que consumo habeis medido en vuestros motores??

Saludos.
#1025978
Buenas, respecto a las varillas roscadas, a menos que quieras hacer una máquina de gran precisión y que te dure toda la vida, te servirán. Lo que si que te aconsejo es que uses unas 'tuercas' de material sintético (nylon, teflon, delrin...) que te las puedes hacer tu mismo a partir de una barra, simplemente cortando unas 'rodajas, taladrando y roscando con un macho. De esta manera reduces holguras, rozamientos, vibraciones, etc.

Un saludo.
#1025994
hay un problema con los drivers de melca o los de esteca de 2 amperios.. yo por ejemplo compre unos motores curiosos de potencia (nema 23 1.4Nm) y ya consumen 2.1 amperios en bipolar serie..
El driver queda al limite, funcionara, pero se calientan demasiado. Lo ideal serian unos drivers de 3.5 amperios para arriba y valen una pasta..
El problema es lo de siempre.. que tu compres unos motores pequeños para cortar depron y quieras hacer algo en okumen o aluminio y no tengas fuerza por no haber comprado unos motores mas potentes.. El dilema de comprar componentes caros o ahorrar dinero.

El diseño de melca esta bien, yo construi el de esteka que es practicamente el mismo en los drivers. Si necesitas esquemas de drivers mas potentes te los paso, no hay problema.
#1025997
rauvape escribió:En principio solo tengo pensado trabajar con deprón, mis planchas son de 1000x700 y quisiera poder tener una superficie de fresado que pudiera acercarse a esas medidas, por lo menos en lo largo... pero bueno ya se verá lo que dan de si estos materiales.
Uff, yo te recomendaria que no pasaras del metro de longitud, mas que nada por holguras en las varillas roscadas (pandean..) Son mejores las de Acero inoxidable, mas duras.

Yo parti de unos planos de tablero de corte 1000x450mm aproximadamente y es un monstruo que no veas.. Al final la he dejado de 600x450mm
#1026245
Hola, una idea... si necesitas esos recorridos superiores al metro, plantéate el uso de correa (menos precisión que un husillo de calidad, pero puede estar a la par de lo que estás mirando).

Una varilla roscada de 20mm pesa una tonelada (problemas de inercia para los motores) y con un paso tan pequeño, moverte de esquina a esquina... puedes echarte una cervecita agusto.

Una idea: http://www.youtube.com/watch?v=cWXKaSa_ ... 2BC26E1B03

Salu2
#1029121
Hola a todos...

Bueno después de estar un par de tardes meditando sobre el asunto, al final he decidido dejar un poco de lado la fabricación de la fresadora y centrarme en su electrónica. La idea es poner en funcionamiento el sistema CNC de melca.com.ar y ver que sensaciones me da...Ya se que con estas placas no se pueden hacer milagros pero por otro lado, yo disfruto con el deprón y no se me pasa por la cabeza fresar madera ni aluminio ni nada parecido.

Todos aquellos que hayan construido un avioncito en depron como los pusher que hay por rcgroups sabran lo tedioso que resulta imprimirse una veintena de folios, unirlos, recortar las plantillas, calcarlas sobre el deprón y tirar de cutter :( :( ... todo eso te come dos tardes largas :shock: .... pues bien ahí es donde entra en juego la fresadora.....poder ahorrarme todo eso,jejeje.

Bien, esta semana me ha entrado un arrebato de diógenes y he ido acumulando varias impresoras viejas para ver lo que se podía aprovechar. Aqui os pongo algunas cosas que he obgtenido:

Motores paso a paso:

EPSON EM-289 y EM-293

P1000121.JPG
Motores PaP bipolares
P1000121.JPG (58.02 KiB) Visto 3729 veces
Estos motores tiene 4 hilos por lo que supongo que son bipolares. Por otro lado, en la placa de control de la impresora encuentro que los motores PaP son controlados mediente dos integrados

LB1847 y A3956SLB

que proporcionan hasta 1.5A de corriente por lo que estos motores se podrán emplear con las placas de melca. En cada motor también se lee "6A", no se si será la corriente máxima... no sé...

Otro elemento interesante es la fuente de alimentación que proporciona 5V para la electrónica de control y 42V para los motores.
P1000127.JPG
P1000127.JPG (55.77 KiB) Visto 3729 veces
El driver de melca especifica que como máximo se empleen 40V... también probaré con 12V. Aquí puede haber un problema y es que la fuente esté dimensionada para solamente 2 motores...bueno, se verá...

De entre las impresoras también he obtenido correas varias, varillas, condensadores, disipadores, etc. Incluso en un escaner he encontrado un L298...a la saca :) :
P1000123.JPG
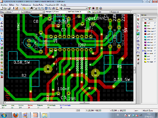
Por otro lado he avanzado en la fabricación de los drivers. He rediseñado la pcb para poder aprovechar algunos componentes que tenía. Para ello he utilizado el Kicad (opensource).
Pantalla.png
Este programita es muy simple comparado al orcad o al altium por ejemplo, pero de sobra para esto... con un poco de suerte esta semana puedo fabricar la placa, ya os pondré alguna foto...

Ciertos componentes los he adquirido a RS: http://es.rs-online.com/web/. Por mi zona no hay ninguna tienda de electrónica que se precie por lo que he de recurrir a RS o a Farnell. En RS también hay mucho material que podría emplearse en la construcción de una fresadora, otra cosa será el precio....

Por ejemplo para los L298 y L297 se tiene:

L297 ref: 636362 5.98 eur
L298N ref: 636384 3.89 eur

Actualmente estoy revisando la placa que se conecta al puerto paralelo...

Bueno, esto es todo, hasta la siguiente entrega y saludos.
#1029163
Hola Rauvape, hola a todos.

Si ves el siguiente link verás que hay un sistema bastante similar al que deseas montar.......y con esos motores, el autor al final pone unos ejemplos de fresado en aluminio. :shock:

http://www.esteca55.com.ar/maq-invit-jesus.html

Yo creo que la palabra mágica es la de rigidez, la maquina debe ser rígida y sin embrago que deslice bien.

En fin animo.
Un saludo
#1029215
yo no se si merece la pena a ultima hora hacer la electronica..
Yo por ejemplo hice las placas de esteka, similares a melca y echando numeros de pasta mas o menos igual que comprarla hecha.
en mi caso mas dolor de cabeza que un driver le dio por no funcionar y no conseguimos saber que le pasaba y tuve que repetirlo.
Aqui hay un ejemplo de controladora con drivers por mas o menos 40€

http://cgi.ebay.es/3-Axis-TB6560-CNC-St ... 3f075b1e40
#1029289
sesa11 gracias por tu consejo, la placa tiene muy buena pinta y el precio está muy bien. La verdad es que en cuanto a electrónica se refiere, no vale la pena fabricarse nada uno mismo, es más fácil y seguro adquirir algo ya acabado y testeado... por otro lado, fabricandose uno mismo las placas se aprende y ahí también está la gracia del asunto.... eso si, seguro que tarda más en fabricar la fresadora...jeje, todo tiene sus pros y contras, es encontrar la fórmula con la que más disfruta uno.

De todas formas buscaré más info sobre esa controladora...


Saludos y gracias por vuestras sugerencias.
#1029356
En lo del precio tienes razón Sesa, eso pasa con todo... pero como yo lo veo, esto es un hobby y como decimos en senderismo "lo importante no es llegar, sino el camino" :wink:

Y en cuanto a la controladora, no creas que la tuya es peor que esa TBA... por ponerla peros (y para que veas que no es oro todo lo que reluce de PCB azul) el ajuste de corriente es muy "grueso" y los falsos optoacopladores dan problemas en velocidad.

No dejemos que los ARF nos vuelvan torpes!!! :lol: :lol:

Salu2

¡Elija que Addons deben funcionar, utilice sólo lo que realmente necesita!