- Dom, 27 Ene 2008 13:54
#614531
Hola a todos,
Tengo el bc6 y hasta ahora todo me habia ido muy bien cargando 3s, pero como aguanta hasta 6s decidi hacer el cable de equilibrado y cargarlas de dos en dos.
Lo puse a cargar y me cargo bien las dos primeras y le puse las otras dos y por suerte que mi hermano se dio cuenta que se estaba quemando.
Lo he desmontado y se me ha quemado en la soldadura de las pinzas externas aunque yo estaba utililizando la fuente interna. no entiendo nada.
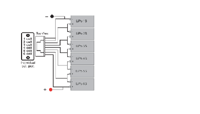
Tenia conectado los conectores de balanceo y los de fuerza de las bateria, a continuación os pongo un esquema de como lo conecte.
Un saludo.
Tengo el bc6 y hasta ahora todo me habia ido muy bien cargando 3s, pero como aguanta hasta 6s decidi hacer el cable de equilibrado y cargarlas de dos en dos.
Lo puse a cargar y me cargo bien las dos primeras y le puse las otras dos y por suerte que mi hermano se dio cuenta que se estaba quemando.
Lo he desmontado y se me ha quemado en la soldadura de las pinzas externas aunque yo estaba utililizando la fuente interna. no entiendo nada.
Tenia conectado los conectores de balanceo y los de fuerza de las bateria, a continuación os pongo un esquema de como lo conecte.
Un saludo.