miliamperios.com

Bootstrap Framework 3.3.6

Más de una docena de componentes reutilizables construidos para proporcionar iconografía, menús desplegables, grupos de entrada, navegación, alertas, y mucho más ...

Fundado el 22 de Septiembre del 2003.

Moderador: Moderadores

Avatar de Usuario
Por viper2003
#1286304
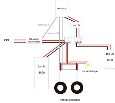
Estoy preparando una maqueta y quería hacer una instalación independiente con 2 lipos. Por un lado una lipo de 5000 2 s que alimenta al CDI, luces y trenes eléctricos que va a 7,4 v. Por otro lado una lipo mas peque que alimente al receptor y a los servos solamente a 6V. He dibujado un croquis de lo que quiero hacer. Si veis algún fallo o posible problema podeis decirlo sin problemas.

Saludos
Adjuntos
croquis_elec.jpg
Avatar de Usuario
Por lcs
#1286332
esta bien , lo único que no veo claro es como vas a encender la luz de aterrizaje , como está quizás entiendo yo solo se encenderá cuando actives a recoger el tren o extenderlo. No en la posición extendido que es como pretendes imagino. Tendras que usar un micro swich en una de las patas por ejemplo.

5000 milis es una pedazo de batería... has pensado en usar de Life? tienen muchas ventajas respecto a las lipos en cuanto a estabilidad ,voltaje y seguridad, y son ideales para alimentar equipos mas que para propulsión (por ahora) y te ahorras el regulador de voltaje ( una cosa menos de la que preocuparse)
Avatar de Usuario
Por viper2003
#1286341
Si. El tema de la luz es aparte. No he puesto como va a ir por no liar mas el esquema. En principio es la luz de aterrizaje de un mustang, que es escamoteable y se mete en el pozo del tren al replegar. Esto tengo pensado hacerlo con un microservo de 180º que al extender el la luz, pise un microrruptor y la encienda. Al recogerlo, el mismo brazo del servo que la mete, suelta el microrruptor. Esto es mu bonito en la teoría, pero en la practica a ver donde lo meto todo jajaja.
Lo de la lipo de 5000 es para aprovechar una que tengo nueva en el taller mas que nada. Necesito casi medio kilo de lastre en el morro y mejor que sea algo que me sirva pa algo en vez de plomo

Saludos
Adjuntos
luz.jpg
Avatar de Usuario
Por Charlie55 C.Aguado
#1286678
Yo soy maniático de no poner lipo en la recepción, prefiero doble bateria de NiMh con interruptor por si una falla (me salvó un modelo).De todas formas si quieres usar lipo mide el amperaje de todos los servos y verifica que el regulador los aguanta tranquilamente Te lo digo porque he visto problemas grandes por reguladores quemados ántes de máximo que se supone aguantaban e incluso se de buena fé de alguna centralita chamuscada.También verifica el grosor de los cables para que aguanten el amperaje.
.Todo lo demás parece bien, separado tren-luces-cdi de la recepción, lo del tren que vaya suave para que no consuma mucho, y lo del cableado y el órden es todo planificarlo y bridas de electricista :D :D
¿¿¿Te quedará mas o menos como la imagen??? :wink:
Saludos
Adjuntos
ss-110926-boeing-003.grid-8x2.jpg
Avatar de Usuario
Por viper2003
#1286715
Charlie55 C.Aguado escribió: .Todo lo demás parece bien, separado tren-luces-cdi de la recepción, lo del tren que vaya suave para que no consuma mucho, y lo del cableado y el órden es todo planificarlo y bridas de electricista :D :D
¿¿¿Te quedará mas o menos como la imagen??? :wink:
Saludos
Espero que no :lol:

¡Elija que Addons deben funcionar, utilice sólo lo que realmente necesita!