miliamperios.com

Bootstrap Framework 3.3.6

Más de una docena de componentes reutilizables construidos para proporcionar iconografía, menús desplegables, grupos de entrada, navegación, alertas, y mucho más ...

Todo lo relacionado con el estudio, diseño y funcionamiento de circuitos y componentes electrónicos relacionados con el radio control. Fundado el 4 de Octubre del 2006.

Moderador: Moderadores

Por sesa11
#1016968
hola, queria preguntar si alguien tiene los esquems electronicos de los servos futaba 3003.

Gracias
Por manuelcasaas
#1017037
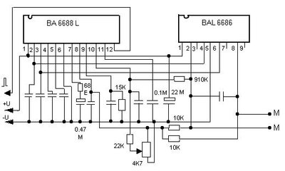
Los servos Futaba S3003 usan dos circuitos muy parecidos, te adjunto los dos esquemas, solo varía el valor de alguna resistencia según el motor que les pongan, el integrado que suele estropearse es el BAL6686, Futaba usa este integrado en varios servos de diferentes precios, es el que alimenta al motor, yo los tengo por si los necesitas.
Saludos.
Adjuntos
3003 I.JPG
Esquema 1
3003 II.JPG
Esquema 2
Por sesa11
#1017063
gracias. Es para un amigo que estropeo uno modificandolo para un robot. Es electronico y me pidio los esquemas para ver si lo podia arreglar.

¡Elija que Addons deben funcionar, utilice sólo lo que realmente necesita!