miliamperios.com

Bootstrap Framework 3.3.6

Más de una docena de componentes reutilizables construidos para proporcionar iconografía, menús desplegables, grupos de entrada, navegación, alertas, y mucho más ...

Aviones (no helicópteros) con propulsión eléctrica básica, conceptos básicos, iniciación, etc.
Fundado el 21 de enero del 2002.

Moderador: Moderadores

Avatar de Usuario
Por Juancar
#31816
Hola, este cargador NO sirve para NiMH, ya que no tiene detector de final de carga y este tipo de baterías lo necesitan.
Avatar de Usuario
Por Enric Hernandez
#31926
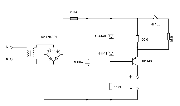
Es mas , he estado durante muchos años, incluso ahora, cargando baterías de ni-cd o ni-mh indistintamente, con un cargador auto- construido con un esquema muy similar (la unica diferencia es que en lugar de los 2 diodos 1n4148 el mio tiene un led verde, asi cuando le pones una batería, te aseguras que carga, ya que si no, el led no luce. No veo por qué un cargador de baterías ni-mh necesita un detector de final de carga (delta peak o temperatura) en mayor medida que un cargador de baterías ni-cd; ya sabemos que son mas sensibles a las sobrecargas, eso si, pero tomando las precauciones habituales y observando los tiempos....es decir, haciendo bien las cosas, no veo porque no...
Cargando a 1/10 de la capacidad de la batería durante las 14 horas de rigor, y partiendo de una batería descargada (0.9 ó 1 v. por elemento), no debe haber problema. yo llevo años haciendolo.
Para calcular la resistencia, (la que tu tienes de 56 ohm) puedes usar la siguiente formula:

R= 0.8/I donde I es la corriente que deseas en amperios.
con este esquema, con la resistencia de 56 ohm te cargaría 14 miliamperios aprox y con el interruptor cerrado, ( en "hi" ) algo menos de 70 miliamperios.
ala, saludos a todo el foro y mucho ojito con la semana de frio polar que se avecina.
Avatar de Usuario
Por Juancar
#31944
Enric, te doy la razón en todo, es cierto que un cargador de NiCd sirve para cargar NiMH, y por tanto este cargador también, por que al fin y al cabo un cargador no es más que una fuente de corriente.
Pero también es cierto que no es muy adecuado cargarlas de esta manera, pues ya que no sabemos cuánta carga tiene realmente una batería, no podemos determinar cuanto tiempo tenemos que dejarlo cargando, por lo que los tiempos que calculemos serán solo aproximativos, y a la larga podemos causarle un daño al pack. Y si algún dia te descuidas y te pasas con el tiempo puedes tener un susto.
Por todo esto, rectifico:
Este cargador sirve para NiMh, pero no me parece adecuado, y sugiero buscar algún esquema de otro diseñado para tal fin. 8)

Un saludo.

¡Elija que Addons deben funcionar, utilice sólo lo que realmente necesita!