miliamperios.com

Bootstrap Framework 3.3.6

Más de una docena de componentes reutilizables construidos para proporcionar iconografía, menús desplegables, grupos de entrada, navegación, alertas, y mucho más ...

Fundado el 23 de Marzo de 2006.

Moderador: Moderadores

Por RAULGUS
#498566
Hola buenos dias:
hace tienpo compre un SC91 para montarlo en un extra,pero cuando ayer fui a hacerle el rodage me di cuenta de que el punto de maxima compresion
hay una zona en la que la helice mueve pero el piston ni sube ni baja son como 4 grados a cada lado y en la punta de la elice un centimetro a cada :evil:
total que extrañado llamo a la tienda y me dicen que es algo normal en los SC :? :?
¿que pensais?

un saludo
Avatar de Usuario
Por Michi
#498582
Si esto es normal, las paqueñas centésimas de olgura que debe tener la biela hace que al "clavar" el pistón en la parte superior la hélice se mueva y aparentemente el pistón no se mueve, su usaras un micómetro o pie de rey digital verias que no hay tanta olgura como a simple vista parece, la rotación circular de la biela en este cm de movimiento de la hélice, el pistón casi no tiene recirrido, tranquilo que no pasa nada.
Saludos
Por RAULGUS
#498644
gracias por la rapida respuesta
pero pasa solo con los motores SC?
saludos
Avatar de Usuario
Por Michi
#498677
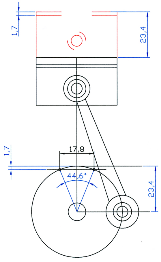
Mira la ilustración y verás porqué parece que no se mueve lel pistón, en este caso cuando recorre los 90º el pistón avanza unos 23 m/m la hélice 90º tambien pero en los últimos 22º del cigüeñal, la hélice recorrerá unos 10 cm y el pistón solo sube 1.7 m/m como puedes ver al final del recorrido 1 cm de hélice el movimiento del pistón es insignificante.
Saludos
Adjuntos
biela y hélice.jpg
Por RAULGUS
#498698
ya te entiendo pero me parece que no es exactamente lo que dices ya que de eso modo el cigueñal se moveria con esfuerzo por la kompresion pero en este puunto al girar la helice hace ruido de hacer tope y kn un poco mas de fuerza sigue girando pero no me pasa esto en los demas motores que tengo.
no se si me explico....
aver si puedo gabar un pequeño video.

saludos
Por RAULGUS
#498703
parece tener por dentro holgura ademas he quitado el escape y en esos puntos el piston no sube ni baja pero ni un milimetro 0
Avatar de Usuario
Por cote
#498750
RAULGUS escribió:parece tener por dentro holgura ademas he quitado el escape y en esos puntos el piston no sube ni baja pero ni un milimetro 0
Cebalo de combustible y se va es normal esta seco prueba prueba.
Por RAULGUS
#499589
pues despues de cebarlo e intentar arrancarlo sigue igual
alguna solucion o motivo?

¡Elija que Addons deben funcionar, utilice sólo lo que realmente necesita!