miliamperios.com

Bootstrap Framework 3.3.6

Más de una docena de componentes reutilizables construidos para proporcionar iconografía, menús desplegables, grupos de entrada, navegación, alertas, y mucho más ...

Fundado el 28 de abril del 2003.

Moderador: Moderadores

Por jmbocen
#877695
Hola de nuevo: pues mala suerte, pero puedes reclamar al chino en ebay, le mandas primero un privado comentándoselo, normalmente se suele solucionar, y si no te responde, interpone una reclamación
Saludos
Por nic32
#878803
Pues nada, que el xino me dice que pegue los piñones con pegamento para que se estén quietos. Que, ¿le hago caso ó me pillo unos con prisionero de seguridad? El eje del motor lleva el rebaje para el prisionero.
Por nic32
#881987
Os informo que después de una discusión por ebay con el chino del kit brushless que compré, ha accedido a mandarme dos motores con sus piñones montados totalmente gratis. Además me lo manda por correo aéreo con numero de seguimiento (supongo que así sera más rápido ¿no?).
Mientras sigo volando con el material standar y la batería de 1300mA.
Seguiré informando.
Por jmbocen
#882080
Hola, pues si volamos, he incorporado los disipadores del motor del honey bee CP2 con el detalle de incorporar pasta térmica (la que se usa para ordenadores) y he abierto un poco el fuselaje para que se refrigeren los motores, aconsejo las baterías de turnigy de 1000 mA de hobbyKing, van muy bien, lo único es que hay que meter otro alojamiento para las baterías con gomas o velcro. Compre nuevas palas en ebay y van bien. En fin, vuela tránquilo con más inercia que el lama V3, pero hay que darle tiempo para que se enfríen los motores, quizá la solución brushless no esta mal
Saludos
Por jmbocen
#882394
Hola, de nuevo, sabe alguien el por qué de los cortes de motor ?, es decir, supuestamente conecto la emisora de e-sky en 2.4 ghz, conecto la batería del heli y no se sincroniza el receptor, desconecto la emisora, vuelvo a encenderla y ya se sincroniza, se mueven servos ya vuela y, hasta ahi todo bien, pero en algunos casos, se para de golpe todo y claro aterrizaje de emergencia, al coger el heli observo que esa desincronizado, qué puede ser ?
Saludos
Por nic32
#882779
Que quieres decir, que se te paran los motores sólo, o pierdes motores y servos?
A mi si me ocurre cuando la batería empieza a flaquear y giro la cola, el heli baja mucha altura aunque le de más gas, es el primer síntoma de falta de batería, pero creo que es normal ¿no?.
Por jmbocen
#883117
Hola, una tontería el problema, la culpa la tenían las 4 pilas AA de la emisora e-sky, el indicador marcaba una linea verde, cambie las pilas, con el indicador todo en verde y de momento no ha vuelto a pasar. Además al conectar hay que esperar a que sincronize.
No le gusta a la emisora las pilas recargables por lo que a comprar alcalinas !! . Alguna solución para poner recargables ?
Saludos
Por nic32
#883173
Las pilas recargables son de 1,2 V y las normales de 1,5V, si multiplicas por las 4 pilas, tienes 4,8 con las recargables y 6V con las normales, les falta tensión, por eso van mal. Hace tiempo que no veo recargables de 1,5V y no se porqué.
Se le podría intentar meter una lipo de 7,4V, pero habría que limitar la tensión de alguna manera para que no dañase la emisora.
Por jmbocen
#883197
Efectivamente, medí las pilas alcalinas viejas y marcaban 1,4 voltios (5,6v), las nuevas 1,6 voltios (6,4voltios), la solución sería poner 5 pilas recargables de 1,2 voltios (6,0 voltios) , es decir, hacerse una cajita, en fin, a seguir investigando...
Saludos
Por nic32
#883476
¿No te será incómodo llevar la cajita colgando?
Se me ocurre que se podría probar con pilas pequeñas AAA en vez de tamaño AA, tienen menos capacidad y habría que cargarlas más a menudo, pero igual caben en el mismo alojamiento.
Por jmbocen
#883794
Buena idea, buscaré portapilas AAA a ver si caben
Saludos
Avatar de Usuario
Por nach_o
#883812
Buenas:

las emisoras aceptan más voltaje, 1,2V x 8 = 9,6V, 1,5V x 8 = 12V. Yo uso una lipo del Big Lama para una 2,4 GHZ que tengo para las coche y sin problemas, va perfecto y con 800 mAH puedes usarla casi 8 horas. Mirad las instrucciones, igual pone que acepta hasta...

Saludos.
Por jmbocen
#883940
Buenas de nuevo, pues no acepta las 5 pilas recargables AAA, tienen poca potencia, es decir, se viene abajo en seguida la emisora, me he echo la chapu con un portapilas de 4 y otro de 2 pilas AA, colocando sólo 5 pilas, funciona pero la verdad queda un poco provisional todo. Hombre se puede probar con una Lipo de 7,4 V. pero me parece que se pasa y se puede quemar algo. En cambio con la emisora del lamita 3 con las 8 pilas recargables no hay problema.
Saludos
Por nic32
#884023
Podrías probar con la lipo de 7,4V y un diodo en serie, por lo que le bajarías unos 0,6V para quedar sobre los 7V, o colocar dos diodos en serie para bajar 1,2V. Es sencillo, los colocas dentro de un tubo termorretráctil y ni se ven.
Por jmbocen
#884215
Sabes que referencia tienen esos diodos exactamente, es para pedirlos en una tienda de componentes ? Cómo se conectaría ? entiendo que positivo batería a positivo diodo 1, negativo diodo 1 a positivo diodo 2 negativo diodo 2 a emisora positivo ?
Gracias
Por jmbocen
#885597
Bueno, ya lo consulte y efectivamente, con dos diodos 4001 restan 0,5 voltios cada uno, pero con un diodo zener de 6 voltios se consigue lo mismo. Gracias por la indicación. Por cierto, alguien ha probado poner un tren de aterrizaje distinto ?, lo digo por que estoy mirando el del trex 450 o el del honey bee king II que le pueden ir bien para poner la batería debajo y tener más estabilidad
Saludos
Por nic32
#885756
Si, efectivamente ese puede valer, sino lo tienen pide el 1N4007 o 1N4008, son casi iguales.
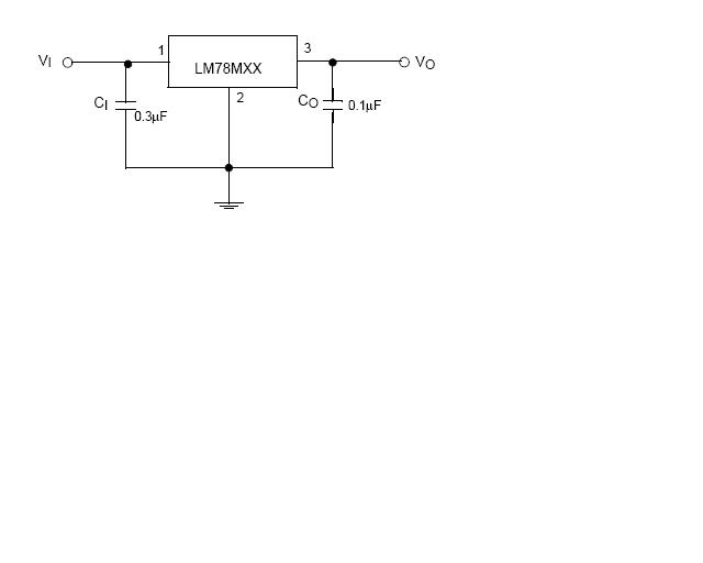
También puedes poner un LM78M06 de 0,5A, que es un regulador de tensión que te dará los 6V y es muy pequeño y muy barato (1€ o menos). Si puedes medir el consumo de la emisora y es menos de 100mA, puedes montar el LM78L06 que es mucho más pequeño.
Donde pone Vi va el + de la Lipo, donde pone Vo va el + de la emisora, y el negativo lo pondrás a la patilla 3.
En un principio puedes probar a no poner los condensadores, en la mayoría de los casos no hacen falta, así no hace falta que pongas ninguna placa para soldar, lo montas todo en el aire con un trozo de termorretractil para cada patilla.
Las patillas son, mirando de frente el integrado, la 1 a la izquierda, 2 en el centro y 3 a la derecha.
Adjuntos
Dibujo.JPG
Dibujo.JPG (10.46 KiB) Visto 3341 veces
Por jmbocen
#886227
Gracias por la información, Saludos
Por nic32
#887955
¡¡¡ BIEN !!!, por fin he podido montar los motores brushless con los piñones comprados en miraclemart, los cuales he tenido que modificar para que engranasen bien.
Ahora viene lo malo, no he podido mirar bien cual es el problema, pero cuando doy gas, sin despegarme del suelo, el heli gira la cola de lado a lado, unos 100 grados. Luego para y al momento vuelve a hacerlo. En un lapsus de los de ir bien, lo he levantado del suelo, y ha vuelto ha reproducirse el problema.
No se si falla alguna conexión, o podría ser que algún piñón se desengranase sobre la marcha y perdiese velocidad alguna de las aspas.
Seguiré informando ........
PD.: lo que si os digo es que ahora tengo un montón de cables y trastos que no se dónde sujetar.
Por jmbocen
#888731
Vaya, parece que no hay más que problemas, pues lo típico revisar las conexiones, hombre los piñones deben encajar perfectos, por cierto, ¿ se conectan los dos ESC junto con los chips a la misma lipo ? ¿ Qué consumo tiene cada motor ?, te lo digo porque quizá la lipo se queda corta
Saludos
Por thedostor
#890250
Parece k el foro esta un poco caido ultimamente. Me h e puesto a desmontarle la barra interior al heli y resulta que el tornillo de presion que lleva abajo no lo puedo quitar de ninguna manera si se os ocurre alguna solucion decidmela porque no se como coño quitarlo
Por thedostor
#890430
a mi me ha pasado lo mismo, he roto la llave y aun asi nada, me han dicho que puede ser porque le hayan echado un poco de pegamento a los tornillos para que no se suelten y que la unica manera de quitarlos es taladrandolo, pero claro asi te cargas el tornillo, el collar, etc. Por lo que por el momento no se la voy a cambiar hasta que no pida material.
Vaya putada compras las piezas y luego no las puedes cambiar, estos chinos!!!!!!!!!!!!!!!!!!!!

Por cierto nic32 valentino campeón del mundo, jejeje. "Gallina vecchia fa buon brodo”
Por nic32
#890662
Sobre el problema con los brushless, creo haberlo encontrado, parece que hay un motor jodido, suerte que el xino me mandó dos de más.
He notado que la arrancada es muy bestia, se nota que los motores tienen mucho par, por los que las palas llegan a tocarse si arrancas sin desplegarlas (con los motores originales yo no coloca las palas al arrancar, como estén arranco y ellas solas van al sitio).
Si, Valentino aha ganado el mundial otra vez, pero ya le ha advertido a Yamaha que para el próximo contrato, o él o Jorgito (¿por qué será?). Está claro que no puede haber dos gallos en un mismo gallinero. Dentro de cinco meses MÁSSSS.
Por thedostor
#890703
Pregunta tonta para los que habeis cambiado la bateria. Las otras baterias tambien se cargan con el cargador de esky o hay que comprar otro cargador? Es que ahora que ya voy dominando el helicoptero la bateria original se me queda un poco corta y quiero hacerme con otra con mas capacidad.
Por thedostor
#890710
Gracias por despejar mis dudas. Por cierto he visto una foto con un fuselaje nuevo, aqui esta: Imagen
Voy a buscar por ahi haber si lo encuentro en algun lado, porque esta muy wapo
Avatar de Usuario
Por nach_o
#890722
Buenas:

para los interesados en el cambio de baterias, mi experiencia, por si os sirve de algo: Compre por ebay dos por 12 € que funcionan perfecto, por lo que tengo 3... Un día volando en exterior que hacía calma chicha vole una batería dandole caña y nada mas acabar le puse otra... al cabo de nada resultado motores sin potencia y a cambiarlos, no se si fue por el total de horas de vuelo, aunque sospecho que fue un calentón. los suistituí por otros originales y todo perfecto.

Ahora la verdad ya no lo vuelo, me he pasado a un MiniTitan 450, que entre otras es posible volarlo con viento! eso si el Big Lama me ha venido de lujo para aprender y coger reflejos. Mi Big Lama con recambios, baterias y todo lo tengo en venta, si sabéis de alguien...

Espero haberos sido de utilidad y no queméis los motores!
  • 1
  • 4
  • 5
  • 6
  • 7
  • 8
  • 19

¡Elija que Addons deben funcionar, utilice sólo lo que realmente necesita!