miliamperios.com

Bootstrap Framework 3.3.6

Más de una docena de componentes reutilizables construidos para proporcionar iconografía, menús desplegables, grupos de entrada, navegación, alertas, y mucho más ...

Fundado el 28 de abril del 2003.

Moderador: Moderadores

Por Marta
#700851
juanje_86 escribió:
Marta escribió:
juanje_86 escribió: sabes donde tesalto la chispa? puede ser que hayas quemado solo esa parte, que electronica montas? haber si se te puede ayudar mejor, saludos
La chispa salto en el conector macho hembra que va de la bateria a la unidad electrica, vamos en donde se conecta.. justo en el cable que sale hacia la unidad electrica.. en uno de los dos. me explico?

P.D, Me gustan tus videos
Si es donde conecta no pasa nada es normal.
Haber puedes decir que electronica montas¿? asi se agilizaria mucho el proceso, si el motor no te funciona y el resto si pues seguramente sea del motor, si una vez puesto el nuevo no te va tampoco pues entonces es el variador, no hay mas, saludos y animo

pd, no hay mucho nivel de vuelo aunque algo es algo, al menos me atrevi a hacer un par de loops, no se si llegaste a ver ese video y me alegro de que te gustase
Como que electronica monto? No se decirte como no sea lo que pone el receptor que es lo que puse en el post de arriba.. no se..

No hay nivel de vuelo? joe por no se..pero yo no soy capaz de despegar mi heli jajajaja imaginate! es broma! me gustarom mucho los videos sip
Avatar de Usuario
Por juanje_86
#700976
al final lo solucionaste? has probado aguantando el heli llevar todos los stick del mando a sus extremos... no se es que parece raro lo que te sucede o yo aun no me he enterado de la historia, de todas formas te llega un motor nuevo haber si asi....
Por Marta
#701074
Pues no, el motor esta quemado sip, ya probe eso que me dices de juetarlo y tocar todo... pero na chico que no subia jeje

A ver si me llega el motor y me aclaro con el mando, que al parecer lo tengo al reves ejeje
Avatar de Usuario
Por Antonio Diez spooky
#701124
Hola a todos :)
Marta, he bajado de internet el manual del Walkera 22 tuyo y no, la teclita que en el mio sirve para cambiar el stick del gas, en este no parece que diga nada de eso...
Pero no te desesperes, hay una posibilidad de que el mando está bien, sólo el motor, y que te liaste al arrancarlo.
Si la tecla de Flight mode estaba donde no debía, y al encender la emisora tras el heli, quizá el heli arranco solo, y al darle al stick derecho bajaste el morro, volcando el heli.
¿Hacia donde volco?
Para saber si tu mando está bien, pon el heli en el suelo, y fíjate en el plato cíclico, lo que debe hacer es:

-Stick derecho:
. Al moverlo a la derecha, plato se inclina a la derecha, y viceversa.
.Al moverlo adelante, plato se inclina hacia delante, y viceversa.
Stick izquierdo:
. Moviéndolo a la derecha, el motor de cola gira. Posible cuando palanca a la izquierda, motor no hace nada. (normal)
. Moviéndolo hacia arriba, el plato sube, y hacia abajo, vuelve a su posición.

Si `pones flight mode hacia abajo, ya verás que el comportamiento del plato al stick izquierdo cambia...
Por Marta
#701227
Buenas Spooky.

Gracias por molestarte en mirarlo! ;)

Una pregunta tecnica.. cual es el plato ciclico? jejeje


Ahroa estoy en el trabajo.. cuando llegue a casa pruebo.. lo que se es que con el Flight mode en normal.. al mover el stick izquierdo hacia arriba va acelerando poco a poco y si lo muevo a la derecha se acelera un monton.. justo ahi fue cuando se giro pego contra un armario y rompio la helize de cola. jeje

Cuando volco callo sobre su derecha.. pero vamos se quiso sevantar y callo porque debe de estar todo desajustado...

si muevo el stick derecho ahora se mueven las alas, es decir se inclinan a un lado ya otro... ya probare de noche mas a ver
Avatar de Usuario
Por Antonio Diez spooky
#701311
Hola, te contesto por partes:

Dices que:
"al mover el stick izquierdo hacia arriba va acelerando poco a poco y si lo muevo a la derecha se acelera un monton.. "
Esto es lo normal. Cuando subes el stick izquierdo, aceleras motor principal, y subes el paso de las palas. El heli sube las vueltas de cola, para contrarrestaar la tendencia de todos los helis de girarse hacia la izquierda cuando aceleran.
Si mueves ese stick a la derecha significa que quieres girar más el morro (del heli, no el tuyo :lol: ) a la derecha, y por eso gira el motor más fuerte


"si muevo el stick derecho ahora se mueven las alas, es decir se inclinan a un lado ya otro..."

Eso también es lo normal... bien.


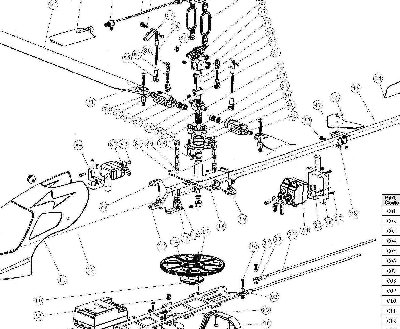
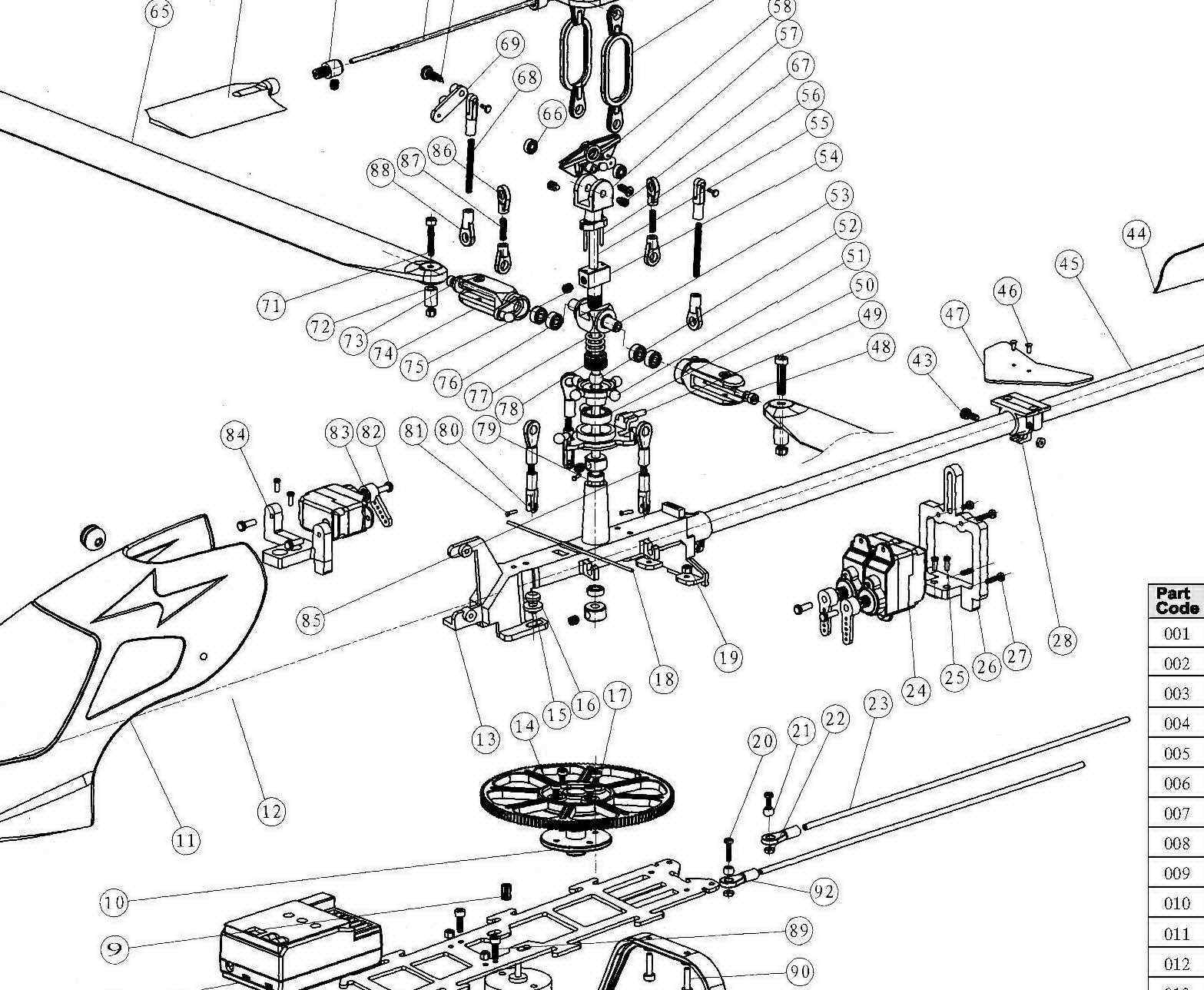
A continuación te pongo dos adjuntos. Uno es el despiece de tu heli, bájatelo a tu ordenador para poder hacer zoom en é, ell plato cíclico está compuesto por las piezas 49 y 51
Comprueba que esa pieza reacciona como te dije.

El otro adjunto explica con dibujos las reacciones del heli al moverse los sticks. Pasa de los dibujos de la emisora de la izquierda, fíjate sólo en los de la derecha, que es tu modo (2) aunque el chino que lo dibujo haya confundido los modos. (Hacen cosas baratas, si, pero atención al detalle poca)
Adjuntos
despiece.jpg
Controles_Modo2.JPG
Por Marta
#701419
Muchas gracias por las capturas spooky!

Cuando muevo el sitck derecho hace lo que dices el plato.. pero cuando muervo el izquiero.. al subirlo baja el plato y al bajarlo vuelve a la posicion normal...cuando tengo el stick abajo de todo, el izquierdo,..no hace nada.. solo si lo subo empieza a girar el motor de cola.. y si lo subo hacia la mitad me gira el heli como la agujas de un reloj...

Para que es el boton 8? Lock... lo tengo en OFF es para programar la emisora o algo?

Yo tengo los swtiches como me pone en el manual que viene con el...

1 off
2 on
3off
4on
5on
6of
7on
8off
9on
10of
Avatar de Usuario
Por Antonio Diez spooky
#701511
Hola Marta, de nada.
Creo que está todo bien. A ver, ahora que pienso algunos helis bajan el plato para subir el paso o sea que probablemente todo funciona como debe, hasta que te llegue el motor nuevo y entonces veremos.

Ah! mejor mira, al subir el stick si las palas cogen más ángulo positivo.
(Rotor gira sentido agujas reloj. Si el borde delantero de la pala se eleva está ok)
Lo siento, ni idea que es eso de lock, en el manual no lo explica . Lock es cierre o bloqueo, pero ni idea, tu déjalo como lo has puesto (off) y ya veremos.

Quizá esté todo bien (aparte del motor) Piensa que si encendiste el heli, y mucho después la radio, pudo no responder bien, o la tecla flight mode estaba donde no tocaba.
Cuando te venga el motor nuevo, ponlo alejado de la corona dentada grande, para que no haga girar las palas, y asi poder ver si responde todo bien sin peligro.

Si pudieras hacerte con un simulador sería de gran ayuda. Te vino cable con el heli, de casualidad?

Yo tengo mi T-Rex parado por falta de una estúpida pieza que no, no tenía en "almacenes" (y creía que las tenía todas :( )
A ver si mañana me despierta el cartero, hombre, y no son multas! :lol:

Juanje, plis, (o algún otro piloto amigo) sabes si el plato sube o baja, en este heli, para subir paso?
En el manual dice que ha de bajar, pero no me fío yo una mielda, tal y como está todo escrito (chininglis puro) :D
Por Fleming
#701574
Hola Gente,

Llevo dos semana con este helicóptero y con los problemas similares que marta...

Llevo un par de años volando aviones glow y estoy probando con estos helis.

Aunque el helicóptero y la emisora se anuncia como 6 canales, yo solo veo que en el conjunto se utilicen 4, lo de que la emisora tenga un swich de "gear" me hace pensar que es efectivamente una emisora de 6 canales de uso genérico, pero en este Walkera 22E solo 4.

El primer día me pasó lo mismo que a marta, en la parte derecha superior de la emisora tiene un botón MUY peligroso para los novatos que nos compramos este heli, y es el de cambio de modo; en modo normal el stick izq está abajo y sin muelle->0 gas, pero si en modo 1, el gas está en el stick derecho, que como tiene muelle, está al medio... pues lo que me pasó el primer día, después de encender y conectar con todas la precauciones, empecé a toquetear a ver como respondía los botones y potenciometros y cambié el modo, por lo que se puso a volar como un loco.. me llevé un susto de c@j#ns (y me cargué dos aspas y un link-bar).

Otra cosa que me parece interesante del receptor, es que si no recibe señal de la emisora, el motor se para, vamos muy seguro por si te quedas sin baterías o no sigues el orden de encendido/apagado.

Lo que no acabo de pillar es como montar el tacatá, porque viene con unas piezas que encajan (por lo que veo en fotos en internet) perfectamente en el tren de otros helis, pero el tren del walker 22e no es como el de la foto, no tiene las varillas verticales (sí la horizontales):
http://www.rcworlddealer.com/images/tra ... 400_1_.jpg

Después de volar un ratillo (vuelos intermitentes de 5 segundos en el aire) he notado que los motores se calientan un montón, he leído en este mismo for el tema de la lipos 3s y 2s, creo que voy a probar con las 2S, porque prefiero que el motor vaya un poco más escaso y poder controlar un poco más el stick del gas, porque ahora con un solo Clicck del gas sube muy rápido (para mi que soy novato) y no acabo de controlarlo...

Gracias a todos y perdón por el ladrillo....
Última edición por Fleming el Mar, 15 Jul 2008 10:57, editado 1 vez en total.
Por Fleming
#701576
Fleming escribió:Hola Gente,

Lo que no acabo de pillar es como montar el tacatá, porque viene con unas piezas que encajan (por lo que veo en fotos en internet) perfectamente en el tren de otros helis, pero el tren del walker 22e no es como el de la foto, no tiene las varillas verticales (sí la horizontales):
http://www.rcworlddealer.com/images/tra ... 400_1_.jpg
vale, me respondo a mi mismo, acabo de encontrar un a solución al tacatá:
http://www.rchelicoptershop.com/catalog ... ng_kit.jpg
Por Fleming
#701578
spooky escribió: Juanje, plis, (o algún otro piloto amigo) sabes si el plato sube o baja, en este heli, para subir paso?
En el manual dice que ha de bajar, pero no me fío yo una mielda, tal y como está todo escrito (chininglis puro) :D
A ver, si mal no recuerdo, al subir de revoluciones, el plato sube también... positivo, ¿no?
Avatar de Usuario
Por Antonio Diez spooky
#701640
Hola Fleming, bienvenido :)
Hombre, genial que tienes este heli, y además parece que nos has solucionado nuestras dudas sobre el mando.
Bueno, no me lo puedo créer, que hay alguien que se le ha ocurrido hacer un mando que al dar a una tecla te cambia el stick del gas :shock: ...

Es cierto, mirando las instrucciones, después del gráfico que adjunté arriba, que es para vuelo normal, hay otro para vuelo invertido, donde se ve lo que tu dices. Lo vi pero pe´nsé que era otro de los errores de las instrucciones, ya que dice que en Europa usamos Modo1, etc.

Vamos, yo lo primero que hacía era ponerle a la dichosa teclita un peazo cinta aislante, o medio litro de loctite :twisted: (es broma) y dejarla anulada.

Si, posiblemente los enganches de tacataca que vienen con esas varillas (tengo esos sets) no le sirven a otro heli que no tenga los patines finos. Con las bridas estarán bien, no las pongas demasiado tensas.

Otra cosa, si en el stick de gas (el de verdad) trae carraca, quizá mejore muchísimo quitándosela, te buscaré un post de como hacerlo...
Avatar de Usuario
Por Antonio Diez spooky
#701652
Hola de nuevo,
ahí está (hay una foto):
viewtopic.php?t=29772&highlight=stick

sirve para quitar los dientes del mando, pero aún queda una cierta oposición en la palanca, para que no vaya a lo loco.
Se puede hacer de muchas formas, yo lo hice como explico, y habré volado unas 1000 horas con esa emisora sin que se mueva el invento.
Por Fleming
#701663
spooky escribió: Vamos, yo lo primero que hacía era ponerle a la dichosa teclita un peazo cinta aislante, o medio litro de loctite :twisted: (es broma) y dejarla anulada
Pues sí, me parece un tanto peligrosa. Esta misma tarde, anulo ese swich. Y ya que la voy a abrir, voy a investigar por dentro a ver si se puede atacar a los otros dos canales...

Otra cosilla, ¿como se llaman las dos aspas más pequeñas que están a 90º de las princpales?? el tema es que en mi heli venían descentradas (unos 5mm) y metía una vibración que parecía que se iba a desmontar.

El mayor problema que tengo ahora es timarlo, porque cuando lo subo se empieza a ir hacia todos los lados, vamos que mi "estacionario" consiste en hacer círculos de 2 metros de diámetro durante unos segundos.... pero bueno, me imagino que como vengo de los aviones (y sin mucha experiencia) y estoy acostumbrado a volar con dos canales (mano derecha)...
Avatar de Usuario
Por Antonio Diez spooky
#701691
Se llaman aletas, o aletas del flybar (barra estabilizadora.
Actúan como timones en el aire, haciendo que las palas principales sigan su inclinación en movimiento.

Es muy importante que estén totalmente horizontales y paralelas, mientras que el plato cíclico debe de estar lo más horizontal (en todos los sentidos) posible.
También, como dices, que estén centradas en su distancia a la cabeza rotora. (Marta, si no tienes un calibre, usa una regla cualquiera)

Ajusta la nivelación del plato siguiendo el manual. Luego pon las aletas como decimos.
De todas formas, piensa que no es nada fácil al principio hacer estacionario, no es subir el heli y ya está, si no que hay que corregir continuamente con el stick derecho en ambos ejes para conseguir estar quieto en un punto.

Poco a poco lo irás cogiendo. Como le decía a Marta, un simulador puede acelerar bastante el proceso de aprendizaje.
Para trimar el heli, súbelo, y intenta dejarlo estacionario. Concéntrate en ver si tienes que poner el stick siempre hacia los mismos lados, y cuales son.
Después, trimas con los trims como ya sabes de los aviones.
Suerte abriendo la emisora, cuidado con los cables... :wink:
Por Marta
#701728
Buenoss diassss

vaya como habies avanzado !

No me vino con cable la emisora :(

Me baje un simulador..pero vamos que es mas falso que un billete de 2 euros...

Que cable es?

Yo trabajo en una tienda de informatica.. igual puedo conseguirlo por ahi no?


spooky escribió:Hola Marta, de nada.
Creo que está todo bien. A ver, ahora que pienso algunos helis bajan el plato para subir el paso o sea que probablemente todo funciona como debe, hasta que te llegue el motor nuevo y entonces veremos.

Ah! mejor mira, al subir el stick si las palas cogen más ángulo positivo.
(Rotor gira sentido agujas reloj. Si el borde delantero de la pala se eleva está ok)
Lo siento, ni idea que es eso de lock, en el manual no lo explica . Lock es cierre o bloqueo, pero ni idea, tu déjalo como lo has puesto (off) y ya veremos.

Quizá esté todo bien (aparte del motor) Piensa que si encendiste el heli, y mucho después la radio, pudo no responder bien, o la tecla flight mode estaba donde no tocaba.
Cuando te venga el motor nuevo, ponlo alejado de la corona dentada grande, para que no haga girar las palas, y asi poder ver si responde todo bien sin peligro.

Si pudieras hacerte con un simulador sería de gran ayuda. Te vino cable con el heli, de casualidad?

Yo tengo mi T-Rex parado por falta de una estúpida pieza que no, no tenía en "almacenes" (y creía que las tenía todas :( )
A ver si mañana me despierta el cartero, hombre, y no son multas! :lol:

Juanje, plis, (o algún otro piloto amigo) sabes si el plato sube o baja, en este heli, para subir paso?
En el manual dice que ha de bajar, pero no me fío yo una mielda, tal y como está todo escrito (chininglis puro) :D
Avatar de Usuario
Por Antonio Diez spooky
#702384
Hola, :)

Bueno, cables hay de varios tipos. Desde lo mas sencillo, que simplemente conecta de una clavija como la de tu emisora hasta el puerto serie de tu ordenador, y ese seguro si teneis taller en tu tienda, te lo pueden hacer (lleva sólo dos cables dentro).
Si tu ordenador no tiene este puerto, ya sabes, adaptador USB.

También los hay que tienen como una emisora "falsa" (simulada), que van bien porque no necesitan pilas y se enchufan directamente USB. Con estos no desgastas tu emisora.

Luego hay cables de "interface" que llevan ya un chip incluido, y los venden para usar con determinados simuladores de marca.

En la web hay simuladores gratuitos, (busca FMS), que son normalitos sólo, y menos gratuitos, bajables en plan mulo (prohibido hablar de esto en el foro, creo), y luego de pago...
Cualquier tienda de RC que se precie suele tener algunos, no son caros, lo que es el cable hecho.

Qué, no llegó el motor? Mi cartero ya trajo la piececilla, a ver si la monto...
Saludos
Por Marta
#702513
Hola Spooky!

Ok a lo del cable ;) Mañana lo miro


Joe no me llego el motor... se ha quedado de vaciones el cartero y el nuevo no pasa por la tienda... hoy llame a correos y me dicen que anda un poco perdido... mañana ira a correos a ver si esta...


Tengo unas ganas de que me llegue que son exageradas ... toy por ir a algun lao con el motor quemado a ver si tienen uno igual.. joooo



spooky escribió:Hola, :)

Bueno, cables hay de varios tipos. Desde lo mas sencillo, que simplemente conecta de una clavija como la de tu emisora hasta el puerto serie de tu ordenador, y ese seguro si teneis taller en tu tienda, te lo pueden hacer (lleva sólo dos cables dentro).
Si tu ordenador no tiene este puerto, ya sabes, adaptador USB.

También los hay que tienen como una emisora "falsa" (simulada), que van bien porque no necesitan pilas y se enchufan directamente USB. Con estos no desgastas tu emisora.

Luego hay cables de "interface" que llevan ya un chip incluido, y los venden para usar con determinados simuladores de marca.

En la web hay simuladores gratuitos, (busca FMS), que son normalitos sólo, y menos gratuitos, bajables en plan mulo (prohibido hablar de esto en el foro, creo), y luego de pago...
Cualquier tienda de RC que se precie suele tener algunos, no son caros, lo que es el cable hecho.

Qué, no llegó el motor? Mi cartero ya trajo la piececilla, a ver si la monto...
Saludos
Por Marta
#702633
Ya me han llegao las piezas jijijijiji estoy como loca por irme al medio dia a casa y probar a ver a verrrrrr


;)

Ya os contare...
Por Fleming
#702645
Saludos Gente,

Bueno, pues ayer ocurrió lo que tenía que ocurrir... ¿Que pasa cuando no tienes mucha experiencias y practicas estacionarios en el garaje de casa? pues que te das contra las columnas!!! entre que me llagan las piezas, pues hice una serie de pruebas.

La primera en ponerse en medio fue la emisora, quité el conector de cambio de modo.

Primero unas fotos de las dos placas de electrónica, muy sencillitas y sin mucha opción al hackeo.

Imagen
arriba a la izq, el swich objetivo, si tenemos suerte y es abierto para la posición normal, pues con soltar el connector arreglamos...

Imagen
Aquí no mucho más, se ve arriba a la derecha el disipador del famoso transistor de potencia que no le gusta nada trabajar sin antena... se calienta, doy FE!

Imagen
Lo que más me llamó la atención es que la emisora lleva un microcontrolador de Atmel, un ATtiny... curioso, estos chinos son la caña, no se molestan mucho..


Después de probar, resulta que la posición normalmente abierta es para el modo 1, así que, a cortocircuitar:
Imagen

Así es como queda al final, el interruptor, me va a servir para la otra emisora:
Imagen

Corrijo lo escrito con anterioridad, al subir de revoluciones el plato cíclico baja, para muestra un botón:
http://es.youtube.com/watch?v=ve3VD9XSoys
Lo que no se es para que sirven los dos potenciometros, en uno pone PLT con un más y con un menos y en el otro pone PIT con dos flechas... ¿Alguna sugerencia?

Por otro lado, enchufé la salida PPM al osciloscopio y veo que la emisora saca 8 canales, pero no conseguí ver si al mover lo potenciometros se movían también los pulsos ppm.

Marta, el cable que yo tengo es este. Pero no me funciona con la emisora del walkera, a ver si esta tarde miro los pinouts y si coinciden, porque en un principio viene con el mismo conector...
Por Marta
#702697
Jooooerrr conecto el motor separado de las aspas para que no giren y no funciona... he probado a poner todos los switches como dice el manual y nada.... se mueve el de cola si subo el stick izquiedo pero na mas... el motor funciona con dos pilas..


una ayudita

fleming como tienes los switches del mando?
Por Marta
#702705
Los mios estan asi...


OFF
ON
OFF
ON
ON
OFF
ON
OFF
ON
OFF


Me deciais que podia ser el variador.. que es eso?

Jo que asco todo este tiempo esprando... y no funciona...
Por Marta
#702733
Sigo con lo mio...


si conecto el motor central al conector del receptor de la cola, como es ovbio gira... no sera que esta estropeado el receptor en el cable que va al motor


me entenndeis?
Por Marta
#702836
Buenas

Jo no puedo pedir el receptor de mi walkera rx603 me recomendais alguna tienda online o donde puedo conseguirlo?
Avatar de Usuario
Por Antonio Diez spooky
#702935
Hola Marta,
vaya pena, pensaba que funcionaría. Bueno, verifiquemos:
-EL conector del motor al 4en1 está bien conectado.
-En la caja negra del 4 en 1 ¿huele a quemado o no? (es inconfundible)
-Los cables al motor presentan algún requemado en la funda??
-Hay batería cargada bien?
-emisora: interruptor flight mode en pos. normal.
-Bajar a tope la palanca del gas, y TAMBIEN el trim correspondiente, esperando unos segundos a ver si arranca el motor.
-Hacer lo mismo con esa palanca arriba, mantenerla a tope durante 2 seg., tambien arriba su trim.
-Probar en otra posición del puñetero switch flight m. :evil:

IMPORTANTE:(edito): ¿las demás funciones van correctas? es decir, se mueve el plato como te dije?

Si todo esto falla, puede ser que el regulador está quemado. Hay que cambiar el 4en1, pidiéndoselo al que te vendió el heli.
Creo que se podría poner un ESC externo, pero no puedo asegurar que funcionase, ya que hay salidas del 4e1 para eso, no?

Busca las definiciones de regulador, ESC. etc, aquí:
http://www.spookycopters.com/maxrpm_00000e.html
está dentro de la caja del 4en1, donde están el receptor y el giro, y otro ESC para el motor decola. Por eso se llama 4en1. :)
Última edición por Antonio Diez spooky el Jue, 17 Jul 2008 23:50, editado 2 veces en total.
Avatar de Usuario
Por Antonio Diez spooky
#702939
Hola Fleming,
vaya currete bueno con la emisora... buenas fotos, gracias.

Ni idea para que son los dos pots. pero piensa que esta emisora lleva funciones que no usa el heli, como tren de aterrizaje.
Si que es posible que de 8 canales, 4 o 6 proporcionales, al menos, pero ten en cuenta que de esta marca, las radios no se entienden con receptores o de marcas convencionales, aunque sean de 35Mhz.
El fabricante mete lo que llaman "dummy channels" (ni idea como traducirlo) que hacen imposible la comunicación con Futaba, Hitec, Sanwa y demás standards.
Según creo, política de ventas (piensan que así les compras sus radios de "gama alta").
Qué tal te quedó la carraca del gas? :wink:
Por Marta
#702947
te respondo entre lineas
spooky escribió:Hola Marta,
vaya pena, pensaba que funcionaría. Bueno, verifiquemos:
-EL conector del motor al 4en1 está bien conectado.´
SI TE REFIERES AL CABLE QUE VA DEL MOTOR AL RECEPTOR ESTA MAS QUE COMPROBADO

-En la caja negra del 4 en 1 ¿huele a quemado o no? (es inconfundible)
NO, HUELE COMO SI METIERAS LA NARIZ EN UN VIDEO....COMO A ELECTRONICA
-Los cables al motor presentan algún requemado en la funda??
NINGUNO
-Hay batería cargada bien?
LA ESTOY CARGANDO AHORA PERO ESTABA BIEN, DE HECHO EL MOTOR DE COLA FUNCIONABA..Y SI CONECTO EL MOTOR PRINCIPAL AL CONECTOR DEL MOTOR DE COLA GIRA.
-emisora: interruptor flight mode en pos. normal.
PROBE DE TODO
-Bajar a tope la palanca del gas, y TAMBIEN el trim correspondiente,
esperando unos segundos a ver si arranca el motor.
NADA, LO BAJO Y CUANDO LO SUBO GIRA LA COLA... EL DRIM AUMENTA LA REV DE LA COLA
-Hacer lo mismo con esa palanca arriba, mantenerla a tope durante 2 seg., tambien arriba su trim.

SI LA SUBO A TOPE LA COLA SE PONE A TOPE DE REV PERO NADA
-Probar en otra posición del puñetero switch flight m. :evil:
LISTO Y NADA
IMPORTANTE:(edito): ¿las demás funciones van correctas? es decir, se mueve el plato como te dije?
EL PLATO SE MUEVE COMO DIJISTE

Si todo esto falla, puede ser que el regulador está quemado. Hay que cambiar el 4en1, pidiéndoselo al que te vendió el heli.
Creo que se podría poner un ESC externo, pero no puedo asegurar que funcionase, ya que hay salidas del 4e1 para eso, no?
EL QUE ME VENDIO EL HELI NO TIENE HASTA DENTRO DE 6 SEMANAS..NECESITO UNA YA!!!! DONDE LA PUEDO CONSEGUIR PARA AYER?
Busca las definiciones de regulador, ESC. etc, aquí:
http://www.spookycopters.com/maxrpm_00000e.html
está dentro de la caja del 4en1, donde están el receptor y el giro, y otro ESC para el motor decola. Por eso se llama 4en1. :)
s
mE TOY LEYENDO LA DEFINICIONES...


Puede que este quemado el regulador y funcione todo lo demas? es decir se puede haber estropeado el canal del motor grande?


puede ser algun switch que este mal puesto?
Me ayudaria que flemming me dijera como los tiene

gracias spooky no se como agradecerte todo lo que haces por mi. gracias

Avatar de Usuario
Por Antonio Diez spooky
#702952
De nada 8)
Si, puede quemarse sólo el regulador.
Prueba a cambiar las teclas del canal de motor princ. y también prueba con la tecla LOCK.
De cada vez, apaga y vuelve a encender todo en orden correcto
Por Marta
#702957
A que teclas te refieres??

Ya he probado con el Lock, nada que tendre que pedir esa pieza

en rc material no la tienen que yo vea...


No la encuentro por ningun lado... sabeis de algun sitio que vendan recambios walkera?

No se si empezar e nuevo y pillarme otro heli y dejar este pa pruebas....6 semanas no aguanto..jo
Avatar de Usuario
Por Antonio Diez spooky
#702963
La otra tecla a probar es la 3, (TRHO) pero si no las has cambiado y funcionaba...
No es probable que encuentres el 4en 1 en tiendas nacionales. Son helis baratitos, pero no hay cobertura de piezas localmente pues no cuidan ( o carecen) de política comercial. Lo suyo es pedirlo de China.

Si te pillas otro, una opinón, que sea de 4 canales, y ten cuidado con los chollos. :wink:
Ahora, aprender, estamos aprendiendo, eh? :D

Que pena, hombre, hubiera molao, que volara... a ver si todavía lo hace...

por cierto, donde están todos?? de vacaciones, supongo :cry:
Última edición por Antonio Diez spooky el Vie, 18 Jul 2008 0:47, editado 1 vez en total.

¡Elija que Addons deben funcionar, utilice sólo lo que realmente necesita!