miliamperios.com

Bootstrap Framework 3.3.6

Más de una docena de componentes reutilizables construidos para proporcionar iconografía, menús desplegables, grupos de entrada, navegación, alertas, y mucho más ...

Todo lo relacionado con el estudio, diseño y funcionamiento de circuitos y componentes electrónicos relacionados con el radio control. Fundado el 4 de Octubre del 2006.

Moderador: Moderadores

Avatar de Usuario
Por MrFlower
#105697
Hola ivanovich
Mis felicitaciones. Mi codigo era libre, y con todo lo que has hecho, es practicamente tuyo.

Basicamente tengo todo eso implementado en mi actual codigo exceptuando la programacion de recorrido que la tengo fija. En estos variadores digitales tenemos ese problema, la espera del pulso de la emisora, que en principio no podemos segir generando la PWM, pero te doy una idea para que lo resuelvas: sabes que la velocidad varia con el duty cicle de la PWM, la frencuencia en principio no influye en la velocidad, lo que hice tendiendo en cuenta que tenia que capturar lo que me llega de la emisora es generar una PWM de diferente frecuencia y mismo duty cicle mientras capturo el pulso, asi no dejo el motor en X durante ese tiempo, si te fijas, si durante 1.5ms (por ejemplo) el motor estubiera off, cuando estes al 99% de la PWM que generas tienes realmente otra frecuencia de funcionamiento con otro duty cicle que es la frecuencia de la PPM con el duti cicle del 1.5ms, haciendo que la diferencia entre el penultimo punto del sitck y el ultimo sea una diferencia de potencia "grande" para como estabas aumentandola hasta antes de ese punto.
Es este el caso de los variadores de jamara, o almenos el de 22A que tengo, no solo no tienen curba sino que entre el penultimo punto del stick y el ultimo hay una diferencia "grande" de potencia.

Aun asi, yo busque otra solucion al tema, pues no me gustaba del todo mi solucion, la solucion esta en un generado de PWM autonomo, :))) por hardware, la solucion esta en el pic12F683, el de la gama mas alta de los 12, la diferencia de precio es miserable y podemos hacer cosillas interesantes con el.
Para darte aun mas ideas, con el 629 actualmente uso los AO internos como comparadores para detectar low battery, estos AOs son facilmente configurables, entrando en un modo "programacion" podemos poner la tension que queramos, disponen tambien de eeprom para almacenar los datos, por lo que no necesitas calibrar stick ni programar nada mas cuando lo haces la primera vez.
Tambien tiene 3 timers, uno de ellos activado desde una patillas, por lo que tambien podemos capturar la PPM por hardware, mola eh?
Al final tenemos unas cuantas lienas de configuracion y la tabla de la curba.

¿porque no lo he hecho? porque los 12F683 los tengo, los compre en farnell que es donde podeis comprar cualquiera de estos pics, porque soy un flojo, porque el que tengo en mi Horten VII funciona y quiero estar en misa y repicando... :(((

Te cedo el honor a que lo agas, es mas, creo que tengo por aki un par de 12F683, te envio uno pa que pruebes si te motivas a hacerlo (de grati).

Un saludo y animo!!!
Por jglabraca
#105708
Hola MrFlower/Ivanovich,

Vosotros estáis en otro nivel..... y lamento no poder ayudar en estos temas, pero mis limitaciones de electrónica son considerables, y de ensamblador también (algo hice en la universidad con el motorola 68000).

Aún consciente de mis limitaciones, lo que sí me gusta es fabricar este tipo de elementos, hacer uso de ellos y entender como están hechos...más que ir a la tienda y comprarlos hechos (eso si q es fácil).

Bueno, ya contado un poco de rollo, os formulo algunas dudas que aunque las puse en post anteriores, con tantos post se han pasado.

Mi intención es hacerme el Hidrofoam. Por lo que he visto, utilizan motores AXI2208/34 y similares (creo recordar que son trifásicos).

Este aparato rondaría los 300-350 gramos incluyendo la electrónica y es capaz de volar e incluso de correr (por agua y tierra) alrededor de 60 km./hora. ¿ con motores bifásicos sería posible ?

El variador que has diseñado ¿ es factible usar lipo's ? Mi intención sería usar 2S, 3S ó 2S2P (dependiendo del peso).

¿ Sería posible usar el microcontrolador 12c508 en lugar del 12f629 con el código original de MrFlower sin necesidad de reprogramar nada (se que se trata de un chip q no permite reescritura, pero es q no encuentro en mi ciudad el 12f629 y tengo por aquí un 12c508)?

Una última pregunta, ¿ conocéis algún esquema para hacer un variador trifásico de garantía?

Muchas gracias.
Avatar de Usuario
Por MrFlower
#105899
Hola.
Si, puede servir pa lipos. Pero quizas sea algo dificil encontrar en motor de escobillas que te de ese empuje como minimo, no se, un 280BB con reductora 3:1 y una pala grande...10x6 cuestion de hacer calculos, probablemente salga algo mas pesado pero sin duda mucho mas barato.

No, no hay reguladores caseros trifasicos funcionales para aeromodelismo, esquemas hay varios dando vueltas, pero sin software, o vienen todo y faltan en el esquema datos como la patillas a donde van las cosas... almenos yo no he encontrado nada lo suficientemente claro ni explicado como para que me de confianza de funcionamiento.

Un saludo.
Avatar de Usuario
Por Ivanovich_RC
#105939
Muchas gracias!
He estado mirando el datasheet del 12F683 y ya estoy viendo la cantidad de prestaciones que da, el generador de PWM que lleva, los tres timers, reloj interno hasta 20MHz, los comparadores de voltaje...se adapta muy bien al propósito que le queremos dar...
Sería chulo recibir ese PIC, yo creo que, después de hacerle algunas pruebas para aclararme con tanto registro especial nuevo para mi, replantearía el programa desde 0 para poder aprovechar todas las características de hardware del micro, pero lo suyo sería procurar respetar, si es posible, la posición de las entradas/salidas de anteriores circuitos, ¡así lo podeis usar también!

Bueno, dejo el link del circuito y programa provisional para el 16F84, por si a alguien le interesa, y espero poder ponerme manos a la obra con la nueva versión cuando tenga el nuevo uC.

http://www.blogs.ya.com/ivanovich

Por cierto que te mando un privado con mi dirección para el envío de ese PIC, muchas gracias de antemano.

Saludos!!
Avatar de Usuario
Por MrFlower
#105967
Hola. ivanovich.
He hechado un vistazo asi por encima, y has cambiado muchas cosas.
Te doy otra pista, el 629 tiene interrupciones (el 508) el problema era generar la PWM mientras contamos los pulsos PPM, pero... ¿y si mediante una interrupcion activas el TMR0 y que el se encarge de contar la PPM mientras tu por software generas la PPM??
Es eso lo que esta hecho esactamente en mi software, esto es CASI perfecto, el unico inconveniente esque una interrpciones cuesta ciclos de reloj, asi como las intrucciones necesarias para activar y leer el TMR0, asi que el duty cicle de la PWM varia ligeramente en el tramo de la lectura PPM, realmente es casi inapreciable, pero aunque flojo, soy exijente :P.

He estado estudiando mas detenidamente mi software, aunque parezca mentira no me acuerdo ni de un pijo (es otro problema que tengo aparte de la flojera), le voy a colocar la tabla de exponencial y os voy a poner el AO interno funcional pa que sirva pa cualquier bateria :).

Ivanovich, en este lunes sale el 12F683, cuidamelo que lo quiero mucho :PP, por cierto, pedi otros 12F683 pero me llegaron en formato este que se suelda por debajo, si los quieres, estos te los vendo :P

Por cierto, algo que no llego a pillar, has dicho que pones rampas de aceleracion y deceleracion pero... con un mosfet conmutando la deceleracion no es necesaria, pones motor off y listo, solo se para, en to caso es necesario hacer un brake si quieres que la helice no gire con el viento, cosa que yo no he hecho en mi software y que segun veo tampoco esta en el tuyo. Ahorrate lineas y quita la deceleracion, que no es util.

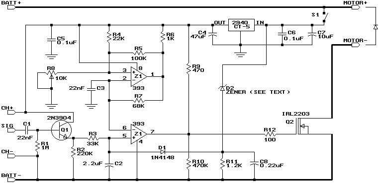
AH! otra cosa, el esquema con el 16f84 ta regula, la resistencia de 10k que va a la patilla 11 no engancha a la salida del 7805 sino al + de la bateria directamente, es muy recomendable usar un condensador en bornas de la resistencia variable de 1uF para filtrar los posibles ruidos y que no corte el motor por uno de estos ruidos.

Por ultimo, mi esquema original tiene otra cosa regula ademas de que no le puse el C, la resistencia de la puerta del mosfet no debe ser de 1K sino de 47 o 100ohm, con un 1k se calienta un poco mas de lo normal.

Arreglare el esquema y lo pondre mas mejor :). Todas estas cosillas estaban resultas en versiones posteriores pero no llege a ponerlas por el foro.

Un saludo.
Avatar de Usuario
Por Ivanovich_RC
#106108
MrFlower escribió:Hola. ivanovich.
He hechado un vistazo asi por encima, y has cambiado muchas cosas.
Te doy otra pista, el 629 tiene interrupciones (el 508) el problema era generar la PWM mientras contamos los pulsos PPM, pero... ¿y si mediante una interrupcion activas el TMR0 y que el se encarge de contar la PPM mientras tu por software generas la PPM??
Si te fijas esto es lo que hago, cuando tenemos un flanco positivo del PPM hay una primera interrupción en la que simplemente se activa el TMR0, y el programa no se detiene a esperar todo el pulso, sino que sigue generando PWM. En resetear el timer y demás tarda exactamente (según el simulador de MPLAB) 23uS. En la recepción del flanco de bajada del PPM hay que hacer más operaciones, se tiene que considerar el tamaño del pulso, evaluar si es correcto o se sale de límites, filtrarlo a través de las rampa de aceleración, y en mi caso asignar el Duty Cicle. Entonces se vuelve de la interrupción y se sigue generando PWM. Esta segunda interrupción, tarda, dependiendo de la posición del stick, de 30 a 60uS, me explico. Cuando el Stick está en la misma posición que en el pulso anterior, y esto en principio pasaría la mayoría de las veces, la interrupción es de 30uS. Cuando están habiendo cambios la interrupcion dura unos 60uS +-5uS. Esto en principio son tiempos bastante despreciables, pero ESTÁN. Por eso es interesante resolverlo de un modo más redondo.

Nada más de momento, un saludo y gracias por las observaciones, realmente habían un montón de fallos. A ver si poco a poco esto se va depurando.

Un saludo y gracias.
Buenos vuelos!
Por jglabraca
#111527
Buenas MrFlower,

¿ podrías publicar la última versión del software del controlador ?

El otro día me compré todos los componentes para hacerme uno...

Gracias,-
Por itubal
#155517
Una pregunta que parece un poco tonta.

En el primer variador que se puso en el post...

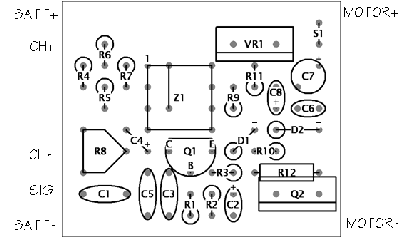
El dibujo en formato word que viene en el archivo .rar de las pistas... ¿¿¿ Es por el lado de LOS COMPONENTES ??? si os dais cuenta la patilla 1 (que está marcada) esta arriba a la izquierda. EL otro esquema que muestra los componentes está en la misma posición.

SI se imprime de esta manera sobre vegetal (o poliester) sirve para hacer la placa, es como se indica en imprentas "con emulsion abajo" es decir con el toner hacia abajo en contacto con la placa.

Enga gracias.
Por itubal
#163490
Es una pena que este tema se esté perdiendo.
Animo chicos en unos dias tendré el mio listo.

Por cierto Alguien me puede enviar al privado información sobre lo que el receptor le manda al PIC, que es lo que lee el PIC para subir o bajar la velocidad. La verdad es que he hecho algo con el PIC 16f84 pero no termino de entender el programa.

Seria interesante que se pusiera info sobre algun esquema para programar el 12f629 y si teneis alguno que sirva para los dos mejor. Yo tengo el tipico "serpic" al puerto serie, pero no encuentro las modificaciones para programar tambien el 12f...


En otro orden de cosas, ¿se podría hacer tambien un mezclador???
Por Alfredo Sanchez
#168699
Buenos dias,

Que valor deberia tener el divisor de tensión (R5 y RV1) para poder ser usado con LIPOS ??

Hace unos años monté un variador casero basado en 12c508 muy similar al presentado en este hilo. Se llama Navo 10/30-S, variador con BEC de 30A. He estado mirando por google pero no encuentro nada referente el mismo, afortunadamente aun conservo el codigo fuente, esquemas y layout.

Desconozco si esta información está protegida por copyright y tengo dudas si se puede publicar o no. Es mi primer post en este foro y bueno, para ayudar estamos.

Un saludo,
Alfred.
Por itubal
#171329
Holas de nuevo:


Solamente queria hacer una pregunta sobre el esquema del principio de este hilo.

¿Como se conecta el variador al receptor? ¿Van los tres hilos directamente al conector del canal que he de utilizar para variar la velocidad ?

Gracias, ya solo me queda eso para hacer las pruebas de funcionamiento.
Avatar de Usuario
Por Ivanovich_RC
#171511
itubal escribió:¿Van los tres hilos directamente al conector del canal que he de utilizar para variar la velocidad ?
Pues sí, van conectados así sin más al receptor. ´nicamente tener cuidado de conectar cada cable a su sitio, y ya está. El Cable negro o marrón ( o el más oscuro ) será el negativo. Fíjate en los cables de los servos. El cable del centro es la señal y el otro el positivo.

De todos modos, al final hice el variador con un PIC12F683, pero no lo he publicado. A ver si lo cuelgo en el Blog porque el resultado está siendo bueno, llevo unos 8-10 vuelos. La verdad es que lo quería probar un poco antes de publicarlo, no sea que...

Bueno, ya pondré algo más en breve...

Saludos!

Ahm...sobre lo que comentabais de qué envia el receptor al PIC es una señal digital que se envía cada 50ms aprox. y que dura de 1000 a 2000 microsegundos. En función de su duración indicará una posición del Stick u otra.
Avatar de Usuario
Por MrFlower
#171666
Hola ivanovich.
Me alegra que terminases el proyecto, cuentanos las caracteristicas, mas concretamente, si has puesto curbas, deteccion de bateriaso manual, opciones de programacion, cuantos khz obtienes, que resolucion tienes de PPM, si has añadido control de errores y demas cosas :).

Un saludo.
Avatar de Usuario
Por Ivanovich_RC
#171845
Pues la verdad que lo he dejado bastante pelado :D Es decir, el variador funciona, pero lo único que tiene es la seguridad para no arrancar por las buenas, y un mínimo de corrección ante señales extrañas (se para hasta que recibe una buena). Por lo demás, 10KHz, ahora he podido elegir la frecuencia con comodidad :twisted: y por lo que he visto hasta ahora el Mosfet no se calienta apenas nada, con 10A, se debe poner a unos 8-10 grados por encima de la tª ambiente. Teoricamente soporta hasta 50A, pero no lo he probado. Antes se me calentaba mucho más, supongo que por los 10KHz que antes eran 2 aprox.

En fin, apenas lo he documentado, pero sí tengo el esquema y el .hex y el .asm.
Eso sí, me gustaría redondear todo eso que le falta al programa. Ya verás que de momento es sumamente corto.

Lo subo al Blog y tal y así lo podeis ver.
Avatar de Usuario
Por MrFlower
#171939
Hola.
Es corto y eficaz, has puesto curba, un poco de correccion de datos, stick con programacion fija, sin freno, sin delay a la aceleracion/desaceleracion, simple, eficaz y con una pwm bastante alta, me gusta ;).

Si obserbas los variadores brushed del mercado practiamente todos tiene delay a la aceleracion para evitar consumos elevados y que los Amperios que dicen que soportan los soporte, esto hace que ese variador no sea adecuado por ejemplo para un avion 3D, pues se requiere una pronta respuesta del motor, cosa que se puede obtener con este esc.

Unas obserbaciones solamente al circuito, D2 lo suelen llevar dentro los mosfets, se puede omitir, el mosfet aguanta 50A solo si cumples con las demas condiciones en cuanto a disipacion y tension, tienes que ver las graficas del pdf para verlo, te lo limitan los W tambien, para 50A y xW salen muy pocos voltios :).
Los fabricantes de escs no se equivocan cuando elijen los mosfets en encapsulado SO8, es mejor pequeños en paralelo que un grande.
Supongo que D2 es un shottky (el dibujo es de un diodo normal) de 1A minimo para motores 400, para consumos de 15A (480 o 500) quizas mejor de 1.5 o 2A el shottky.

En cuanto termine con las mil cosas que llevo para adelante, lo monto :=).

Un saludo.
Por itubal
#172000
Muchisimas gracias a Ivanovich_RC por tus aclaraciones y por tu magnífico trabajo. ¡ Sigue así !

Muchas gracias a ti y a todos los que estan siguiendo este tema en el foro. Si alguno quiere el PIC programado o la placa me lo puede pedir que gustosamente se lo envio, o si me lo envia se lo programo sin compromiso.

Enga Gracias.
Por itubal
#176078
Holas de nuevo:

Ya terminé el variador (el primero de todos) y funciona de maravilla.

Como me ha sobrado placa de circuito impreso y además ya tenia el programador de PIC (aunque le he añadido el zócalo para circuitos de 8 patillas) , reitero que si alguno necesita el pic programado o la placa con el circuito solo me lo ha de pedir. Por este servicio no cobro nada !faltaria más ! es un favor que os hago en pago a vuestra dedicación y a las respuestas que me habeis dado en este y en otros foros.

Enga gracias a todos y !!!! ANIMO !!!
Avatar de Usuario
Por zabana
#176687
Una duda que me surge,en su momento supe de electronica algo y por lo que se de como circulan las intensidades ylos voltages,si se montan 2 LM7805 en paralelo el voltage se mantendria en 5V de salida pero 2A maximos ( siempre y cuando se puedan suministrar los voltios minimos y amperaje minimo para que se puedan alimentar las entradas) a lomejor lo que si haria falta es en la union de las dos salidas un condensador para desacoplar los dos integrados ( matadme si me equivoco mucho :oops: )

En fin,si lo dicho funcionara seria muy facil el tener un BEC de 2A pudiendo alimentar a 4servos...

Saludos!!!
Por itubal
#176789
Yo estoy de acuerdo con zabana. De hecho puse 3 de estos 7805 para alimentar un CD con una bateria de coche.

Tambien existen 7805 en otro encapsulado y que admite más intensidad.
Avatar de Usuario
Por zabana
#179226
Una cosilla Itubal,los 7805 los conectactes tal cual o metistes algun elemento mas,te explico es que cuando lo comenté en mi tienda de electronica me dijeron que se debia poner un diodo en antiparalelo entre la salida del segundo y la entrada del primero para protegerlos.
Y otra cosilla,¿sabrias decirme cual es el otro integrado que da 5v y mas de 1A?
Saludos!!!
Por itubal
#181320
Gracias Ivanovich:

La verdad es que es sencillo de implementar. Ta muy bien.
Avatar de Usuario
Por zotfidjy
#192015
Hola Mi pregunta es cual es el consumo minimo para poder utilizar este variador? Me explico, tengo varios variadores caseros y no funcionan bien con motores 150, ya que necesitan un consumo mas elevado. Lo necesitaba para un heli. Me gustaria saber cual es el consumo minimo de este. Gracias
Por itubal
#266803
Holas a todos:

Hice el variador casero que se indica más arriba y efectivamente, algunos hemos tenido algunos problemillas.

El caso es que si no le subes el gas lento se queda "pillado" a las máximas revoluciones. (esto está reportado en este foro y en mensajes personales que he recibido) Pero me he dado cuenta, que si le toco con el dedo a alguno de los MOSFET, el variador se recupera y va a la velocidad marcada y sigue funcionando siempre que le mandes lentamente.

¿Que está fallando en el esquema? ¿le puedo hacer algo para solucionarlo?

Enga gracias
Avatar de Usuario
Por zabana
#266886
Pues si eso es así me da a mi que puede ser tal vez electricidad estatica o algo similar, ahora mismo no lo tengo a mano el datasheet,pero mira si el disipador del mosfet esta conectado a la patilla que va a masa y si es asi une todos los disipadores y derivalos a masa a ver si se soluciona...por que es lo que creo que ocurre cuando lo tocas con el dedo, que se deriva a masa...Por probar queno quede :wink:

Saludos y gracias por comentar estas cosillas!!!
Por jasper
#270248
Ya publiqué un regulador que va de miedo y sale por 6€, os paso esquemas, un saludo.
Adjuntos
escbecsc.gif
escbecsc.gif (7.47 KiB) Visto 3507 veces
escbecpl.gif
escbecpc.gif
escbecpc.gif (6.18 KiB) Visto 3515 veces
Avatar de Usuario
Por zotfidjy
#270372
Podeis encontrar mas informacion sobre este variador que propone Jasper en:
http://www.geocities.com/aeromodelli200 ... ler01.html
Esta en italiano pero no es dificil de entender.
Saludos

¡Elija que Addons deben funcionar, utilice sólo lo que realmente necesita!