miliamperios.com

Bootstrap Framework 3.3.6

Más de una docena de componentes reutilizables construidos para proporcionar iconografía, menús desplegables, grupos de entrada, navegación, alertas, y mucho más ...

Todo lo relacionado con el estudio, diseño y funcionamiento de circuitos y componentes electrónicos relacionados con el radio control. Fundado el 4 de Octubre del 2006.

Moderador: Moderadores

Avatar de Usuario
Por Iniciado
#1374714
Aqui dejo un reto para profesionales y aficionados a la electronica.
Es un circuito facil pero hay que saber del tema,si no :x

Consiste en encender 3 led con un simple interruptor de palanca ON-OF-ON.
De forma que en cada posicion de la palanca se encienda solo un led.

Normas.
--Gana el reto el que menos componentes utilice.
--Solo se utilizaran componentes basicos.Nada de arduino,pic,microcontroladores,etc.
--Alimentacion a 12 V.
--No vale copiarse.
1001.jpg
A ver quien se atreve... :mrgreen:
Avatar de Usuario
Por pa22
#1374804


El interruptor sobra :lol: Aunque es importante la posición del dedo :shock:

Aumenta la resistencia y pon los 12V

Por cierto, cuanto hay de premio ? Trabajar por amor a la ciencia ya no se me da bien :mrgreen:

PD: Lo básico es relativo, como todo en el planeta
Avatar de Usuario
Por Iniciado
#1374817
Intento fallido.
Motivo...
No se ha utilizado el interruptor.
Ha sido copiado de la red.


Este es un video FAKE como la copa de un pino.Esto no te lo crees ni tu ni nadie con un minimo de conocimientos basicos.
Si alguien esta de acuerdo con el video,estoy dispuesto para el debate.
Sobre el premio,estoy en ello. :roll:
Para el reto no es necesario montarlo,solo con poner un esquema es suficiente.
Es un ejercicio mental para remover la neuronas.
Avatar de Usuario
Por pa22
#1374831
Ajajajaja :lol: Interruptor si tiene, sino como enciende y apaga los leds?

No lo copié, lo comparto .... Obviamente hay algo "raro", en las respuestas del video lo dice el que lo hizo, no hay misterios.

Ese ha hecho muchos videos con leds, es para no creérselo. No te alteres ....
Avatar de Usuario
Por Iniciado
#1374846
Intento fallido.
Motivo...
Ha sido copiado de la red.

Buen intento,ya contaba con ello,por eso puse de norma "no vale copiarse".
Al menos podias haberlo modificado algo, no que has echo copi-paste del tiron. :lol:
Esta fué una solucion que le di a un compañero en otro foro para un inventillo.
Pero no pasa nada,hay mas formas de hacer este circuito así que seguimos adelante...
Por cierto luisfelipego bienvenido al foro.
Por jesusvaldi
#1375038
Hola a todos.

Aunque seguramente habrá otra forma más fácil y con menos componentes, lo primero que se me ha ocurrido es el diseño de más abajo.

Lo primero es saber que el interruptor propuesto sólo tiene dos vías/circuitos y por tanto directamente sólo podremos encender apagar dos de los leds. El tercero hay que pensar cómo encenderlo en la posición donde no hay contacto (OFF). Mi propuesta, el tercer led se enciende sólo cuando los otros están apagados. Con dos transistores en conmutación, generamos la salida al tercer led.
Int3posiciones.png
Interruptor de 3 posiciones
Esta es la solución propuesta (el interruptor usado en su posición intermedia, es de idéntico comportamiento al propuesto por Iniciado).
3Leds.png
Seguro que Iniciado tiene otra solución más sencilla.

Saludos, Jesús ..........
Avatar de Usuario
Por Iniciado
#1375054
Hola jesus,gracias por colaborar.

Este esquema te ha tenido que llevar un buen rato comiendote el coco.
En principio la idea es buena y funcionará pero tiene un fallo.
Te lo explico para que lo corrijas.
---D2 esta encendido porque Q2 esta permanentemente conduciendo.Por lo tanto en el colector de Q1 tienes los 12 V.
---Cuando pulsas SW1 para encender D3 haces que conduzca tambien Q1.
---Si Q2 y Q1 conducen a la vez producen un cortocircuito por lo que uno o los dos transistores se quemaran.
Puedes solucionarlo cambiando las conexiones de dos componentes.
Por cierto que el esquema está muy bien detallado.

Suerte.
Avatar de Usuario
Por Jose Luis28
#1375120
Borrado, no valia...
Avatar de Usuario
Por Iniciado
#1375144
Hola jose luis,ya te estabas tardando.
Como verás a simple vista es un circuito facil, pero a la hora de realizarlo la cosa se complica.
Suerte...
Por jesusvaldi
#1375145
Iniciado escribió:Hola jesus,gracias por colaborar.

Este esquema te ha tenido que llevar un buen rato comiendote el coco.
En principio la idea es buena y funcionará pero tiene un fallo.
Te lo explico para que lo corrijas.
---D2 esta encendido porque Q2 esta permanentemente conduciendo.Por lo tanto en el colector de Q1 tienes los 12 V.
---Cuando pulsas SW1 para encender D3 haces que conduzca tambien Q1.
---Si Q2 y Q1 conducen a la vez producen un cortocircuito por lo que uno o los dos transistores se quemaran.
Puedes solucionarlo cambiando las conexiones de dos componentes.
Por cierto que el esquema está muy bien detallado.

Suerte.
Vaya, habrá que darle otro tiento. No me había fijado en que hay un estado en el que los dos transistores conducen a la vez; de echo al simularlo tampoco se ven valores de cortocircuito (igual los transistores tal como están polarizados no están en la región de corte/saturación), voy a revisarlo y a ver si soy capaz de dar con la tecla. Por cierto, que me está haciendo pensar el circuito eeeeh......

Saludos, Jesús .....
Avatar de Usuario
Por Jose Luis28
#1375153
Iniciado escribió:Hola jose luis,ya te estabas tardando.
Como verás a simple vista es un circuito facil, pero a la hora de realizarlo la cosa se complica.
Suerte...
Es que habia utilizado el interrptor como un conmutador de 3 posiciones, y claro en ese caso es muy fácil.

Si es chunguillo si, yo intuyo mas por fé todo sea dicho, que la clave está precisamente en la posicion OFF jesus.

A ver si saco un rato y pienso un poco...
Por jesusvaldi
#1375252
jesusvaldi escribió:
Dom, 10 Sep 2017 20:09
Iniciado escribió:Hola jesus,gracias por colaborar.

Este esquema te ha tenido que llevar un buen rato comiendote el coco.
En principio la idea es buena y funcionará pero tiene un fallo.
Te lo explico para que lo corrijas.
---D2 esta encendido porque Q2 esta permanentemente conduciendo.Por lo tanto en el colector de Q1 tienes los 12 V.
---Cuando pulsas SW1 para encender D3 haces que conduzca tambien Q1.
---Si Q2 y Q1 conducen a la vez producen un cortocircuito por lo que uno o los dos transistores se quemaran.
Puedes solucionarlo cambiando las conexiones de dos componentes.
Por cierto que el esquema está muy bien detallado.

Suerte.
Vaya, habrá que darle otro tiento. No me había fijado en que hay un estado en el que los dos transistores conducen a la vez; de echo al simularlo tampoco se ven valores de cortocircuito (igual los transistores tal como están polarizados no están en la región de corte/saturación), voy a revisarlo y a ver si soy capaz de dar con la tecla. Por cierto, que me está haciendo pensar el circuito eeeeh......

Saludos, Jesús .....
Bueno, pues ahora creo que sí.

Al circuito anterior, si colocamos una resistencia de 1M entre la base de Q2 y la posición 3 del interruptor, se soluciona parte del problema de saturación de ambos transistores. Pero la verdad, no es una solución muy 'elegante'.

Después de darle vuelta al asunto, creo que esta otra es una mejor solución.
3Leds.jpg
Añadir descripción
Creo que no se me ha escapado nada, esta vez.

Saludos a todos y dsifrutad de este reto......
Avatar de Usuario
Por Iniciado
#1375328
Esquema correcto
Nº de componentes ...8.
3Leds.jpg
3Leds.jpg (32.47 KiB) Visto 2909 veces

Enhorabuena Jesus,lo has conseguido.
Este te ha quedado mejor y has utilizado 3 componentes menos que en el otro.
A ver quien mas se anima, aunque no consiga superar el numero de componentes pero podemos ver que otras formas hay de hacerlo funcionar.
Avatar de Usuario
Por Iniciado
#1375329
Jesus, esta es la modificacion que podías hacer en el esquema anterior.
Colocar la resistencia del led D2 entre los colectores.
Adjuntos
file 10.png
Por jesusvaldi
#1375390
Iniciado escribió:
Mié, 13 Sep 2017 21:37

A ver quien mas se anima, aunque no consiga superar el numero de componentes pero podemos ver que otras formas hay de hacerlo funcionar.
Venga, a ver qué otras soluciones hay. Me pica la curiosidad de cuál fue la tuya.

Saludos, Jesús ....
Avatar de Usuario
Por sukoi
#1375415
Hola, usando un PC, la entrada centronics y un poco de software .... esta chupado :mrgreen: :mrgreen: :mrgreen: :mrgreen:

saludos
Avatar de Usuario
Por Iniciado
#1375420
sukoi escribió:
Vie, 15 Sep 2017 18:29
Hola, usando un PC, la entrada centronics y un poco de software .... esta chupado :mrgreen: :mrgreen: :mrgreen: :mrgreen:

saludos
Sukoi me parece que no te has leido el primer post. :mrgreen:
Dale al coco verás que no es tan facil como parece.
Avatar de Usuario
Por Iniciado
#1375477
jesusvaldi escribió:
Vie, 15 Sep 2017 7:36
Venga, a ver qué otras soluciones hay. Me pica la curiosidad de cuál fue la tuya.
Saludos, Jesús ....
Mi esquema era este que me copio el compañero luisfelipego
mh3ukw.jpg
mh3ukw.jpg (10.82 KiB) Visto 2813 veces
Pero como me lo has superado,he tenido que modificarlo y ahora estamos igualados en 8 componentes.
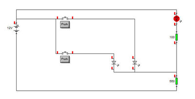
En lugar del interruptor de palanca he utilizado dos pulsadores.Es que el cocodrile es muy limitado.
024.JPG
Animo que todavia se puede superar. :mrgreen:
Avatar de Usuario
Por Iniciado
#1375826
Bueno ahí va el ultimo que he conseguido.
Solo 6 componentes.
258.JPG
No se si se podrá superar pero si alguien lo logra que lo ponga.
Por jesusvaldi
#1375891
Buenas.

Cómo se notan los años de experiencia, Iniciado. Una solución muy buena, jugando ahí con las caídas de tensión en la resistencia de 560 ohm y los leds de los circuitos del interruptor. Esa resistencia de 100 ohm, limita la tensión de polarización del Led, que asegura el que no pueda conducir por no llegar a la tensión de trabajo.

Enhorabuena.

Saludos, Jesús .....
Avatar de Usuario
Por Iniciado
#1376066
gracias Jesus.Tu si que sabes.
Voy a poner otro haber si se anima esto.
Jesus no te digo na,vamos a darle la oportunidad a otros a ver si nos sorprenden.
Avatar de Usuario
Por Iniciado
#1376067
Vamos con otro mas facilito.
Mismo interruptor de palanca ON-OF-ON
2 led.
12 V.

A un lado enciende 1 led.
Al centro no enciende nada.
Al otro lado encienden los dos led.

¡Elija que Addons deben funcionar, utilice sólo lo que realmente necesita!