miliamperios.com

Bootstrap Framework 3.3.6

Más de una docena de componentes reutilizables construidos para proporcionar iconografía, menús desplegables, grupos de entrada, navegación, alertas, y mucho más ...

Fundado el 13 de Noviembre del 2003.

Moderador: Moderadores

Avatar de Usuario
Por juan ruiz
#143863
Hace muchos años un amigo mio me dio una charla sobre este tema,habian hecho un monton de pruebas sobre el tema,no te puedo decir porque es, pero estoy seguro que en AM llegan las ondas mas lejos bajo el agua,decian que en 27mhz era la mejor frecuencia para los submarinos,si encuentro alguna información ya te la pasare el motivo de ello.

Saludos
Avatar de Usuario
Por tgnjkl
#143892
JUAN, ya me diras algo. De todas maneras en las aguas donde "juego" con mis juguetes RC la visibilidad es escasa y dudo que pueda ver el sub a mas de 1m. bajo el agua.
He hecho las pruebas con electroiman, una virgueria, gracias de nuevo Javier, por la idea.
Como siempre, se cumple que lo mas sencillo es lo mas efectivo, aunque parezca "cutre" no hay que complicarse la vida.
Un simple electroiman recuperado de vete a saber que maquina (hace muchos años que lo tengo guardado) aguanta mas de 8Kg de peso con menos de 1A. de consumo a 16V. Con 8 V mantiene de sobras los 2Kg del lastre sin inmutarse y consumiendo menos de 0,5A.
Adjuntos
A 8V.JPG
electroiman.JPG
Avatar de Usuario
Por juan ruiz
#144445
Llevo buscando dos dias bobinas como la tuya,tenia por lo menos diez,de despieces de los radiocasset de ocho pistas,tenian una fuerza brutal a 12 V y un consumo muy bajo,era lo que tiraba de la bandeja para sacar la cinta,es buena idea lo de soltar el lastre,pero lo pierdes siempre que lo sueltes o no puedes ir a aguas profundas,nunca sabes cuantos metros de hilo puedes necesitar,si es siplemente en caso de perdida hay otro sistema que lo veo mas facil y es, un avitaculo en la parte de arriba para una pelota de pinpon con varios metros de sedal y va fijada con un poco de jabon,el agua lo va disolbiendo y la pelota se suelta y sube a la superficie,es otra idea.

Saludos
Avatar de Usuario
Por tgnjkl
#144615
El electroiman de la foto hace unos 40mm de largo, como voy a ponerlo en el exterior del casco me hace montar muy abajo el lastre. He construido una bobina nueva la mitad de larga que me da un consumo un pelin inferior, ahora le hare el nucleo magnetico, tanto exterior como exterior y espero que me de sujeccion suficiente. Si aguanta 2Kg al aire ya es mas que suficiente, porque bajo el agua el peso sera inferior por el principio de arquimedes :roll: .
Esos si que eran inventores y sabios, 3000 años despues se siguen aplicando sus principios y formulas.
Lo de las pelotas de pingpong ya lo habia visto en alguna WEB y tambien lo pienso montar, pero para recuperar el lastre. No la pondre con jabon, sino que simplemente alojada entre el casco y el lastre, de modo que al separarse los dos, la pelota se suelte y la podre "pescar" con el remolcador de emergencia y a traves de un hilo de pescar de 10Kg (que ya tengo de remolcar veleros) lo podre recuperar.
Avatar de Usuario
Por tgnjkl
#151173
Ya tengo solucionado el tema de la suelta del lastre, a base de electroiman, funciona de maravilla. En breve pondre el esquema definitivo de como queda el sistema completo de los failsafe y alguna foto del electroiman.
Llevo unos dias "out", mi trabajo es inversamente proporcional al de los trabajadores normales, te puedes imaginar como lo tengo esta semana, incluyendo sabado y domingo.
Avatar de Usuario
Por Diego Gonzalez
#152022
Me encanta tu proyecto, y esa idea de usar pedositos con jeringas me chifla, me acabas de picar igual me monto un submarino y todo, del yipo nuclear que son redonditos y no son miuy dificiles de hacer

Existen planos de submarinos??

podrias poner alguna web que estubiera bien, tubiese fotos y ya puestos seccion de construccion??

graciassss
Avatar de Usuario
Por Diego Gonzalez
#152025
perdona no habia visto las webs que pusiste, me voy a poner a aprendermelas jejej

saludos
Avatar de Usuario
Por tgnjkl
#161886
He modificado la idea de soltar el lastre con un mecanismo y lo sujetare con un electroiman, como me aconsejo Javier. He rediseñado la etapa del circuito temporizador en caso de "gran fallo" para que funcione segun la nueva idea.
El sistema de electroiman funciona muy pero que muy bien, he construido uno mas pequeño usando un trozo de tubo cuadrado de hierro de 20X20X20mm y sujeta mas de 2Kg con menos de 400mA de consumo, ademas en caso de que todo falle (incluso los fail-safe) siempre se acabara soltando al acabarse las baterias y subira, a no ser que "juegue" en aguas profundas, baje demasiado y el casco no soporte la presion (en teoria el tubo que tengo aguanta como poco 3Kg/cm* o sea unos 30 metros de profundidad).
Adjuntos
temp+electr.jpg
temp-sub.jpg
Avatar de Usuario
Por tgnjkl
#173020
Penultimo circuito electronico, solo faltara el detector de agua a bordo que soltara tambien el lastre para obligarlo a hacer superficie a las buenas o a las malas.
Este es el RC switch que activa el motor del lastre regulable, hay que hacer dos (subir y bajar) que se activan con el mismo canal de la emisora y que a traves de dos reles (inversor de giro) un poco potentes (se ven en la foto) alimentan el motor que mueve el mecanismo del lastre regulable.
Adjuntos
Electronica.JPG
Estado actual de todo el montaje electronico de abordo.
RC switch.jpg
Esquema Rc-switch
Avatar de Usuario
Por Diego Gonzalez
#174149
Te queda ya menoss!!!! animoooo jejeje

Mas adelante porque no piensas en hacerlo todo en una unica pcb??

yo si tubiera tiempo te la dibujaba y la hacia pero ando escaso del valioso tiempo :?
Avatar de Usuario
Por tgnjkl
#174213
Esta hecho en pequeñas placas individuales para poder sacar cada modulo en caso de fallo. Como solo hago una placa de cada, no vale la pena todo el proceso de hacer una PCB, hace muchos años que hago circuitos en plaquitas universales y no me lleva mas de 5 minutos hacer una. Lo mas lioso es diseñar cada circuito y que al conectarlo junto a los demas funcionen todos bien al mismo tiempo, sin que haya transitorios ni rebotes raros al activarse uno u otro.
Avatar de Usuario
Por Diego Gonzalez
#174312
Cierto por una parte tienes razon, para el prototipo mejor hazlo asi y luego una vez testeado, yo creo que seria lo mejor (ponerlo en una placa, entre otras cosas por el orden de componentes y la facilidad que eso ofrece para reparaciones de partes individuales (componentes)), Luego, si se está al 100% de que no sufrirá fallos lo bañas en resina y impermeable 100%, la unica denventaja es que si lo haces la reparacion se acaba y si se fastidia todo a la basura....

Pero bueno esto ya lo debes de tener pensado, asique nada...te dejo con lo tuyo, ANIMO y haber cuando comienzas con la "mecánica y construcción" :lol: yo de momento en mi submarino nada, hace tres semanas que no avance en el avion ni en los planos de u-boat.... me parece a mi que eso va ser pa muy largo :?

Un saludo!! :wink:
Avatar de Usuario
Por tgnjkl
#174343
Ahora estoy haciendo el lastre regulable, ya tenia la reductora hecha y estoy acoplando el tornilo sinfin y las jeringuillas, al mismo tiempo estoy experimentando con las tapas roscadas del casco.
Avatar de Usuario
Por tgnjkl
#182033
El lastre regulable ya funciona.
Adjuntos
Micro max.JPG
Micro que corta el motor al llegar al maximo recorrido de llenado (inmersion)
Micro supeficie.JPG
Micro que corta el motor al llegar al final del recorrido de vaciado (superficie)
Reductora.JPG
Motor y reductora que mueven las jeringuillas.
Lastre reg.JPG
Foto "aerea"
Avatar de Usuario
Por tgnjkl
#192658
Prueba de presion del lastre regulable.
Es capaz de llegar a generar 2,5Bares de presion, una "bestia" que equivaldria a desalojar el agua del tanque a una profundidad de 25 metros, profundidad a la que no va a llegar a no ser que se hunda.
Adjuntos
Presion.JPG
Avatar de Usuario
Por tgnjkl
#193634
Cada jeringuilla es de 60mL. osea 60g. y he montado 2, puedo cargar 120g. de lastre, mas que suficiente para hacerlo sumergir, pero en superficie apenas si saldra por encima del nivel del agua el "lomo" del casco y una pequeña superestructura que le voy a montar, simplemente para hacerlo mas visible.
Para conseguir un efecto flotacion/inmersion como en un sub real hace falta bastante mas capacidad del lastre, pero haria falta mucha mas potencia para moverlo, o usar uno de los sistemas con aire/gas a presion que se describe en algunas WEB's, pero la cosa ya se complicaria demasiado (para mi nivel).
Avatar de Usuario
Por AlbertoCM
#194298
Hola, tgnjkl . Hace tiempo que queria comentarte sobre la posibilidad de poner una bomba peristaltica para el lastre de tu submarino, pero siempre he desechado hacerlo, pués pienso que ya lo habrás tenido en
mente.
Para la profundidad que comentas 2 o 3 metros o posiblemte más, creo
que se podria tener en cuenta, ya que, la cantidad de lastre solo estaria
limitida : 1º por la presión ( a probar )
y 2º por la capacidad del recipiente.

Estan bombas son muy fáciles de hacer con una reductora, yo las uso en aparatos de laboratorio para trasbase de líquidos. ( vienen incorporadas )
Si vale de algo pos me alegro cantidad y si no pos otra vez será.
Saludos.
Avatar de Usuario
Por tgnjkl
#194322
Ya habia contemplado esa posibilidad, he visto en la red un submarino con 1Litro de lastre que funcionaba con una bomba peristaltica, da presion de sobras y puedes hacer el lastre flexible todo lo grande que te quepa en el casco. Lo que pasa es que al ver los precios de esas bombas me quede de piedra, tampoco encontre mercado de segunda mano y no estaba del todo seguro de poder hacerme una y que fuera lo suficientemente fiable, asi que fui por el camino mas baratito y seguro.
Por vitervi
#195374
Soy nuevo en este foro, y tengo que sacarme el sombre delante de tu gran projecto.

Eso si cuando tengas un pequeño tiempo me gustaria pedirte algun que otra solucion para mis dudas sobre el projecto.

Gracias y perdona por me terme donde no toca.
Avatar de Usuario
Por tgnjkl
#195425
Saludos VITERVI, si tienes alguna idea que pueda ayudar o necesitas alguna aclaracion sobre el proyecto, no tienes mas que ponerla aqui directamente, es probable que haya mas colegas interesados.

Si es alguna cuestion que crees que no tiene ningun interes para el foro, puedes mandarme un MP o un e-mail cuando quieras.
Por vitervi
#195921
Hola a todos,

y muchas gracias tgnjkl, pero soy un novato de cuidado, y creo que mis ideas son basicas para tu proyecto, pero bueno, antes tendria que saber como lo haces todo, pero bueno, por eso te dije que no queria molestarte, pero si medejais ya intentare dar idas.

Gracias a todos
Por vitervi
#199420
Hola a todos,

Me gustaria saber como has hecho los de las gerindillas me tiene muy intrigado?

Gracias y perdonar las molestias
Avatar de Usuario
Por tgnjkl
#201215
Si echas un vistazo a los links que puse al principio de este hilo, podras ver alguna WEB donde hay mas informacion al respecto.
Mi tanque de lastre esta hecho con piezas de desguace de impresoras, concretamente un motor con su piño de salida y dos engranajes iguales para la reductora, reduccion entre el piño de salida y el primer engranaje 3:1, entre ambos engranajes 5:1, en total es una reductora de 15:1. El eje del ultimo engranaje lo he sustituido por una varilla roscada de M4 que gira solidaria a este, entre las dos jeringuillas hay un casquillo de laton, roscado a M4 que al girar la varilla se acerca o se aleja de la reductora, y para finalizar simplemente unes a este casquillo las partes moviles de la jeringuillas, mientras se sujetan mecanicamente por el exterior.

Las RPM estan medidas en vacio.
El dibujo es meramente orientativo, no esta a escala y hay componentes que no figuran en el.
Adjuntos
lastre.jpg
Mecanismo del lastre regulable.
Avatar de Usuario
Por tgnjkl
#215314
Pues si, estoy muy callado, pero eso no quiere decir que este quieto, sino todo lo contrario.
La parte mas dificil del casco (tapas estancas) ya esta casi acabada.
Los dos propulsores tambien estan apunto de salir del "horno".
Ahora se me acumula el trabajo, no tengo mucho tiempo y esta bastante parado, ya pondre alguna AAAAfoto de como van las cosas, ademas estoy a punto de empezar el diseño y construccion de un velero de 2,5m. y aparcare un poco el submarino (tengo mono de termicas, hace dias veo las cigüeñas y rapaces haciendo circulos).
Por vitervi
#215711
Hola a todos de nuevo,

Es verdad nos tenias abandonados, pero gracias por la explicacion creo que lo tengo muy claro, y me agustado bastante la ida le dea jerindigas.

Gracias por tu aportacion a mi corta experiencia.

Gracias :D
Avatar de Usuario
Por Alexeyev
#218368
Hola a todos, primera vez que escribo en este apartado del foro, acabo de leer todo el hili y me parece muy muy bueno lo que estan haciendo, y les contaré algunas pequeñas experiencias propias...
hace muchos años construí uno todo en aluminio y lámina galvanizada, y con mandos de cable desde la superficie, porque no habia forma de conseguir radios, pero funcionaba de maravilla... claro, hasta que se me ocurrio meterlo en un rio "apacible"... y ya se imaginarán...

bueno, el sistema de propulsión lo hice como pongo en la imagen de abajo... y jamás se mojo el motor por mas que tenia entradas de agua en un principio. y con mucha mejor potencia que cuando lo ponia directo.

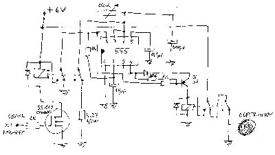
luego, utilicé un bote de aire a presion y la valvula la operaba con una electrovalvula que compre donde venden piezas para tractocamiones, que utilizan para la palanca de velocidades, funcionan con 6 y 12v y ahi mismo encontre mangueras y muchos artilugios mas, este aire lo utilice para inyectarlo en una jeringa para vacas y caballos, que es mucho mas grande y funcionaba excelentemente bien, para lastre de emergencia, simplemente abria otra electrovalvula directamente "hacia dentro del casco" esto para cuando habia inundaciones, pues tenia montado un sensor de humedad que cuando detectaba filtraciones activaba la alectrovalvula ambas conectadas en una "Y" desde el bote de comprimido, y nunca fallo...
Adjuntos
sistema propulsion sub.jpg
este es el esquema, espero que les sirva de algo la idea

¡Elija que Addons deben funcionar, utilice sólo lo que realmente necesita!