miliamperios.com

Bootstrap Framework 3.3.6

Más de una docena de componentes reutilizables construidos para proporcionar iconografía, menús desplegables, grupos de entrada, navegación, alertas, y mucho más ...

Fundado el 22 de Septiembre del 2003.

Moderador: Moderadores

#1301909
Como esta apunto de comenzar un nuevo año es hora de afrontar nuevos retos,Esta vez le ha tocado el turno al p 47 tunderbolt en su version de 2.20 de envergadura.al igual que su hermano pequeño sera la version razorback.El avion lo construire a partir de un plano.ya he decidio el tren de aterrizaje,que sera neumatico asi como el tren de cola.me falta decidir que motor le pongo.El avion llevara todos los mandos ocultos,escape igual que el real,compuertas de tren,cabina a escala.etc etc etc.En cuanto sa el diametro de la carena escogere el motor.E 7 77 radial de evolution no cabe.El saito fg 84 radial tampoco.el 3 35 radial se queda pequño en cuanto a potencia.asi que no se que le pondre delante. :?

lo que si ya he decidido sera la decoracion:
Última edición por Manuel hernandez el Dom, 19 Abr 2015 21:43, editado 2 veces en total.
Avatar de Usuario
Por macario moreno
#1302023
Hola Manuel, felices fiestas. Aprobecho en primer lugar para felicitarte por los dos preciosos modelos anteriores el p-47 y el messe, dos grandes trabajos.
Genial la decisión de hacerte un p-47 màs grande, seguirè tus pasos para seguir aprendiendo con tus técnicas.
Bueno, te deseo que pases una feliz noche vieja en compañía de tus seres queridos :D , y que este nuevo año que entra te traiga mucha salud y lo que pidas.
SALUDOS Y UN ABRAZO.
Por Manuel hernandez
#1302036
macario moreno escribió:Hola Manuel, felices fiestas. Aprobecho en primer lugar para felicitarte por los dos preciosos modelos anteriores el p-47 y el messe, dos grandes trabajos.
Genial la decisión de hacerte un p-47 màs grande, seguirè tus pasos para seguir aprendiendo con tus técnicas.
Bueno, te deseo que pases una feliz noche vieja en compañía de tus seres queridos :D , y que este nuevo año que entra te traiga mucha salud y lo que pidas.
SALUDOS Y UN ABRAZO.
Gracias mario,yo tambien deseo desde aqui lo mejor para todos vosotros ,y que el año que viene sea mejor que este.Un abrazo y feliz año nuevo. :D :D
Avatar de Usuario
Por chapi07
#1302368
Saludos Manuel y al resto

Feliz año nuevo !!
Hablamos la semana pasada sobre los razorbacks !! Bueno , como te dije tengo en proyecto el razorback mas grande que hay que es de 122" ( como el de angel marquez ) ... pero como es un proyecto lejano, me has calentado y me animo a tu hilo y a realizar otro igual que tu... La diferencia es que voy a partir del ARF de black horse, con lo cual me ahorro todo el tiempo de construccion y ademas vienen las alas separadas que aunque no es muy grande (2100) ya para transportarlo es mejor asi.

El mio le acabo de pedir y tardara un tiempo, asi que mientras tu vas montando , yo espero ...

Segumos en contacto
Avatar de Usuario
Por termico
#1302450
Interesante proyecto para empezar el año.
Animo!!
Por Manuel hernandez
#1303060
Gracias a todos.pero el avion por alguna extraña razon(correos es una mierda) lleva en madrid desde dia 4.bueno lo que decia que si logro que se parezca al de la foto solo la mitad ,ya me doy por satisfecho.
ya vere que hago para que el color aluminio quede matizados diferentes. :?
Adjuntos
kansas tornado.jpg
Avatar de Usuario
Por termico
#1303068
Creo que lo podrás hacer con estropajo scotch-brittex y lana de acero...
suerte
Avatar de Usuario
Por Jorge Medina
#1303227
Buenas!

Para hacer ese efecto yo te recomiendo lo siguiente:

En el mercado hay Oracover de color Cromo, este se pone como cualquier otro entelado, y la verdad es que una vez puesto queda demasiado cantoso y bastante feuco, muy brillantón.

El truco es después delimitar con cinta de carrocero y con un estropajo verde ir matizando cada panel en una dirección diferente. así matamos el brillo y damos un tono diferente a cada panel, puedes trabajar unos mas que otros para acentuar mas los desgastes en unos y darle así vida a la maqueta.

En el foro de veleros tienes un hilo mío sobre un blanik en el cual diversos paneles de la cabina han sido tratados de igual modo, para que veas los resultados:
Imagen

Los laterales de la cabina están hechos así por ejemplo.

Saludos
Avatar de Usuario
Por ultimatetwo
#1304237
8) Me apunto al hilo..., además del modelo 60 electrificado tengo un kit de su hermano grande de la Top Flite todo palitos de este avión en ese tamaño metido en su caja para un futuro projecto. Mi idea aunque todavía tengo bastantes dudas al respecto es hacerlo con motorización y trenes electricos....
La verdad es que cuando uno se enamora de los P-47 la cosa parece no tener remedio... :mrgreen: :mrgreen: :mrgreen: :mrgreen: :mrgreen:
Un saludete.
Manolo.
Por Manuel hernandez
#1304406
gracias,aunque a este paso ya dudo de que algun dia empieze a construirlo,pq sigue perdido en algun lugar de las aduanas de madrid.
asi que desde aqui me pronuncio publicamente.ADUANAS ,CORREOS,Y ADTPOSTALES ES UNA GRAN MIERD....... :x :x :x :x :x :x :x :x
Con ellos la palabra inutiles cobra un especial significado.
Avatar de Usuario
Por Marlo
#1304433
Si tienes numero de seguimiento pon una reclamación escrita in situ en la misma oficina de correos lo antes posible, yo una vez tuve un paquete olvidado en aduanas y cuando puse la reclamación me lo localizaron rápido, me dijeron que el paquete estaba retenido porque a la dirección de envío le faltaban datos suficientes para la entrega, estas cosas a veces pasan... Suerte.
Avatar de Usuario
Por chapi07
#1304472
Saludos manuel

Yo tenia un motor retenido desde el dia 6 de enero y me ha llegado hoy...

No te preocupes , te llegara el paquete , pero tienen segun me han dicho un lio de cojones, un atasco de las navidades brutal...

Ademas a ti te tardara algo mas , porque despues de madrid te lo tienen que mandar a palma.
Si te puedo ayudar en algo yo sabes que vivo en madrid ...

Un saludo
David
Por Manuel hernandez
#1304822
chapi07 escribió:Saludos manuel

Yo tenia un motor retenido desde el dia 6 de enero y me ha llegado hoy...

No te preocupes , te llegara el paquete , pero tienen segun me han dicho un lio de cojones, un atasco de las navidades brutal...

Ademas a ti te tardara algo mas , porque despues de madrid te lo tienen que mandar a palma.
Si te puedo ayudar en algo yo sabes que vivo en madrid ...

Un saludo
David

hola david si puedes ayudarme,ve y pegale fuego :evil: :evil: :evil:
Avatar de Usuario
Por chapi07
#1304852
Jajaaja....

La verdad que esto solo pasa en españa macho ....lo de correos de españa es un descontrol y una desiria .... Ni tienen gente , ni medios, y ademas si comparamos con los envios de europa o usa son carisimos !!!

En fin , paciencia que llegar te llegara seguro como dije, he intentado muchas veces llamar por telefono pero los telefonos que he encontrado creo que no son validos... por si acaso te dejo la info aqui..

Oficina de Correos Madrid-Barajas: 913964249 y 913964261
Aduana Madrid-Barajas: 913964259 y 913964267
Speedtrans: 918331000

Speedtrans es el que nos cobra la aduana , pero creo que ese telefono no existe, a los otros he llamado a veces pero nadie contesta.

La unica solucion es ir alli, yo si ves que la cosa no avanza el jueves me puedo acercar a aduanas que me pilla cerca del trabajo y preguntar, pero si me piden justificante de compra o DNI no me darian el paquete, eso seguro

Lo que pueda ayudar , te ayudo !!

Ya me dices
Por Manuel hernandez
#1305160
chapi07 escribió:Jajaaja....

La verdad que esto solo pasa en españa macho ....lo de correos de españa es un descontrol y una desiria .... Ni tienen gente , ni medios, y ademas si comparamos con los envios de europa o usa son carisimos !!!

En fin , paciencia que llegar te llegara seguro como dije, he intentado muchas veces llamar por telefono pero los telefonos que he encontrado creo que no son validos... por si acaso te dejo la info aqui..

Oficina de Correos Madrid-Barajas: 913964249 y 913964261
Aduana Madrid-Barajas: 913964259 y 913964267
Speedtrans: 918331000

Speedtrans es el que nos cobra la aduana , pero creo que ese telefono no existe, a los otros he llamado a veces pero nadie contesta.

Hola chapi,parece que mi paquete se va moviendo,ahora me mandan un e mail donde cortesmente me dicen que mi envio ya ha salido de sus almacenes,su pongo que ahora ya solo tardara otro mes en llegar a mallorca :evil: :evil: :evil: :evil:
La unica solucion es ir alli, yo si ves que la cosa no avanza el jueves me puedo acercar a aduanas que me pilla cerca del trabajo y preguntar, pero si me piden justificante de compra o DNI no me darian el paquete, eso seguro

Lo que pueda ayudar , te ayudo !!

Ya me dices
hola chapi,parece que hay movimiento y quizas lo tenga en cas aen un par de .......semanas mas???',que horror :evil: :evil:
ya ando pensando en que motor le pongo,y no se que hacer,si un asp 400 o un gasofa,pero para mi lo de gasofa no me acaba de convencer,ver en cuanto tenga el replano si cabe en la carena el asp 400
Por Manuel hernandez
#1305567
Hola.hoy al fin me ha llegado el avion,(sigue habiendo parte del pedido retenido por ahi :twisted: :twisted: ).Despues de abrir la caja lo unico que se ve es una tonelada de madera y muchisimo curro.una vez desplegados los planos me di cuenta de lo grande que es :? :? :? :? el estabilizador mide 85 cm!!! :shock: :shock: :shock: :shock: .... veremos como acaba todo esto :? :? :?
Lo primero que hare es ver donde me pueden digitalizar los planos y copiarlos.

No querias tunderbolt grande???? pues ahora vas i lo cascas!!!!!!! :? :? :? :? :?
Adjuntos
p 47 giant.JPG
el boli es para comparar el tamaño
Última edición por Manuel hernandez el Mié, 04 Feb 2015 18:50, editado 1 vez en total.
Por Spitt
#1305611
Manuel hernandez escribió:
chapi07 escribió:Jajaaja....

La verdad que esto solo pasa en españa macho ....lo de correos de españa es un descontrol y una desiria .... Ni tienen gente , ni medios, y ademas si comparamos con los envios de europa o usa son carisimos !!!

En fin , paciencia que llegar te llegara seguro como dije, he intentado muchas veces llamar por telefono pero los telefonos que he encontrado creo que no son validos... por si acaso te dejo la info aqui..

Oficina de Correos Madrid-Barajas: 913964249 y 913964261
Aduana Madrid-Barajas: 913964259 y 913964267
Speedtrans: 918331000

Speedtrans es el que nos cobra la aduana , pero creo que ese telefono no existe, a los otros he llamado a veces pero nadie contesta.

Hola chapi,parece que mi paquete se va moviendo,ahora me mandan un e mail donde cortesmente me dicen que mi envio ya ha salido de sus almacenes,su pongo que ahora ya solo tardara otro mes en llegar a mallorca :evil: :evil: :evil: :evil:
La unica solucion es ir alli, yo si ves que la cosa no avanza el jueves me puedo acercar a aduanas que me pilla cerca del trabajo y preguntar, pero si me piden justificante de compra o DNI no me darian el paquete, eso seguro

Lo que pueda ayudar , te ayudo !!

Ya me dices
hola chapi,parece que hay movimiento y quizas lo tenga en cas aen un par de .......semanas mas???',que horror :evil: :evil:
ya ando pensando en que motor le pongo,y no se que hacer,si un asp 400 o un gasofa,pero para mi lo de gasofa no me acaba de convencer,ver en cuanto tenga el replano si cabe en la carena el asp 400
Hola que tal, me alegro que ya tengas el avion en marcha despues de la espera.

Si tienes el asp 400 ponselo , pero si no lo tienes y ests pensando en que motor comprar, yo sin lugar a dudas elegiria un gasofa, date cuenta que nesesitaras peso en el morro y todo lo que necesita el gasofga ( cdi, baterias , escape a escala , es peso util ) que podiras acoplarlo lo mas adelantado posible.

No se en que no te convence un gasofa, y siempre hay pros y contras pero creo que el gasofa tiene mas pros que contras.

Gasta menos es mas fiable a las paradas(claro esta teniendo en cuenta la instalacion correcta tanto de cdi como de deposito y demas)

En mi club creo recordar que habia un asp pero no recuerdo la cilindrada era una gozada verlo arrancado pero ternias que tener mucho cuidado con los calentadores de bujias abeces fallaban y eran un engorro.

En fin tu ya decides. pero yo pondria gasofa .

Un saludo
Avatar de Usuario
Por chapi07
#1305617
Pues me alegro manuel que ya este en tus manos ...

Yo estoy como loco por pillar el mio, pero no se cuanto tardara , quizas algunos meses ....

En fin, una pequeña apreciacion .... El FG84 es un motor ideal, pero en el P47 sale por todos los lados de la carena , con lo cual para mi esteticamente queda feisimo ...

Yo al mio le voy a meter un gasolina 55cc que ira sobrado de potencia, y creo que algo de peso tendre que llevar al morro tb...

La gasolina como dice el anterior compañero es bastante mas fiable que esos multicilindros glow, creo que dara menos dolores de cabeza, aunque el sonido sea mas real el multicilindro. En estas escalas medianas no hay motores de gasolina multicilindros que entren en las carenas... es a partir de 3 mts donde ya si que cabe un moki o similar ...

Venga animo y a por el ...
Por Manuel hernandez
#1305823
Hola PPfly,ya vere al final que motor le meto,pero una cosa seguro,no voy a destrozar la carena con tal de llevar un multicilindro.
Por otro lado como el tiempo acompaña.metido en casita la cosa cunde!!
es hora de ir pensando que tipo de abisagrado le pongo,si como viene en el plano o como el real.Por otro lado he estado buscando info acerca de fabricar el mandode elevador que ira oculto.creo que al final lo hare de tubo de carbono de 11 mm,atravesado por un tornillo de acero mas o menos como el que lleva el p 47 de composite ARF...alguna idea mas se os ocurre? :D




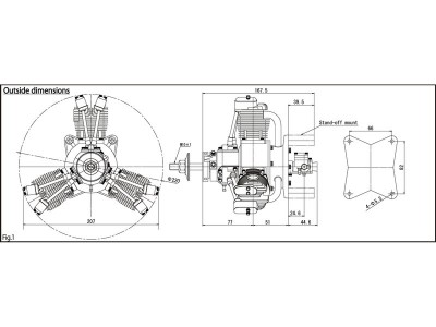
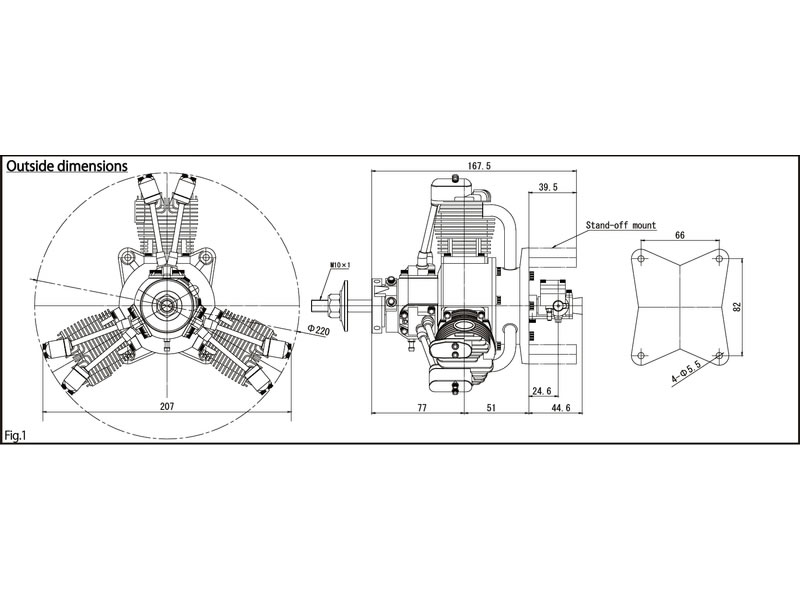
chapi por mucho que piense no se me ocurre otra cosa que un gasolina.O el DLA 55 RA o bien el OS 55..aunque me pese :roll:

de este link cojo muchas ideas : http://www.rcuniverse.com/forum/kit-bui ... build.html

sigo sin encontrar quien me copie los planos tan grandes ..... vaya mier... :evil: :evil: :evil:
Adjuntos
elev.JPG
IMG_20150205_190927 (2).JPG
IMG_20150207_195616.jpg
IMG_20150207_195616.jpg (8.47 KiB) Visto 7681 veces
Última edición por Manuel hernandez el Sab, 07 Feb 2015 22:16, editado 2 veces en total.
Por Manuel hernandez
#1306418
Hola.Con el estabilizador listo(a falta de lijar) he empezado con el timon.Igual que antes construido sobre plano!Una de las cosas que voy a modificar es el clasico horn de mano,que sobre plano viene accionado con una varilla de metal.Lo cambiare por uno accionado por cables fabricado en G10
Adjuntos
IMG_20150208_170407 (1).jpg
IMG_20150210_165154.jpg
timon 1.JPG
timon.JPG
  • 1
  • 2
  • 3
  • 4
  • 5
  • 10

¡Elija que Addons deben funcionar, utilice sólo lo que realmente necesita!