miliamperios.com

Bootstrap Framework 3.3.6

Más de una docena de componentes reutilizables construidos para proporcionar iconografía, menús desplegables, grupos de entrada, navegación, alertas, y mucho más ...

Todo lo relacionado con el estudio, diseño y funcionamiento de circuitos y componentes electrónicos relacionados con el radio control. Fundado el 4 de Octubre del 2006.

Moderador: Moderadores

Avatar de Usuario
Por jguegon
#423404
Creo que lo que te está diciendo en las caracteristicas, es que la tensión a la que funciona el dispositivo es a 3 voltios (fija), internamente, otra cosa es la tensión a la que corta la descarga, que es variable, dependiendo de la bateria a descargar, por ejemplo, una batería de 4.8 voltios, te cortará la descarga aproximadamente a 4 voltios.

Saludos.
Por Sigaba90
#425014
Bueno... pues otro que se ha apuntado al "descargador famoso".

Lo tengo hecho fijándome en la versión 2 en 1 que ha aparecido en otro post anterior, pero me falta poner el dichoso "switch" (Veo muchas patas :roll: , 2 al principio y algo mas separadas 6 más ) y no sé como instalarlas a las salidas de los diodos y al conector final...

¿Alguien me echa una mano... aunque sea al cuello?.

Saludos a todos
Por jesusdavidgg
#426713
Yo hago una sugerencia para los entendidos de la materia.

Si al descargador casero, por ejemplo el de 4 elementos, tiene 5 diodos de silicio (1N4007) si cambiamos un 1N4007 por un diodo LED. ¿hace la misma funcion?

De esta manera vemos segun la intensidad del LED como va descargando o se esta conectado o no. No se si dara el mismo resultado, si lo da es una mejora al circuito casero.
Avatar de Usuario
Por raydhem
#427982
jesusdavidgg escribió:Yo hago una sugerencia para los entendidos de la materia.

Si al descargador casero, por ejemplo el de 4 elementos, tiene 5 diodos de silicio (1N4007) si cambiamos un 1N4007 por un diodo LED. ¿hace la misma funcion?

De esta manera vemos segun la intensidad del LED como va descargando o se esta conectado o no. No se si dara el mismo resultado, si lo da es una mejora al circuito casero.
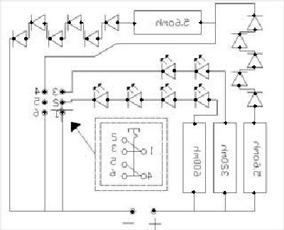
No se puede ya que la intensidad que admite el N4007 es de 1A, mientras que el diodo led solo admite 20mA y se quemaria.Yo he hecho uno, aunque con algun cambio.
Tiene para descargar baterias de 4 y 8 elementos, con unos diodos que indican si ya a acabado la descarga.
Lo he hecho con diodos 1N4007, las resistencias de 5.6 son de 5w y los diodos led son rojos, pero los de la barrera de potencial de 1.8.
Es un circuito comodo, se puede descargar la bateria de la emisora(la mia una FF7) y la del emisor, aunq no al mismo tiempo, y cuando acaba la descarga los leds dejan de funcionar.
Adjuntos
Foto.jpg
esquema.jpg
PD:siento haber escrito en el esquema,en las resistencias Omh en vez de Ohm.
La resistencia de abajo, a la derecha es de 600 ohm
Última edición por raydhem el Vie, 23 Mar 2007 0:18, editado 1 vez en total.
Por Sigaba90
#428016
Bueno, ya he terminado mi descargador y al probarlo todo parecía correcto (la resistencia se calienta y los diodos tambien). Teniendo en cuenta las formulas para la descarga (tensión del pack - Tensión de descarga / valor de la resistencia) a mi me da:
4,8V - 3,5 ( 5 leds x 0.7 )/ 4,7 = 1,3/ 4,7= 276 mAh.

Si el pack es de 600milis me resulta un tiempo de descarga de:
600/276= 2,17 horas x60= 130minutos...

Pues bien lo he tenido ese tiempo exacto y al medir con el polimetro me marca 5,6V... olo que es lo mismo 1,4V por elemento

¿Estoy calculando algo mal? o ¿el resultado no lo interpreto correctamente?
Avatar de Usuario
Por jguegon
#428134
Una pregunta:

¿esa tension, la mides con el descargador conectado, o desconectado?

Pues hay una diferencia notoria.

Aparte de eso, la descarga no es lineal.
Por Sigaba90
#428255
Lo mido una vez he desconectado el pack.

¿A que te refieres con lo de la "descarga no lineal"?
Avatar de Usuario
Por jguegon
#428296
Me refiero a que no es lineal, a que el conectar un diodo, no es como ponerle un interruptor, al final de la descarga, la corriente va bajando poco a poco, no se corta de golpe.

El pack es conveniente que lo midas cuando esté el descargador conectado, porque si no lo haces así, estás midiendo la tensión eficaz del pack.
Para saber si se ha descargado complentamente, mides entre los extremos de la resistencia, te tiene que dar una tensión muy baja , indicativo que el pack está practicamente vacio.
Por Sigaba90
#428392
Pues muchas gracias... ya sé algo más. Lo haré como dices.
Gracias de nuevo.
Por jesusdavidgg
#429238
Para raydhem.

No lo tengo muy claro con el esquema. Para descargar por ejemplo una bateria de 4 elementos, ¿pones en paralelo una resistencia de 320 omh con 2 led en seria a esta resistencia?

¿como calculas el valor de la resistencia y la cantidad de led para descargar baterias con mas elementos?
Avatar de Usuario
Por raydhem
#436586
jesusdavidgg escribió:Para raydhem.

No lo tengo muy claro con el esquema. Para descargar por ejemplo una bateria de 4 elementos, ¿pones en paralelo una resistencia de 320 omh con 2 led en seria a esta resistencia?

¿como calculas el valor de la resistencia y la cantidad de led para descargar baterias con mas elementos?
Los diodos de silicio, los mas comunes tiene una tensión umbral de unos 0.7 V y 0.2 V si fueran de germanio, pero creo que ya ni se encuentran. Esto es para diodos rectificadores, mas o menos, pero los diodos LED son caso aparte, la tensión umbral depende del color del diodo, desde los 1,5-1.8 V de los diodos rojos y verdes (si no recuerdo mal) hasta los 4 V de tensión umbral de los azules.
Así que para VER (y digo VER porque descargar una batería con diodos LED seria eterno) si la batería esta descargada, lo único que necesito es saber la tensión a la que quiero tener en la batería descargada y hacer asociaciones de diodos LED de tal manera que su suma de ellos me de la tensión que deseo, al igual que con los diodos rectificadores, que se ponen 5 de 0.7 para que la batería se descargue hasta los 3.5 V.
En el esquema están puestos dos LED rojos de 1.8 V de tensión umbral para indicar si entre los bornes de la materia hay 3.6 V, si los hay dan luz y cuando baje de esa tensión se apagan.

Para calcular la resistencia limitadora de los LED se hace teniendo en cuenta la tensión mas alta que va a tener el la batería a descargar de tal manera que no pasen mas que 20 mA como máximo ya que sino se queman los LED, por eso se ponen en serie una resistencia de 320 (para una tension maxima de la bateria de unos 5.5 V) con dos LED rojos y todo ello puesto en paralelo con los 5 diodos 1N4007 y la resistencia de 5.6. La rama de los 1N4007 descarga la batería mientras que la rama con los LED indica cuando se han descargado.

Perdón por el tostón pero espero dejarlo claro. jesusdavivgg, si quieres calcular un descargador o a alguien le interesan las cuentas para llegar a el, se las puedo mandar en un privado aunque si hay mucho enteres (cosa que dudo) publico en este post las cuentas que yo hice y que luego cada uno las adecue a su gusto, pero solo usar la ley de Ohm y nada mas.
Por jesusdavidgg
#439902
Muchas gracias raydhem por tu explicacion.

Creo que me a quedado claro, yo quiero un descargador para 7 elementos de Ni-mh (8.4V), seria poner 4 diodos led rojosy una resistencia de 560 ohm en serie y en paralelo a estos los 9 diodod 1N4007.

La resistencia de 600 ohm no existe en el mercado, seria de 560 ó 680 ohm.
Avatar de Usuario
Por svergara
#448507
Como soy un novato en la electrónica, quería saber si alguno de ustedes puede publicar una foto de la placa por abajo, es decir, para poder ver como van soldados los componentes que ya he adquirido.
Me refiero al mas simple, el que es en base a diodos y una resistencia
Muchas gracias de antemano.
Saludos.
Avatar de Usuario
Por dR.LiPo
#458060
jeje..las baterias se descargan tras volar, para cargarlas enteras para cada vuelo. No descargarlas sin usarlas antes. Asi la cuerva de descarga al usarlas en aeromodelos es mas regular en su descenso, duran mas y dan menos disgustos.

Hay que enterarse de las cosas antes de hacer chistes sobre ellas.

Un saludo.
Avatar de Usuario
Por svergara
#458085
Entiendo que este hilo perdió fuerza. Todos deben estar descargando sus baterías con estos prácticos descargadores, pero nadie se ha dado un segundillo para ayudarme.....ALGUIEN QUE ME AYUDE POR FAVOR!!!!
Necesito una imagen de la placa por abajo (las pistas) ya que soy un SUPERNOVATO en el tema de la electrónica.
Gracias de antemano.
Saludos.
Avatar de Usuario
Por Vichu
#458112
svergara escribió:... Necesito una imagen de la placa por abajo (las pistas) ya que soy un SUPERNOVATO en el tema de la electrónica ...
Yo tampoco estoy muy puesto en electronica, pero siguiendo el esquema que se puso (ver dibujo) he dibujado las pistas vistas desde el lado de los componentes:

Imagen

Creo que no hay ningun error, pero por si acaso que alguien lo revise.


Saludos..
Avatar de Usuario
Por jguegon
#458160
Svergara, ya se que no tienes experiencia en electronica, y aunque el montaje es sencillo, es muy dificil transmitir con una foto, un montaje electronico, y que seas capaz de reproducir adecuadamente.

En la foto te han puesto el cableado por la parte de atras, pero los diodos tienen una posicion, los leds también, es decir, si los pones al revés, el montaje no funcionará.

Deberías saber identificar como minimo, el simbolo del diodo, y también identificar sus dos patillas correctamente.

No estaría de más también que supieras interpretar un esquema electrico básico.

También deberías saber hacer una soldadura correctamente.

Este montaje, es de lo más sencillo, pero sin tener absolutamente ninguna idea, podría convertirse en un pequeño problema.

Como supongo que no tendrás a alguien que te eche una mano, lo que puedes hacer, es empezar por el principio, es decir, que plantees la primera duda, alguno de nosotros te podrá ir orientando, y así tu podràs tener tu montaje, disfrutarás un monton, cuando lo veas funcionar.

Aparte de eso, te aconsejo que no te lies con los leds, y te hagas uno de los montajes que puso Enric en su segundo post, son muy sencillos de hacer, y solo llevan diodos normales y una resistencia, si decides hacer uno de esos, nos dices por cual te decides, y empezamos.
Avatar de Usuario
Por raydhem
#459095
No tinenes nungun fallo Vichu, dibuje el esquema asi y no mas bonito para que coincidiese este con el circuito real. Yo no he hecho pistas, con ese tipo de placas es ir haciendo puentes de cable o de soldadura, aunque es una chapuza y el resultado es peor no me toca andar ni con acido ni con la insoladora. Si podeis hacer una placa decente con sus pistas bien hechas, hacedla, que hos quedara mejor y no tendreis problemas con las soldaduras ni con que se vaya algun puente, y personalmente organizaria de otra manera el circuito, para hacerlo mas compacto.
Avatar de Usuario
Por Alberto-rc
#459854
hola alguien me podria decir donde comprar los componentes por internet si se puede? y cuanto me costaria todo para el circuito de raydhem??

gracias de antemano
saludos

pd: yo tambien soy novato en esto, pero algo de teoria algo si que se :?
Avatar de Usuario
Por Alberto-rc
#459865
por cierto e reeditado el esquema y he reflejado la imagen, estas pistas son las que tendria yo que dibujar en la placa por la parte de cobre????
un saludo
Adjuntos
esquemapn3[1].jpg
Avatar de Usuario
Por jguegon
#459938
Pidelos a alguna tienda de electronia de Malaga, por ejemplo, y muy probablemente te los mandaran por correo, aunque te va a costar el porte mucho mas que los componentes.
Sitios de internet hay muchos, por ejemplo:


http://www.digital.arrakis.es/

Lo mismo te digo aqui, y en casi todos los comercios que sirven por correo, los portes, para tan poca cosa, se puede aprovechar para pedir algo más.
Otra solución economica es el desguace; si tienes oportunidad de desguazar algun cacharro, puedes encontrar practicamente todos los componentes.

Un saludo.
Avatar de Usuario
Por Alberto-rc
#461425
bueno, voi a hacer en breve el pedido, en cuanto me eclareis un par de dudas, de cuantos W o como se llaman las resistencias de 600 y de 320 ohm?? o mejor aún cuales serian de aqui??: http://www.digital-sa.com/tienda/index.php?cPath=41_74
como se llama el pulsadorcito ese??
me servirian leds azules de alta luminosidad de 7000mcd??(son los que tengo)

un saludo y gracias de antemano
Avatar de Usuario
Por uresbe
#461764
JGUEGON me has dado una buena lección de generosidad. Yo todavía no me he atrevido a hacer nada electrónico, pero saber que aquí hay gente como tu, (afortunadamente no eres el único) me anima a intentar algo que vea de interés para mí. Saludos cordiales
Avatar de Usuario
Por jguegon
#461881
Raydem, ha puesto resistencias de 5 watios, entonces, en la pagina web de digital, te pone, que si buscas resistencias de 5 watios, les pongas el valor que deseas, mira en la pagina 3 de las resistencias, algo así como "resistencias cementadas de 5 watios" (creo recordar que el precio eran unos 20 centimos por resistencia).
El interruptor, interpreto que es un conmutador de dos circuitos y dos posiciones, (te puede valer uno deslizante, o de pulsador), pero buscalo como conmutador de dos circuitos.

No se que características tienen los leds azules.

Saludos.
Avatar de Usuario
Por jguegon
#462739
conmutador deslizante dos circuitos, dos posiciones.
Avatar de Usuario
Por ayasystems
#526542
Genial este hilo, gracias ;)

¡Elija que Addons deben funcionar, utilice sólo lo que realmente necesita!