Por Capitán_Pattex - Sab, 02 Dic 2017 17:24
- Sab, 02 Dic 2017 17:24
#1378634
Hola a todos,
Desde pequeño siempre me ha gustado el Rockwell OV-10 Bronco, un avión bimotor con doble cola que se usaba para tareas de observación, tanto militar empezando su carrera en Vietnam, como civil, por ejemplo con los bomberos de California como el que he comprado. Lo encontré por casualidad en el foro de segunda mano un 25% más barato que el que tenía localizado en una tienda física, así que me lié la manta a la cabeza y me lo compré. Gracias a TheRunner2005 por vendérmelo, un gustazo hacer negocios con él
He pensado compartirlo con vosotros porque aunque es un ARTF, que viene ya medio montado y entelado, voy a hacer unas cuantas modificaciones que tal vez os puedan ayudar en el futuro. O al contrario, veis cosas que quiero hacer y con las que voy a darme un batacazo.
Tiene una envergadura de 1.2m y una superficie alar de 28dm2, lo que para el peso nominal de 2kg da una carga alar de unos 70g/dm2. Es un modelo antiguo (he encontrado este hilo de rcgroups de 2006), de antes de la llegada de las baterías de Litio y los motores sin escobillas, así que si entonces (por lo que he leído) volaba bien, ahora debería ir incluso algo más ligero.
Aunque es de Fly-model, yo diría que es exactamente el mismo de NitroPlanes. El contenido de la caja tiene esta pinta:
Y las instrucciones... bueno, las he visto más detalladas
Los acabados en general están bien, salvo el entelado de los estabilizadores verticales, que en la parte superior tiene unas cuantas bandas que tendré que repasar.
Me planteo hacerle unas cuantas modificaciones. La primera es más estructural para poder desmontarlo; el estabilizador horizontal irá atornillado a los verticales en lugar de pegado, al estilo de este:

Además, como no me termina de convencer el tema de los servos del elevador en la base del estabilizador vertical, voy a tratar de montar unos Dymond D47 directamente en el interior del estabilizador vertical. Tendré que poner una conexión kwick-link o un snap clip para poder desmontar la conexión rápidamente cuando desarme el avión.
Pienso meter una placa de contrachapado de 0.6mm por la parte exterior del estabilizador que mida unos 3mm más que el hueco para que apoye en los laterales, y sobre ella hacer la forma del servo con balsa para que ajuste. Me tocará desentelar el interior del estabilizador para hacer un surco para el cable alargado, que luego irá por el boom hasta el encastre del ala.
Respecto a la motorización propuesta, evidentemente usaré motores sin escobillas. Apuntando a unos 200W/kg, y estimando que el avión pesará un par de kg (en otros post iré poniendo el peso de cada componente), compré dos PropDrivev2 28-35 de 1200kv, que con una hélice 9x6E he medido que consue 22A a 11.5V, con un empuje de 1150g a 9700rpm. Eso son 225W por motor... así que puedo aumentar el peso un poco sin agobios. Probé varias hélices, y con una 10x4.5 saca 300W a 27.5A con empuje de 1300g a 8500rpm, así que podría subir un poco si fuera necesario. Eso sí, llevo variadores Turnigy Plush de 30A y creo que iría más tranquilo con unos de 40A en ese caso.
Y para poder manejarlo con canales independientes para cada superficie, dado que mi emisora es una Futaba 9CP de 8 canales en 2.4GHz, voy a montar una estabilizadora Micro HKPilot Mega que en su día pillé en una liquidación por menos de 10€. Con ella pretendo manejar las 8 superficies de control (2 alerones, 2 motores, 2 timones, 2 elevadores) con cuatro canales de la emisora, usando un quinto canal para el cambio de modo de vuelo de manual a estabilizado, y un sexto para el giro de la rueda delantera. Llevaré servos HXT900 para timones y alerones, Dymond D47 en profundidad, y TGY-50090M para la rueda delantera.
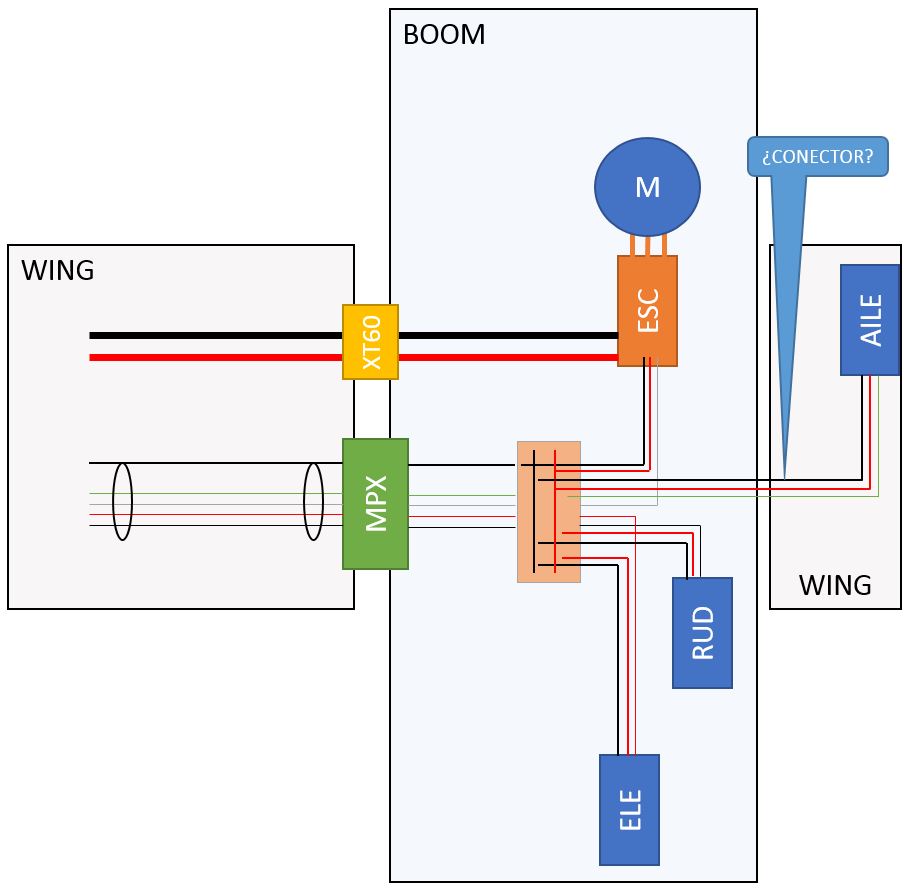
Va a ser una fiesta de conexiones; tengo que llevar la corriente desde la(s) batería(s) a los motores en los booms a través del ala; lo haré con cable AWG14 en principio, con conectores HXT60 en ambos extremos. Cuando mida la caída de tensión entre la batería y el ESC con esos 50cm de cable, a lo mejor subo de diámetro de cable. Alimentaré el receptor, y tal vez la rueda delantera, desde un BEC dedicado, y la controladora desde su propio Power Module. Del receptor a la estabilizadora usaré el propio cable de la estabilizadora, que lleva JST-SH de 1mm de paso en un extremo y conector de servo en el otro. Los ocho hilos de PWM, más el cable de tierra, me los llevaré a un DSUB-9 para la conexión fuselaje-ala; de ahí con cable de USB llevaré cuatro hilos de señal a cada semiala, usando la pantalla como cable de tierra.
El variador de cada motor será el que proporcione energía a los servos de ese lado del avión. La conexión de los cables del ala al boom será con conectores verdes multiplex (4 contactos para las señales, uno para la tierra/pantalla, y uno libre), y de ahí a una plaquita de circuito impreso con pines soldados en la que distribuiré la energía del ESC y las distintas señales.
Es bastante jaleo, así que me he hecho estos esquemas; si vuestros agudos ojos ven algo raro, avisadme. Mi primera duda es si llevar dos líneas de tierra, la de la batería y la de las señales, me puede dar problemas.
Me quedan 2 canales libres (dos con el receptor que voy a usar de momento), que algún día usaré para un sistema de tren retráctil y/o un sistemapan/tilt para una cámara en la cabina. Eso con calma... seré padre en un mes y creo que el proyecto se quedará aquí estancado mientras tanto
Pero bueno, como la parte de "pensar" la tengo algo avanzada, os lo dejo aquí todo con tiempo para que podáis criticar a gusto y con tiempo, y que cuando saque ratos de taller sea con buen conocimiento de causa.
Ea, ya os he dado bastante la lata por hoy... voy a ponerme manos a la obra
Desde pequeño siempre me ha gustado el Rockwell OV-10 Bronco, un avión bimotor con doble cola que se usaba para tareas de observación, tanto militar empezando su carrera en Vietnam, como civil, por ejemplo con los bomberos de California como el que he comprado. Lo encontré por casualidad en el foro de segunda mano un 25% más barato que el que tenía localizado en una tienda física, así que me lié la manta a la cabeza y me lo compré. Gracias a TheRunner2005 por vendérmelo, un gustazo hacer negocios con él
He pensado compartirlo con vosotros porque aunque es un ARTF, que viene ya medio montado y entelado, voy a hacer unas cuantas modificaciones que tal vez os puedan ayudar en el futuro. O al contrario, veis cosas que quiero hacer y con las que voy a darme un batacazo.
Tiene una envergadura de 1.2m y una superficie alar de 28dm2, lo que para el peso nominal de 2kg da una carga alar de unos 70g/dm2. Es un modelo antiguo (he encontrado este hilo de rcgroups de 2006), de antes de la llegada de las baterías de Litio y los motores sin escobillas, así que si entonces (por lo que he leído) volaba bien, ahora debería ir incluso algo más ligero.
Aunque es de Fly-model, yo diría que es exactamente el mismo de NitroPlanes. El contenido de la caja tiene esta pinta:
Y las instrucciones... bueno, las he visto más detalladas
Los acabados en general están bien, salvo el entelado de los estabilizadores verticales, que en la parte superior tiene unas cuantas bandas que tendré que repasar.
Me planteo hacerle unas cuantas modificaciones. La primera es más estructural para poder desmontarlo; el estabilizador horizontal irá atornillado a los verticales en lugar de pegado, al estilo de este:

Además, como no me termina de convencer el tema de los servos del elevador en la base del estabilizador vertical, voy a tratar de montar unos Dymond D47 directamente en el interior del estabilizador vertical. Tendré que poner una conexión kwick-link o un snap clip para poder desmontar la conexión rápidamente cuando desarme el avión.
Pienso meter una placa de contrachapado de 0.6mm por la parte exterior del estabilizador que mida unos 3mm más que el hueco para que apoye en los laterales, y sobre ella hacer la forma del servo con balsa para que ajuste. Me tocará desentelar el interior del estabilizador para hacer un surco para el cable alargado, que luego irá por el boom hasta el encastre del ala.
Respecto a la motorización propuesta, evidentemente usaré motores sin escobillas. Apuntando a unos 200W/kg, y estimando que el avión pesará un par de kg (en otros post iré poniendo el peso de cada componente), compré dos PropDrivev2 28-35 de 1200kv, que con una hélice 9x6E he medido que consue 22A a 11.5V, con un empuje de 1150g a 9700rpm. Eso son 225W por motor... así que puedo aumentar el peso un poco sin agobios. Probé varias hélices, y con una 10x4.5 saca 300W a 27.5A con empuje de 1300g a 8500rpm, así que podría subir un poco si fuera necesario. Eso sí, llevo variadores Turnigy Plush de 30A y creo que iría más tranquilo con unos de 40A en ese caso.
Y para poder manejarlo con canales independientes para cada superficie, dado que mi emisora es una Futaba 9CP de 8 canales en 2.4GHz, voy a montar una estabilizadora Micro HKPilot Mega que en su día pillé en una liquidación por menos de 10€. Con ella pretendo manejar las 8 superficies de control (2 alerones, 2 motores, 2 timones, 2 elevadores) con cuatro canales de la emisora, usando un quinto canal para el cambio de modo de vuelo de manual a estabilizado, y un sexto para el giro de la rueda delantera. Llevaré servos HXT900 para timones y alerones, Dymond D47 en profundidad, y TGY-50090M para la rueda delantera.
Va a ser una fiesta de conexiones; tengo que llevar la corriente desde la(s) batería(s) a los motores en los booms a través del ala; lo haré con cable AWG14 en principio, con conectores HXT60 en ambos extremos. Cuando mida la caída de tensión entre la batería y el ESC con esos 50cm de cable, a lo mejor subo de diámetro de cable. Alimentaré el receptor, y tal vez la rueda delantera, desde un BEC dedicado, y la controladora desde su propio Power Module. Del receptor a la estabilizadora usaré el propio cable de la estabilizadora, que lleva JST-SH de 1mm de paso en un extremo y conector de servo en el otro. Los ocho hilos de PWM, más el cable de tierra, me los llevaré a un DSUB-9 para la conexión fuselaje-ala; de ahí con cable de USB llevaré cuatro hilos de señal a cada semiala, usando la pantalla como cable de tierra.
El variador de cada motor será el que proporcione energía a los servos de ese lado del avión. La conexión de los cables del ala al boom será con conectores verdes multiplex (4 contactos para las señales, uno para la tierra/pantalla, y uno libre), y de ahí a una plaquita de circuito impreso con pines soldados en la que distribuiré la energía del ESC y las distintas señales.
Es bastante jaleo, así que me he hecho estos esquemas; si vuestros agudos ojos ven algo raro, avisadme. Mi primera duda es si llevar dos líneas de tierra, la de la batería y la de las señales, me puede dar problemas.
Me quedan 2 canales libres (dos con el receptor que voy a usar de momento), que algún día usaré para un sistema de tren retráctil y/o un sistemapan/tilt para una cámara en la cabina. Eso con calma... seré padre en un mes y creo que el proyecto se quedará aquí estancado mientras tanto
Ea, ya os he dado bastante la lata por hoy... voy a ponerme manos a la obra
¡Otra batería más, otra batería más!