miliamperios.com

Bootstrap Framework 3.3.6

Más de una docena de componentes reutilizables construidos para proporcionar iconografía, menús desplegables, grupos de entrada, navegación, alertas, y mucho más ...

Fundado el 23 de febrero del 2011.
Foro para principiantes,pequeños rtf y dudas basicas sobre multicópteros.

Moderador: Moderadores

Por draco
#1027937
Bueno pues aun no he provado la 1,7 pero segun dice su creador es mucho mas estable que la otra en modo auto.
Sobre el Nk no estoy muy contento con él, de echo lo quite porque por mas pruebas que le hice de modo auto como yo entiendo auto, nada de nada asi que me acaba de llegar un BMA para probarlo que segun los yankis si que da modo estable, ya ire informando como va.
(ahora le estoy cambiando un motor que sufrio un poco despues de hacer toda la tarde loop con él, tambien lo voy a poner en +, por probarlo).
Avatar de Usuario
Por palomaresdpb
#1028096
Bueno, yo tengo quad X, la version 1.6 fatal, ahora la 1.7 pre, me da una estabilidad nunca antes probada, el nk me funciona a la perfeccion, un nivel de 14, ya no se volar sin el,
Os doy las gracias a todos los que os interesa este hilo, sois autenticos
un abrazo fuerte a todos
8) 8) 8)
Por franjapa
#1028733
Bueno, pues....tazita a tazita..., ya recibi, la turnigy 9x modo 1 y la pase a modo 2, (pecata minuta), estuve probando el receptor, emparejandolo (bind) probando con un servo que tuve que desmontar de un coche que tenia guardado hace 20 años y bueno con el tiempo no descarto meter un firmware mejorado, el poooblema es entenderse con las mezclas, dual rates y exponenciales, pero imagino que con el tiempo iré manejandola.

Me ha surgido una duda, y es que en uno de los manuales de palomares aparece la siguiente imagen, donde se ve como el vcc pin 1 del wii motion plus (alimentacion del dispositivo wmp) está conectado al vcc del arduino.
En principio todo bien pero en el resto de esquemas que hay por la web e incluso en los documentos que ha subido palomares, ese pin va conectado al la salida digital 12 del arduino, descozco con que fin, salvo que sea para desabilitar el wmp, desde el receptor para modo acrobatico ¿¿¿¿¿¿¿¿¿o no?????????? :?
arduino  y wmp.jpg
arduino y wmp.jpg (29.16 KiB) Visto 3815 veces
Avatar de Usuario
Por palomaresdpb
#1028814
No se puede desconectar nunca el wmp, ese es el gyro, se desconecta el nk que es el acelerometro para modo estable, el PIN 12 ALIMENTA el wmp (le da energia, corriente), tienes que conecta el wmp a ardruino de la siguiente manera, el wmp tiene 6 pines que son 6 cables de colores, el pin 1 del wmp a 12 ardruino que le da voltaje, el pin 2 del wmp (cable rojo) al A5 ardruino, el pin 5 del wmp (cable verde) al A4 ardruino y el pin 6 del wmp a GND (tierra) de ardruino.
un saludo
Adjuntos
quadX-300x225.jpg
quadX-300x225.jpg (23.95 KiB) Visto 3812 veces
Por franjapa
#1029006
Gracias Palomares, lo de los voltios es mi terreno, tengo claro como funciona un bus I2c y como va alimentado el wmp, lo que me descoloca es que en la imagen que te he puesto el wmp va conectado directamente a vcc del arduino +5v se utiliza la variante de 16Mhz y 5v) y en principio conectar la alimentacion del wmp ahí es lo mas logico, pero en el resto de esquemas lo conectan a la salida digital 12 del arduino, este último tipo de conexión no tiene mucho sentido salvo que el arduino en algún momento desconecte el wmp o utilicen la salida 12 para alimentar al wmp con solo 3 voltios que es el voltaje que hay en el mando de la wii, o 2,4V si el mando va alimentado con baterias de ni-mh.
Para saber porqué se usa la salida 12 habrá que dar un vistazo al programa del arduino.
Avatar de Usuario
Por palomaresdpb
#1029064
Al principio conectaban el wmp a 5v pero funciona mejor a 3v en el pin 12 no es para conectar y desconectar, por cierto una cosa imprescindible son tornillos sntivibracion para unir el chasis a donde tengais el ardruino+wii+nk, a mi me han ayudado mucho a quitar vibraciones y equilibrar la helices tb ayuda, :D :D :D
https://www.himodel.es/product.php?prod ... 330&page=1
Por franjapa
#1029075
Acabo de medir la tension en vacio de la salida 12 y son +5 voltios, creo que no voy a dar mas vueltas al asunto de la alimentación del wmp, tal vez encuentre la respuesta mas adelante.

Lo que has dicho de eliminar vibraciones así a bote pronto he creído que no era necesario, pero recapacitando.....
TIENE MUCHO SENTIDO, los acelerometros están construidos con cristal piezoelectrico, a groso modo se puede decir que generan corriente con el movimiento, se utilizaban originalmente en las cabezas de los tocadiscos/platos/pick-ups.
Aquí podemos ver un poco como están construidos estos dispositivos.

http://www.dliengineering.com/vibman-sp ... rmetro.htm

http://www.publicoenchubut.com.ar/?p=100

Los giroscopos o giroscopios tambien se ven afectados por las vibraciones

http://www.microsiervos.com/archivo/cie ... opios.html

Por tanto, vibraciones generadas por desequilibrios en la hélices. hacen que los aceleromeros y giroscopos estén generando señales falsas y ruido electrico que puede engañar al bus i2c, e imagino que hacen que el aparato sea poco estable e ingobernable si las vibraciones son muy elevadas.

Por tanto es MUY IMPORTANTE AMORTIGUAR EL WMP, EL NUNCHUK y EQUILIBRAR LA HÉLICES, ademas alargaremos la vida de los cojinetes de los motores.

La pregunta que surge de esto es ¿como equilibrar hélices? los utensilios mas tipicos los he podido ver aquí

http://www3.towerhobbies.com/cgi-bin/wti0093p?&C=QBG

pero he leido mil historias de como hacerlo, unos añaden celo, otros taladran la helice y le llegan a meter bolas de plomo, otros tiran de lija, ¿cual seria el metodo mas "normal" para equilibrar las helices del cuadricoptero?
Por franjapa
#1029082
Pregunta de novato.

El modo estable se aplica/anula con un canal auxiliar de la emisora a la entrada 7 del arduino
ehhhh .....
uhhhhh.....
comorr se hace eso?????
como se cual es la salida del receptor???
tengo que configurar algo en la emisora????
Por franjapa
#1029084
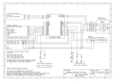
Otra pregunta, que valores han de tener las resistencias del divisor de tensión para el chequeo de la bateria.
Y porqué pone debajo de dichas resistencias aux input (optional)
Adjuntos
2 Full connection diagram v1.5.jpg
Avatar de Usuario
Por palomaresdpb
#1029085
a mi me llegan al pin 12 3,7voltios, y equilibro con dos vasos y un tornillo, el nk lo tengo al aux2 y lo activo y desactivo desde la emisora
un saludo
Por franjapa
#1029360
A ver si hoy tengo tiempo, conecto el arduino con el receptor y el wm+ y mido tension en el pin 12 del arduino en condiciones mas reales.
Respecto a lo de equilibrar, me refiero a la forma de igualar el peso en el tipo de hélices que se usan para el quadricoptero, me explico, tengo que lijar el aspa mas pesada? añado un trozo de celo a la menos pesada? hago taladros en la mas pesada? etc.

Lo del auxiliar es que nunca he tenido una emisora con mas de cuatro canales y en su mayoria han sido de juguete por eso no tengo npi como funciona el dichoso auxiliar, imagino que debe ser una salida de todo o nada que se accione con alguno de los tres mil interruptores que tiene :?

Muchas gracias por tu paciencia y perdón por lo cansino que pueda ser.
Creo que al meterme en un fregao de este calibre desde 0 e ir comentandolo, se crea la posibilidad de que alguien que lea el hilo como yo que no tienen ni idea, pueda perder el miedo, todo ello a costa de que los que saben y lean el hilo me puedan considerar un disminuido psiquico :lol: :lol: :lol:
Avatar de Usuario
Por palomaresdpb
#1029403
Hola, no eres un cansino, todos estamos para ayudarnos, ok!!! :D :D :D
Videos de equilibrio de helices
http://www.youtube.com/watch?v=VgSqnjHHmtY&NR=1
http://www.youtube.com/watch?v=fSC4pD8D ... dded#at=17
El receptor de la emisora en la salida de un auxiliar (aux1, aux2, gear...) tiene 3 pines (cables de servo rojo positivo, negro tierra, blanco tranmision de emisora a servo) el blanco o en otros cables puede ser amarillo lo conectas al pin7 de ardruino, en la emisora activas este canal aux1, aux2, gear...) en la emisora en su menu aparecera inh (inhabilitado) seleccionas el canal y modificas inh a act (activado) y dando a la palanca de ese canal activaras y desactivaras lo que tengas conectado en ese canal, en este caso el pin 7 de ardruino activa y desactiva nk ok!!!!!!! :wink: :wink: :wink:
un saludo
Por franjapa
#1029619
Pues me salen 4,7 voltios en la salida d12 con el wm+ conectado (que poco me gusta).

Despues de pelearme bastante con el, !!veo en el configurador los desplazamientos de los sticks e incluso el dichoso auxiliar cuando le doy al interrruptor!!, pero ni me reconoce el wmp, ni me arma los motores.
¿Es posible que sea por que no tengo conectados los ESCs?
He buscado los travel adjust, pero lo mas parecido que he visto han sido los end points que solo me dejan ponerlos a 120%
¿son lo mismo los travel que los end points?

Un poco decepcionado estoy :cry: :cry: :cry:

¿Me puedes pasar tu configuracion?,l del 1.5 o del 1.7
Avatar de Usuario
Por edrum
#1029641
En efecto es lo mismo Travel adjust que End point o tb ATV.

franjapa, si solo vas a conectar un WMP no veo pq te tienes que comer la cabeza con lo del voltaje.
Si es un original no tendras ningun problema a 5v, y si es un clonico prueba, pero no tendria pq no funcionar creo.
En cuanto a configuraciones, la original del 1,5 y el 1.7 a mi me van de perlas, de hecho es el punto de partida donde encontrarás quizas mas estabilidad en el quad, no tengas miedo. Lo cargas , calibras y a volar.

Salu2
Por franjapa
#1029678
Lo de comerme la cabeza es deformación profesional, por eso creo que me he quedado un poco tocado :lol: :lol: :lol:

Como soy nuevo y un dedos torpes, queria conectar el Nk para facilitar el vuelo, de momento lo dejare estar.

El problema es que en el configurador veo como se desplazan las barras de la gui cuando le doy a los sticks y al aux (me ha costado configurarlo) pero las barras de los motores permanecen en 1000, no se si es que no estan armados, tampoco enciende el led cuando intento armarlos y parece que no me reconoce el wmp ni naaaaaaa, vi en un video no recuerdo donde, como al mover el wm+ los motores en la gui intentaban corregir, no se si sera por no tener los esc conectados, los tengo pedidos a HK desde el dia 7, ya les vale.
Avatar de Usuario
Por palomaresdpb
#1029713
Bueno, pues una buena noticia para todos, ¿quien no ha soñado de pasar de un quad a un hexa?. :shock: :shock: :shock:
pues bueno el primer problema es que se necesita un receptor de radio que tenga salida PPM SUM, en cristiano que todos los canales de la emisora salgan por un solo cable, :shock: :shock: :shock: , este unico cable se conectaria a el PIN2 de arduino y problema solucionado, pero y si tu receptor no tiene salida PPM-SUM ? pues te jod....... o compras esta maravilla de placa
http://www.electronicarc.com/catalogo/p ... ceb0b4bac7
que convierte la señal de tus ocho canales en una solo salida, por lo tanto ya podremos montar hexa con ardruino+wmp+nk gracias a alexparis, pues he comprado la placa, la he conectado como os pongo en las fotos y funciona, :lol: :lol: :lol: , un receptor walkera 2801 pro de 8 canales convertido a PPM-SUM, estoy mas contento que unas castañuelas, asi que a por el HEXA................ :mrgreen: :mrgreen: :mrgreen: :mrgreen:
Adjuntos
Codificador PPM.jpg
ASIGNACION DE CANALES
SNC00113.jpg
RECEPTOR A PIN 2
SNC00114.jpg
SNC00121.jpg
SNC00117.jpg
Por franjapa
#1030146
Bueno pues no tengo narices a arrancar los motores......

Pero al menos he descubierto lo del pin 12 y es que como decia la canción de un viejo programa de television, todo esta en los libros, mejor dicho en los comentarios de a Alex, aquí debajo dejo la traduccion del google sobre la alimentecion del WMP.

Pregunta: ¿Qué pasa con los diodos, reguladores de voltaje de 3,3 V y del pin 12?

Respuesta: La mejor solución hasta ahora es conectar sólo el WM + y NK vcc al pin 12 del Arduino. Pin 12 suministra 5V para el WM + y, opcionalmente, el NK. De esta manera el software realmente puede reiniciar el WM +, si el bus I2C se cuelga. El cuelgue se detecta y el WM + se reinicia muy rápido (en un periodo de 33ms: enlaza). (ver este post de Alex para más detalles).
Tenga en cuenta que esta opción ha salvado ya varios quads y tricopters de duros accidentes!
El WM + tiene un regulador de tension en la placa de a bordo y funciona perfectamente con una fuente de 5V.
Por otra parte, el WM + se puede alimentar de 5VDC o de 3.3VDC continuos. Pero tenga en cuenta que el software no podra restablecer el WM +, si el bus de comunicación I2C se cuelga.
Avatar de Usuario
Por igc23
#1030204
O sea que es mejor conectarlo todo a 5V para que en caso de fallo de comunicacion se autoresetee y siga funcionando, claro está necesitariamos tener el wmp y el nk orijinales
Avatar de Usuario
Por igc23
#1030205
Yo lo tengo todo conectado a la salida D12 y alimentado a 5V, me falta conectar motores y ponerlo todo en el chasis.
Tengo un receptor PPM conectado a la entrada 2, loq ue me falta es activar y desactivar el modo autoestable que aun no lo he conseguido.
Por franjapa
#1030270
Igc, creo que lo has entendido al revés, el wm+ y en nunchuk se pueden alimentar indistintemente con 3 o 5 voltios porque lleva un regulador en la propia placa del wm+, pero si lo alimentamos a través del pin 12 del arduino, este puede cortar la alimentación para hacer un reset al wm+ cuando detecta un cuelgue del mismo wm+.
La activación del modo estable, solo la he podido ver en la version 1.5, pero ahora no me actua de nuevo voy a empezar de nuevo con el archivo 1.5 desde 0 y el 0022 lo borro todo y vuelvo a descomprimir......
Avatar de Usuario
Por igc23
#1030303
Seguro que es así? joe lo estoy leyendo varias veces y entiendo todo lo contrario, que si no se conecta a la D12 no tiene la capacidad de autoreiniciar un posible error del bus i2c, con lo cual puedes tener un piñazo, no se si será así o me equivoco.
Si es como tu dices sería que si se conecta a 5 o 3 V pero sin hacerlo por la D12 el cacharro en caso de cuelgue del wm+ tambien se reiniciaria?
Por franjapa
#1030325
Igc en el último comentario lo has dicho bien :lol: :lol: :lol:

-Resumiendo, lo ideal es conectar la alimentacion del wmp a la salida digital 12 del arduino.

Si lo conectamos directamente al +3,3 o +5v, tambien es valido, pero NO se resetea en caso de cuelgue del bus i2c.
Avatar de Usuario
Por igc23
#1030451
Gracias franjapa.
Lo dejo en el D12 entonces para dar mas seguridad al quadX y se pueda recuperar de un fallo i2c.
Otra cosilla que no he conseguido es activar o desactivar desde la emisora el modo autoestable, en la version 1.6 lo he dejado en el codigo para qeu siempre esté autoestable, pero en la 1.7 no consigo activarlo o desactivarlo, o sino por lo menos dejarlo siempre activado que es como volaría siempre, hay que hacer algo especial aparte de asignar la tecla de la emisora al un canal y meterlo por la entrada 7? porque así es como lo tengo pero no me va.
Por franjapa
#1030454
Sorry, no te puedo ayudar, estoy en un curso inferior al tuyo, ayer en una de las tropecientas mil pruebas con la version 1.5 conseguia activar y desactivar el modo estable, pero hoy he dado un gran paso !!hacia atras!! y no solo no consigo activar el modo estable, si no que no consigo activar los motores (mado gas a minimo) y stick derecho a la derecha, lo único que me hace es intentar calibrarse y así se puede quedar horas y ni siquiera se si me reconoce el wmp tal vez esta roto, en cambio puedo ver el desplazamiento de todos los servos en la interfazgrafica incluido el auxiliar :oops:

Puedes pasarme alguna configuración que te funcione? da igual 1.5 o lo que sea.
Avatar de Usuario
Por palomaresdpb
#1030527
Hola a los dos, para activar motores y armar, en emisora modo2, stick izquierdo minimo y todo a la derecha y se enciende led amarillo arduino uno, para desactivar motores stick izquierdo minimo todo izquierda, para equilibrar stick izquierdo minimo todo izquierda y stick derecho minimo centro, ok, en ppm sum solo pin 2 de receptor en configuracion de arduino hay que seleccionar esto:

/* This is the speed of the serial interface. 115200 kbit/s is the best option for a USB connection.*/
#define SERIAL_COM_SPEED 115200

/* The following lines apply only for specific receiver with only one PPM sum signal, on digital PIN 2 */
/* If your receiver is concerned, uncomment on of these line. Note this is mandatory for a Y6 setup */
/* Select the right line depending on your radio brand. Feel free to modify the order in your PPM order is different */
//#define SERIAL_SUM_PPM PITCH,YAW,THROTTLE,ROLL,AUX1 //For Graupner/Spektrum
#define SERIAL_SUM_PPM ROLL,PITCH,THROTTLE,YAW,AUX1 //For Robe/Hitec/Futaba

Que tu receptor tiene distintos los canales cambiar de posicion esta linea "ROLL,PITCH,THROTTLE,YAW,AUX1", el aux1 es para el nunchuck que pones el nunchuck en aux2 o gear de emisora pues lo renombras en la descripción anterior, :D :D :D

Espero que lo hayais entendido

un saludo
Avatar de Usuario
Por novenadisl
#1030531
Cuanto mas sigo este hilo mas liado estoy, creo que esto no es lo mio.
Difinitivamente no es lo mio.
Un saludo a todos y suerte.
Por franjapa
#1030545
Gracias palomares, mas o menos ya lo sabia, pero es que no hay manera, los travel adjust/ end point los tengo a tope, creo que en alguna configuracion si me llegaba a intentar parar los motores porque se veia el parpadeo de la luz del arduino, jugando con los trims habia un momento que dejaba de hacerme caso al intentar apagar los motores, pero nunca me deja encenderlos, en otras configuraciones cuando le hago la prueba de estabilizar se queda colgado parpadeando lentamente el led del ardino,acabo de comprar un wmp de segunda mano en una tienda de consolas, por si acaso el problema es que he petado el clonico que compré en ebay, otros 13 leandros.
A ver si mejora la cosa.... :idea:
Avatar de Usuario
Por igc23
#1030547
Yo tengo ahora mismo la versión 1.6, pero lo tengo configurado con un receptor PPM para meterle la señal de la emisora por un solo cacle al D2.
Prueba a ver si no te reconoce el WMP porue no tienes activados las resistencias Pull-up del arduino, a mi me pasó y pensaba que tampoco me funcionaba el WMP hasta que lo activé
Avatar de Usuario
Por igc23
#1030550
palomaresdpb escribió:Hola a los dos, para activar motores y armar, en emisora modo2, stick izquierdo minimo y todo a la derecha y se enciende led amarillo arduino uno, para desactivar motores stick izquierdo minimo todo izquierda, para equilibrar stick izquierdo minimo todo izquierda y stick derecho minimo centro, ok, en ppm sum solo pin 2 de receptor en configuracion de arduino hay que seleccionar esto:

/* This is the speed of the serial interface. 115200 kbit/s is the best option for a USB connection.*/
#define SERIAL_COM_SPEED 115200

/* The following lines apply only for specific receiver with only one PPM sum signal, on digital PIN 2 */
/* If your receiver is concerned, uncomment on of these line. Note this is mandatory for a Y6 setup */
/* Select the right line depending on your radio brand. Feel free to modify the order in your PPM order is different */
//#define SERIAL_SUM_PPM PITCH,YAW,THROTTLE,ROLL,AUX1 //For Graupner/Spektrum
#define SERIAL_SUM_PPM ROLL,PITCH,THROTTLE,YAW,AUX1 //For Robe/Hitec/Futaba

Que tu receptor tiene distintos los canales cambiar de posicion esta linea "ROLL,PITCH,THROTTLE,YAW,AUX1", el aux1 es para el nunchuck que pones el nunchuck en aux2 o gear de emisora pues lo renombras en la descripción anterior, :D :D :D

Espero que lo hayais entendido

un saludo

Gracias es también mas o menos como lo estaba haciendo, pero aunque consigo ver como muevo aux 1 y los demas canales en el multiwiiconf con consigo que se active el nunchuck, he puesto los travel en la emisora a tope pero nada.
Lo que no he mirado es si en mi arduino tengo puesto el AUX2 en el código en vez del AUX1, es posible que este sea el problema.
Lo miro y os cuento.
  • 1
  • 2
  • 3
  • 4
  • 5
  • 10

¡Elija que Addons deben funcionar, utilice sólo lo que realmente necesita!